GB/T 9846.7-2004 胶合板 第7部分:试件的锯制
GB/T 9846.7-2004 Plywood—Part 7:Cutting of test specimens
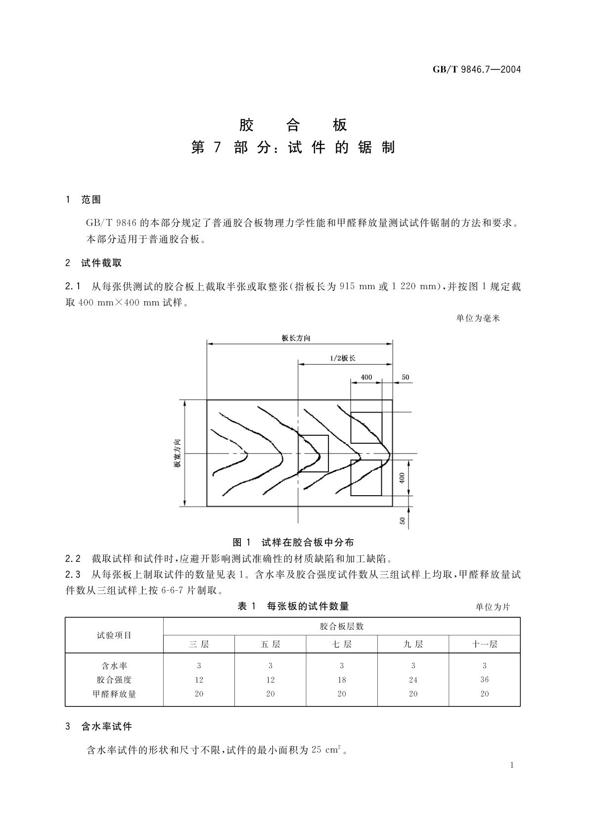
国家标准
中文简体
被代替
页数:8页
|
格式:PDF
基本信息
标准号
GB/T 9846.7-2004
相关服务
仅限个人学习交流使用
标准类型
国家标准
标准状态
被代替
中国标准分类号(CCS)
B70 胶合板 第7部分:试件的锯制
国际标准分类号(ICS)
79.060.10
发布日期
2004-06-22
实施日期
2004-09-15
发布单位/组织
中华人民共和国国家质量监督检验检疫总局、中国国家标准化管理委员会
归口单位
全国人造板标准化技术委员会
适用范围
-
发布历史
-
2004-09
文前页预览
免费预览已结束,剩余部分可下载查看
研制信息
- 起草单位:
- 中国林业科学研究院木材工业研究所
- 起草人:
- 曹忠荣、张莺红、冯桐昌、康熹、刘永丹、李晓秀、彭东华、关键、顾燕
- 出版信息:
- 页数:8页 | 字数:9 千字 | 开本: 大16开
推荐标准
- GB/T 4466-2003 还原染料 悬浮体轧染色光和强度的测定 2003-10-09
- GB/T 15514-2021 中华人民共和国口岸及相关地点代码 2021-10-11
- GB 15084-1994 汽车后视镜的性能和安装要求 1994-05-31
- GB/T 11143-2025 加抑制剂矿物油在水存在下防锈性能试验法 2025-10-05
- GB/T 8638.8-1988 镍基合金粉化学分析方法 新亚铜灵-三氯甲烷萃取分光光度法测定铜量 1988-01-11
- YY/T 0870.3-2013 医疗器械遗传毒性试验 第3部分:用小鼠淋巴瘤细胞 进行的体外哺乳动物细胞基因突变试验 2013-10-21
- GB/T 23188-2008 松茸 2008-12-31
- JG/T 5069-1995 地面抹光机 1996-01-05
- GB/T 26679-2011 机床电气、电子和可编程电子控制系统 保护联结电路连续性试验规范 2011-06-16
- GB/T 12541-1990 汽车地形通过性试验方法 1990-12-12
相似标准推荐
更多>- 1 GB/T 9771.4-2008 通信用单模光纤 第4部分:色散位移单模光纤特性
- 2 GB/T 2076-2007 切削刀具用可转位刀片型号表示规则
- 3 GB/T 10820-2011 生活锅炉热效率及热工试验方法
- 4 GB/T 14642-2009 工业循环冷却水及锅炉水中 氟、氯、磷酸根、亚硝酸根、硝酸根和硫酸根的测定 离子色谱法
- 5 GB 18667-2002 道路交通事故受伤人员伤残评定
- 6 LY/T 2871-2017 木(竹)质容器通用技术要求
- 7 CB/T 977-1992 船用斜盘式轴向柱塞泵基本参数和安装连接尺寸
- 8 GB/T 26162.1-2010 信息与文献 文件管理 第1部分:通则
- 9 GB/T 44462.3-2024 工业互联网企业网络安全 第3部分:标识解析企业防护要求
- 10 GB/T 6730.64-2007 铁矿石 水溶性氯化物含量的测定 离子选择电极法

关闭预览
