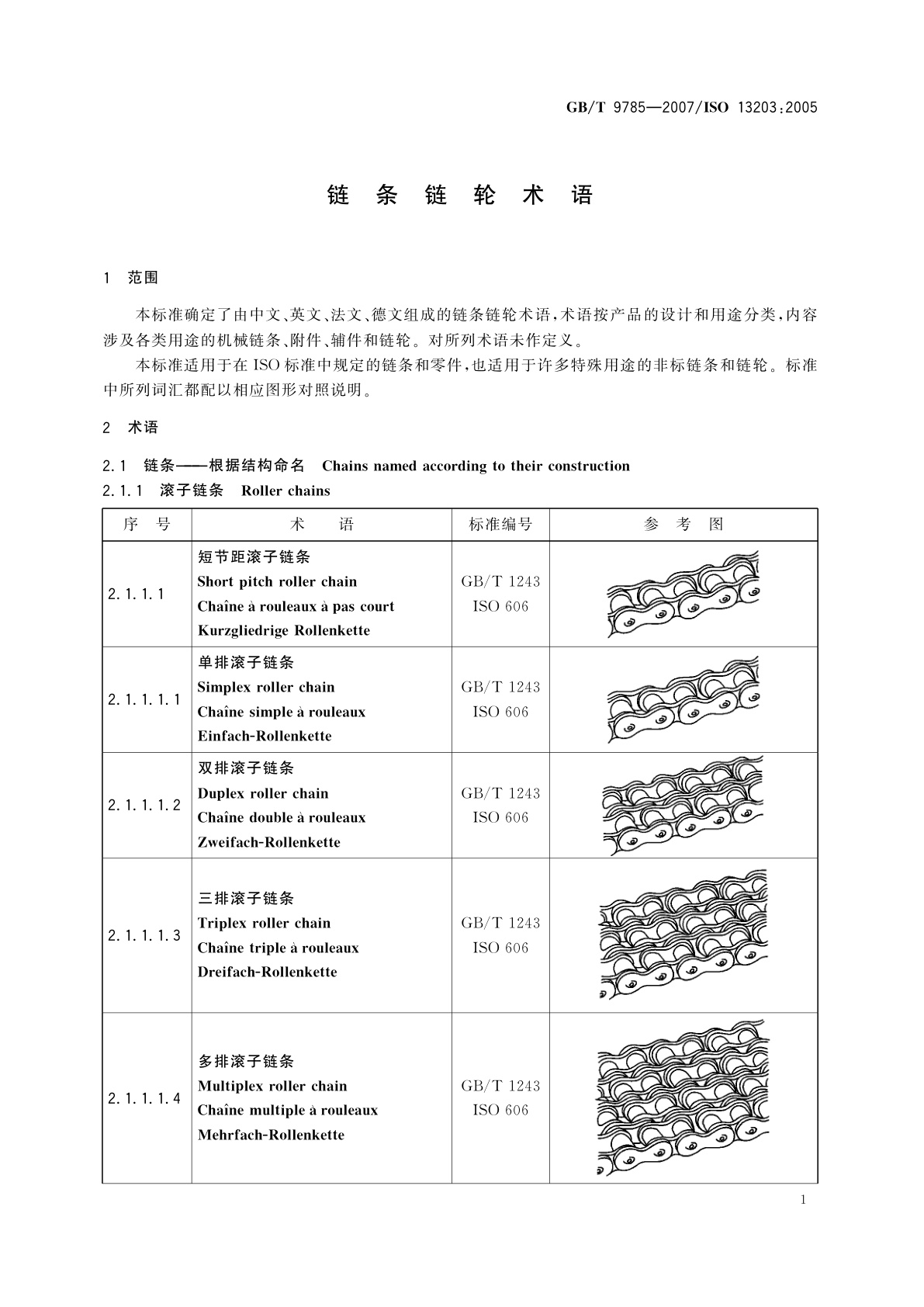
GB/T 9785-2007 链条链轮术语
GB/T 9785-2007 Chains,sprockets and accessorie—List of equivalent terms
国家标准
中文简体
现行
页数:36页
|
格式:PDF
基本信息
标准号
GB/T 9785-2007
相关服务
仅限个人学习交流使用
标准类型
国家标准
标准状态
现行
中国标准分类号(CCS)
J18 链条链轮术语
国际标准分类号(ICS)
21.220.30
发布日期
2007-04-18
实施日期
2007-11-01
发布单位/组织
中华人民共和国国家质量监督检验检疫总局、中国国家标准化管理委员会
归口单位
全国链传动标准化技术委员会
适用范围
-
发布历史
-
2007-11
文前页预览
免费预览已结束,剩余部分可下载查看
研制信息
- 起草单位:
- 吉林大学(原吉林工业大学)
- 起草人:
- 孟祥宾、张世强、何新德、金玉漠、马锦华、夏国利
- 出版信息:
- 页数:36页 | 字数:64 千字 | 开本: 大16开
推荐标准
- GB 18561-2001 车间空气中1,1,1-三氯乙烷职业接触限值 2001-12-04
- GB/T 39969-2021 建筑用通风百叶窗通风及防雨性能检测方法 2021-04-30
- GB/T 5195.1-2017 萤石 氟化钙含量的测定 EDTA滴定法和蒸馏-电位滴定法 2017-09-07
- JJG 1150-2018 铁路机车车辆车钩中心高度测量尺 2018-02-27
- GB/Z 26579-2011 冬枣生产技术规范 2011-06-16
- GB/T 15076.13-1994 钽铌化学分析方法 钽中氮量的测定 1994-05-09
- GB/T 40845-2021 化妆品中壬二酸的检测 气相色谱法 2021-10-11
- MZ/T 146-2019 殡葬场所烟气排放连续监测技术规范 2019-12-12
- GB/T 8760-2020 砷化镓单晶位错密度的测试方法 2020-09-29
- YY 0591-2005 骨接合植入物 金属带锁髓内钉 2005-12-07
相似标准推荐
更多>- 1 GB/T 6927-1986 电动力制动和电磁制动系统的特性和试验
- 2 GB/T 22662.8-2008 氟钛酸钾化学分析方法 第8部分:氯含量的测定 硝酸汞容量法
- 3 GB/T 23723.5-2025 起重机 安全使用 第5部分:桥式和门式起重机
- 4 GM/T 0077-2019 银行核心信息系统密码应用技术要求
- 5 GB/T 3410.1-2008 大坝监测仪器 测缝计 第1部分:差动电阻式测缝计
- 6 GB/T 29007-2012 甘蔗地深耕、深松机械作业技术规范
- 7 GB/T 43965-2024 电子级正硅酸乙酯
- 8 JJG 443-2006 燃油加油机
- 9 GB/T 36664-2018 船舶和海上技术 船舶系泊和拖带设备 导缆滚轮
- 10 GB/T 42368-2023 高温高压条件下可燃气体(蒸气)爆炸极限测定方法

关闭预览
