GB/T 967-2008 螺母丝锥
GB/T 967-2008 Nut taps
国家标准
中文简体
现行
页数:12页
|
格式:PDF
基本信息
标准号
GB/T 967-2008
相关服务
仅限个人学习交流使用
标准类型
国家标准
标准状态
现行
中国标准分类号(CCS)
J41 螺母丝锥
国际标准分类号(ICS)
25.100.50
发布日期
2008-06-03
实施日期
2009-01-01
发布单位/组织
中华人民共和国国家质量监督检验检疫总局、中国国家标准化管理委员会
归口单位
全国刀具标准化技术委员会(SAC/TC 91)
适用范围
-
发布历史
-
1995-09
-
2009-01
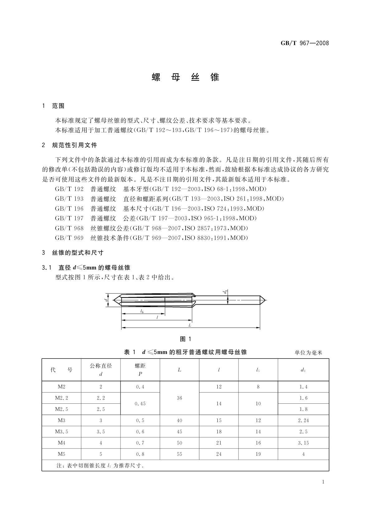
文前页预览
免费预览已结束,剩余部分可下载查看
研制信息
- 起草单位:
- 成都成量工具有限公司
- 起草人:
- 黄华新、熊健
- 出版信息:
- 页数:12页 | 字数:13 千字 | 开本: 大16开
推荐标准
- GB 19510.13-2007 灯的控制装置 第13部分:放电灯(荧光灯除外)用直流或交流电子镇流器的特殊要求 2007-11-12
- GB/T 29876-2013 非发酵豆制品生产管理规范 2013-11-12
- GB/T 39859-2021 镓基液态金属 2021-03-09
- GB/T 33339-2025 全钒液流电池系统测试方法 2025-06-30
- GB/T 77-2000 内六角平端紧定螺钉 2000-09-26
- MT 264-1991 煤的显微硬度测定方法 1992-01-20
- YC/T 213.3-2006 烟草机械产品用物料 分类和编码 第3部分:机械外购件 2006-10-13
- GB/T 12471-2009 产品几何技术规范(GPS) 木制件 极限与配合 2009-03-16
- GB/T 18271.1-2017 过程测量和控制装置 通用性能评定方法和程序 第1部分:总则 2017-07-12
- FZ/T 94052-2007 剑杆织机用剑头 2007-05-29
相似标准推荐
更多>- 1 YY/T 0835-2011 牙科学 银汞合金分离器
- 2 NY/T 447-2001 韭菜中甲胺磷等七种农药残留检测方法
- 3 GB/T 33537.1-2017 工业通信网络 现场总线规范 类型23:CC-Link IE规范 第1部分:应用层服务定义
- 4 GB/T 16555-2008 含碳、碳化硅、氮化物耐火材料化学分析方法
- 5 LY/T 3375-2024 木材导热系数的测定 护热板法
- 6 GB/T 15825.4-2008 金属薄板成形性能与试验方法 第4部分:扩孔试验
- 7 LY/T 3389-2024 植物新品种特异性、一致性、稳定性测试指南 蚊母树属
- 8 GB/T 7614-1987 校准测听耳机用的宽频带型仿真耳
- 9 GB/Z 18493-2001 信息技术 软件生存周期过程指南
- 10 FZ/T 90097-1998 染整机械轧车线压力

关闭预览
