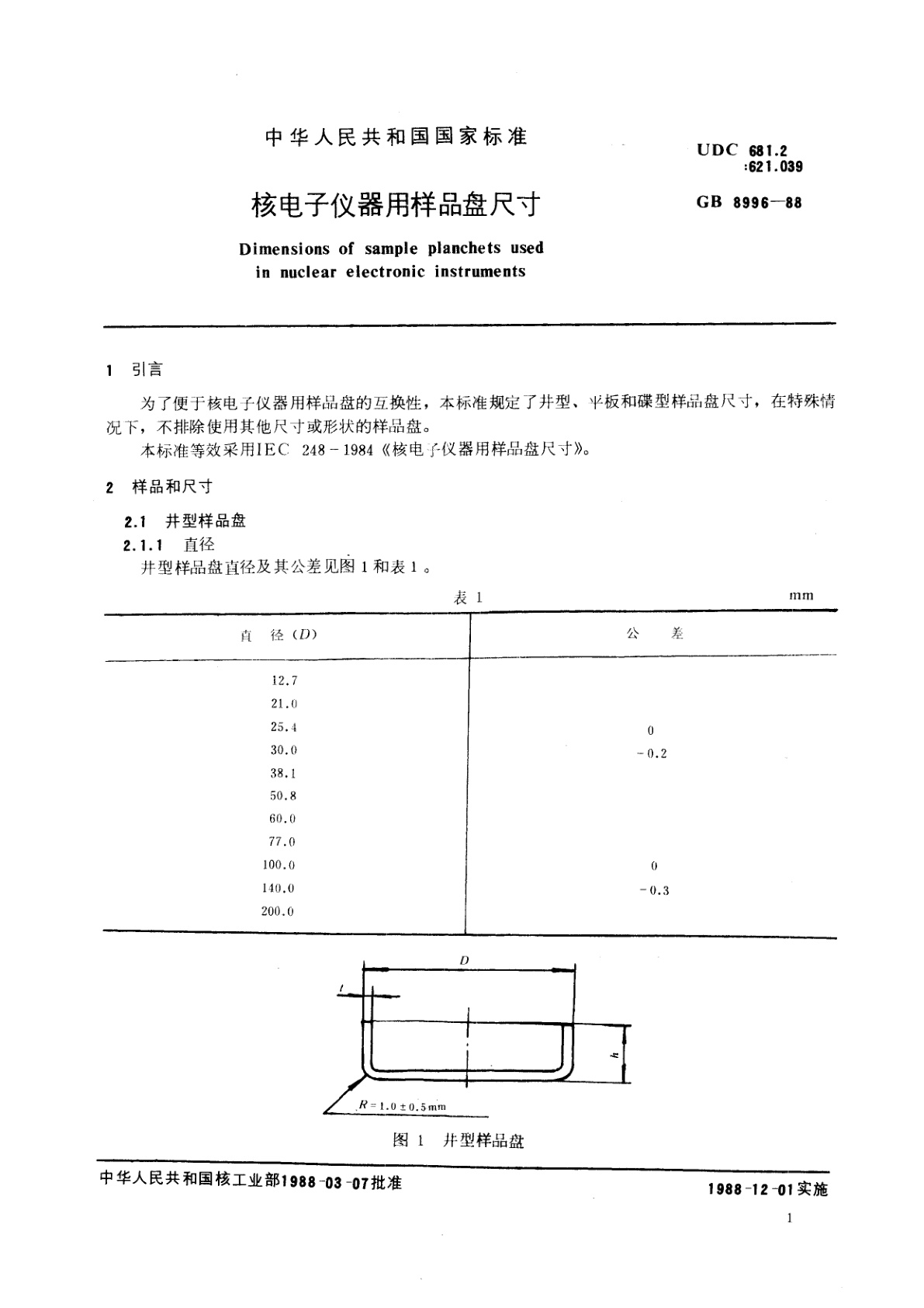
GB/T 8996-1988 核电子仪器用样品盘尺寸
GB/T 8996-1988 Dimensions of sample planchets used in nuclear electronic instruments
国家标准
中文简体
被代替
页数:8页
|
格式:PDF
基本信息
标准号
GB/T 8996-1988
相关服务
仅限个人学习交流使用
标准类型
国家标准
标准状态
被代替
中国标准分类号(CCS)
F80 核电子仪器用样品盘尺寸
国际标准分类号(ICS)
27.120.10
发布日期
1988-04-12
实施日期
1988-12-01
发布单位/组织
国家标准局
归口单位
适用范围
-
发布历史
-
1988-12
文前页预览
免费预览已结束,剩余部分可下载查看
研制信息
- 起草单位:
- 国营二六二厂
- 起草人:
- 李全生、钱定中
- 出版信息:
- 页数:8页 | 字数:6 千字 | 开本: 大16开
推荐标准
- GB/T 45485-2025 船舶和海上技术 电伴热钢质小舱口盖设计和试验要求 2025-03-28
- GB/T 23536-2022 超硬磨料 人造金刚石品种 2022-03-09
- GB/T 13332-1991 液压挖掘机 挖掘力测试方法 1991-12-16
- GB/T 3487-2024 乘用车轮辋规格系列 2024-09-29
- GB/T 17951-2000 硬磁材料一般技术条件 2000-01-03
- GB/T 13542-1992 电气用塑料薄膜一般要求 1992-07-03
- GB 18436-2022 轮机日志和车钟记录簿 2022-07-13
- MT/T 758-1997 煤矿带式输送机电气式自动喷水灭火系统通用技术条件 1997-12-30
- GB/T 20833.1-2021 旋转电机 绕组绝缘 第1部分:离线局部放电测量 2021-03-09
- GB/T 12225-1989 通用阀门 铜合金铸件技术条件 1990-01-01
相似标准推荐
更多>- 1 GB/T 29549.1-2023 海上石油固定平台模块钻机 第1部分:设计
- 2 FZ/T 80015-2022 服装CAD技术规范
- 3 GB/T 19790.1-2021 一次性筷子 第1部分:木筷
- 4 FZ/T 13001-2001 色织牛仔布
- 5 GB/T 46344.2-2025 公共安全视频图像分析系统 第2部分:视频图像内容分析及描述技术要求
- 6 GB/T 45234.302-2025 太阳能热发电站 第3-2部分:系统与部件 大尺寸抛物面槽式集热器通用要求与测试方法
- 7 GB/T 23909.2-2009 无损检测 射线透视检测 第2部分:成像装置长期稳定性的校验
- 8 YC/T 272-2008 卷烟联运平托盘电子标签应用规范
- 9 GB/T 40380.1-2021 金属粉末 高温时松装密度和流速的测定 第1部分:高温时松装密度的测定
- 10 GB/T 22918-2025 易腐食品控温运输技术要求

关闭预览
