GB/T 8946-1998 塑料编织袋
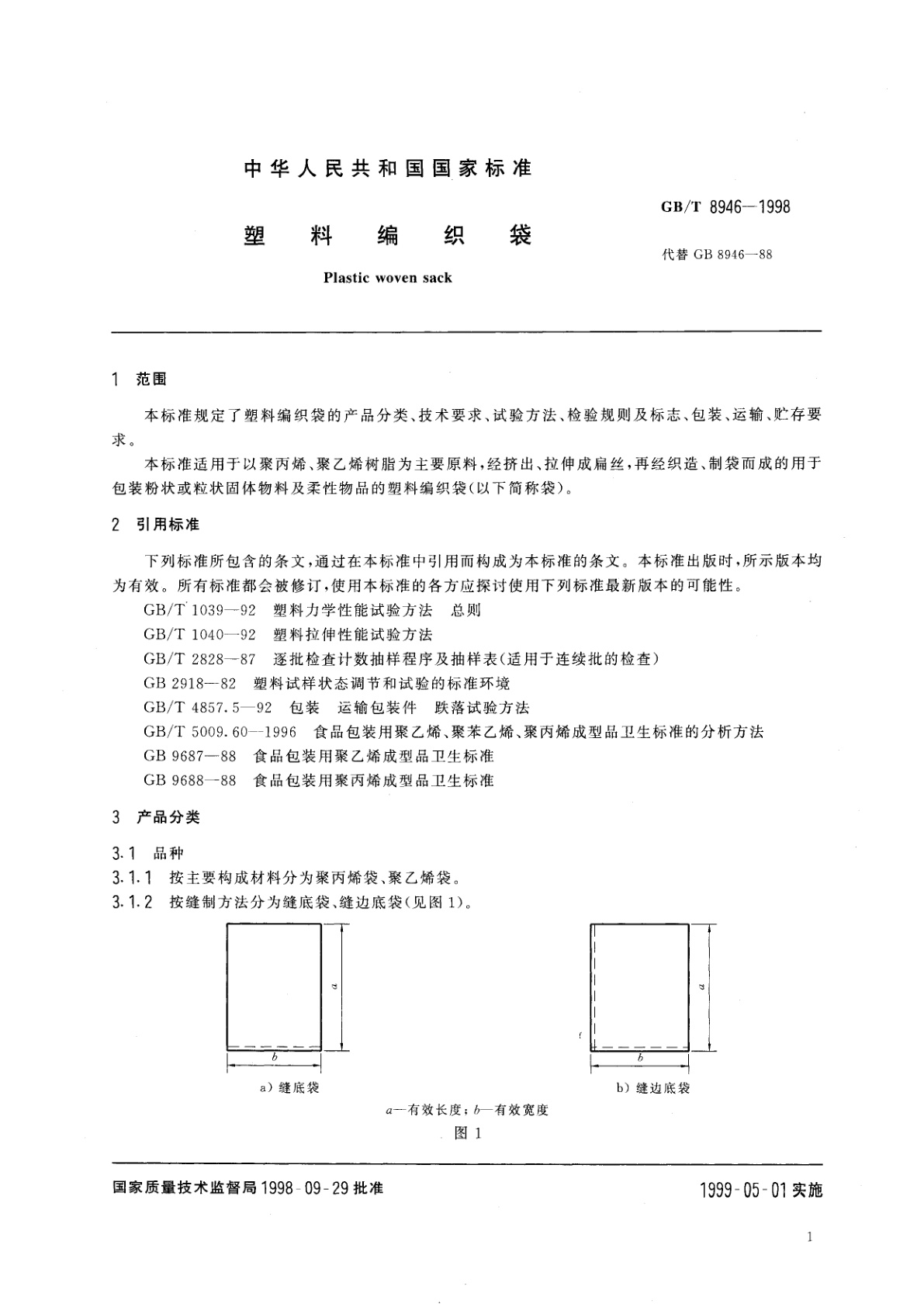
GB/T 8946-1998 Plastic woven sack
国家标准
中文简体
被代替
页数:12页
|
格式:PDF
基本信息
标准号
GB/T 8946-1998
相关服务
仅限个人学习交流使用
标准类型
国家标准
标准状态
被代替
中国标准分类号(CCS)
Y28 塑料编织袋
国际标准分类号(ICS)
83.140
发布日期
1998-09-29
实施日期
1999-05-01
发布单位/组织
国家质量技术监督局
归口单位
全国塑料制品标准化技术委员会
适用范围
-
发布历史
-
1999-05
文前页预览
免费预览已结束,剩余部分可下载查看
研制信息
- 起草单位:
- 杭州新丰塑料厂
- 起草人:
- 杜方潮、袁小兰、徐玉华
- 出版信息:
- 页数:12页 | 字数:15 千字 | 开本: 大16开
推荐标准
- GB/T 13217.8-1991 凹版塑料油墨检验方法 抗粘连检验 1991-09-14
- GB/T 15239-1994 孤立批计数抽样检验程序及抽样表 1994-10-05
- YS/T 1050.7-2015 铅锑精矿化学分析方法 第7部分:铋量和铜量的测定 火焰原子吸收光谱法 2015-04-30
- LY/T 1094-2023 球果烘干机 2023-06-19
- GB/T 17948.5-2016 旋转电机 绝缘结构功能性评定成型绕组试验规程 热、电综合应力耐久性多因子评定 2016-02-24
- YC/T 392-2011 烟草机械 机械配置和设计文件代码编制方法 2011-03-25
- JG/T 5065-1996 液压管件和油箱净化的评定方法 1996-04-16
- GB/T 30831.1-2014 机器状态监测与诊断 热成像 第1部分:总则 2014-06-24
- GB/T 2422-1995 电工电子产品环境试验 术语 1995-04-06
- GB/T 37663.3-2019 湿热带分布式光伏户外实证试验要求 第3部分:并网光伏系统 2019-06-04
相似标准推荐
更多>- 1 GB/T 30695-2014 聚氯乙烯、聚氨酯人造革(合成革)材质鉴别方法
- 2 JJG 1010-2013 电子停车计时收费表
- 3 GB/T 32392.4-2015 信息技术 互操作性元模型框架(MFI) 第4部分:模型映射元模型
- 4 GB/T 18437.1-2001 燃气汽车改装技术要求 压缩天然气汽车
- 5 GB/T 38736-2020 人类生物样本保藏伦理要求
- 6 GB/T 13543-1992 数字通信设备环境试验方法
- 7 GB/T 45048-2024 土方机械 纯电动非公路宽体自卸车 技术要求
- 8 GB/T 29737-2013 建筑门窗防沙尘性能分级及检测方法
- 9 GB 8318-2008 食品添加剂 生姜(精)油(蒸馏)
- 10 GB/T 38003.3-2019 军民通用资源 分类与编码 第3部分:器材类 航材

关闭预览
