GB/T 8883-1988 食用小麦淀粉
GB/T 8883-1988 Edible wheat starch
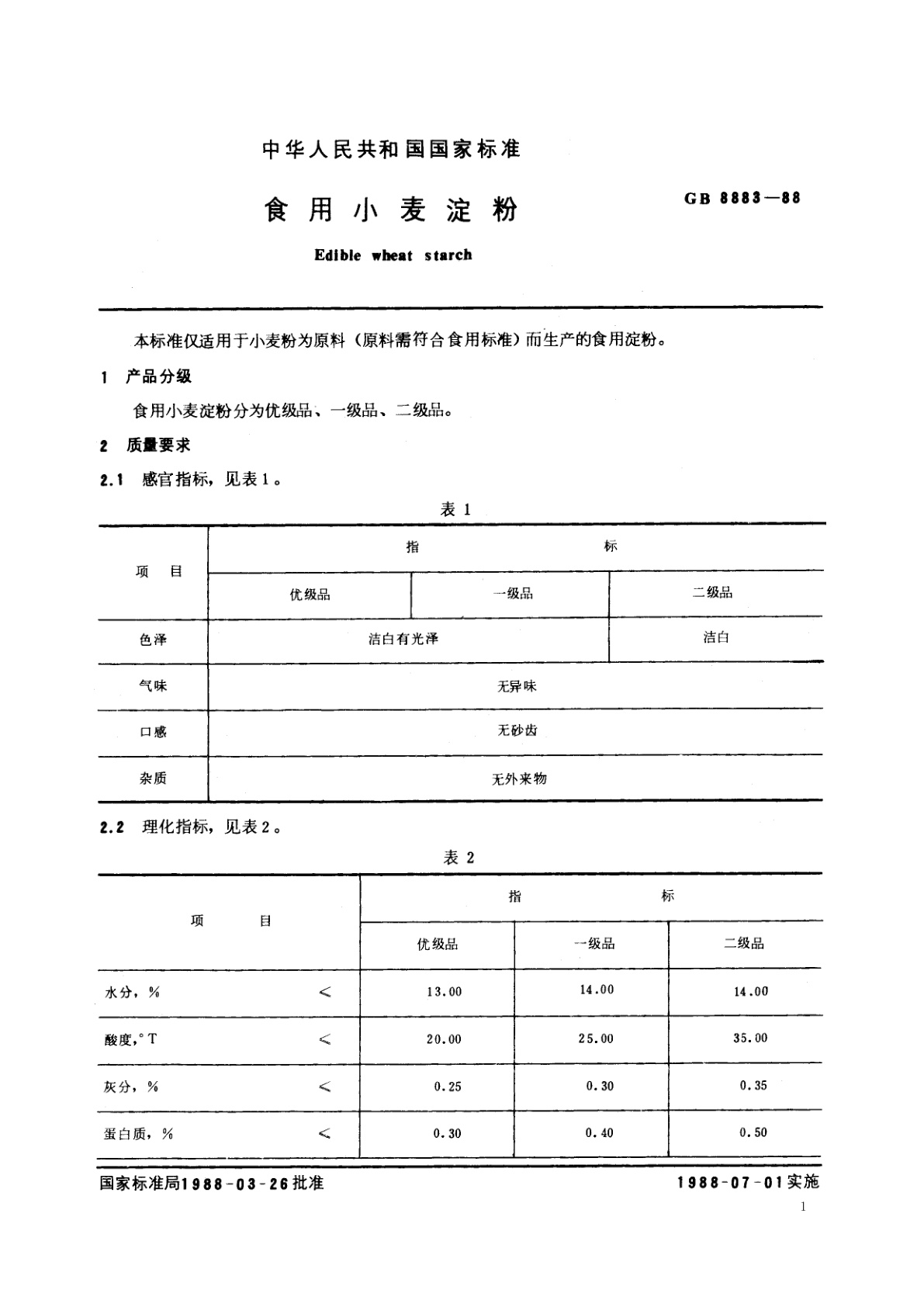
国家标准
中文版
被代替
页数:8页
|
格式:PDF
基本信息
标准号
GB/T 8883-1988
相关服务
仅限个人学习交流使用
标准类型
国家标准
标准状态
被代替
中国标准分类号(CCS)
X11 食用小麦淀粉
国际标准分类号(ICS)
67.060
发布日期
1988-03-26
实施日期
1988-07-01
发布单位/组织
国家标准局
归口单位
适用范围
-
发布历史
-
1988-07
文前页预览
免费预览已结束,剩余部分可下载查看
研制信息
- 起草单位:
- 上海市蔬菜公司
- 起草人:
- 黄雄辉、陈蕙英、王宝弟、黄少来
- 出版信息:
- 页数:8页 | 字数:5 千字 | 开本: 大16开
推荐标准
- GB/T 26215-2023 高压直流输电系统换流阀阻尼吸收回路用电容器 2023-11-27
- GB/T 13777-1992 棉纤维成熟度试验方法 显微镜法 1992-11-04
- GB/T 35273-2017 信息安全技术 个人信息安全规范 2017-12-29
- GB/T 5246-2007 电解铜粉 2007-04-30
- GB/T 26805.5-2011 工业控制计算机系统 软件 第5部分:用户软件文档 2011-07-29
- GB/T 4325.15-2013 钼化学分析方法 第15部分:钠量的测定 火焰原子吸收光谱法 2013-05-09
- GB 5725-2009 安全网 2009-04-01
- GB/T 33865-2017 光合有效辐射表校准方法 2017-07-12
- GB 19640-2005 麦片类卫生标准 2005-01-25
- GB/T 16101-1995 车间空气中氯化苦的盐酸萘乙二胺分光光度测定方法 1996-01-23
相似标准推荐
更多>- 1 GB/T 9582-2008 摄影 工业射线胶片 ISO感光度,ISO平均斜率和ISO斜率G2和G4的测定(用X和γ射线曝光)
- 2 GB/T 778.3-2018 饮用冷水水表和热水水表 第3部分:试验报告格式
- 3 GB/T 14999.3-2012 高温合金试验方法 第3部分:棒材纵向断口检验
- 4 GB/T 19106-2013 次氯酸钠
- 5 GB/T 41801.2-2022 信息技术 卡上生物特征识别系统 第2部分:物理特性
- 6 GC/T 1401-2022 国家物资储备标志及使用规范
- 7 GB/T 22972-2008 牛奶和奶粉中噻苯达唑、阿苯达唑、芬苯达唑、奥芬达唑、苯硫氨酯残留量的测定 液相色谱-串联质谱法
- 8 GB/T 18241.2-2000 橡胶衬里 第二部分 磨机衬里
- 9 GB/T 3880.3-2006 一般工业用铝及铝合金板、带材 第3部分:尺寸偏差
- 10 GB/T 1149.17-2023 内燃机 活塞环 第17部分:钢质螺旋撑簧油环

关闭预览
