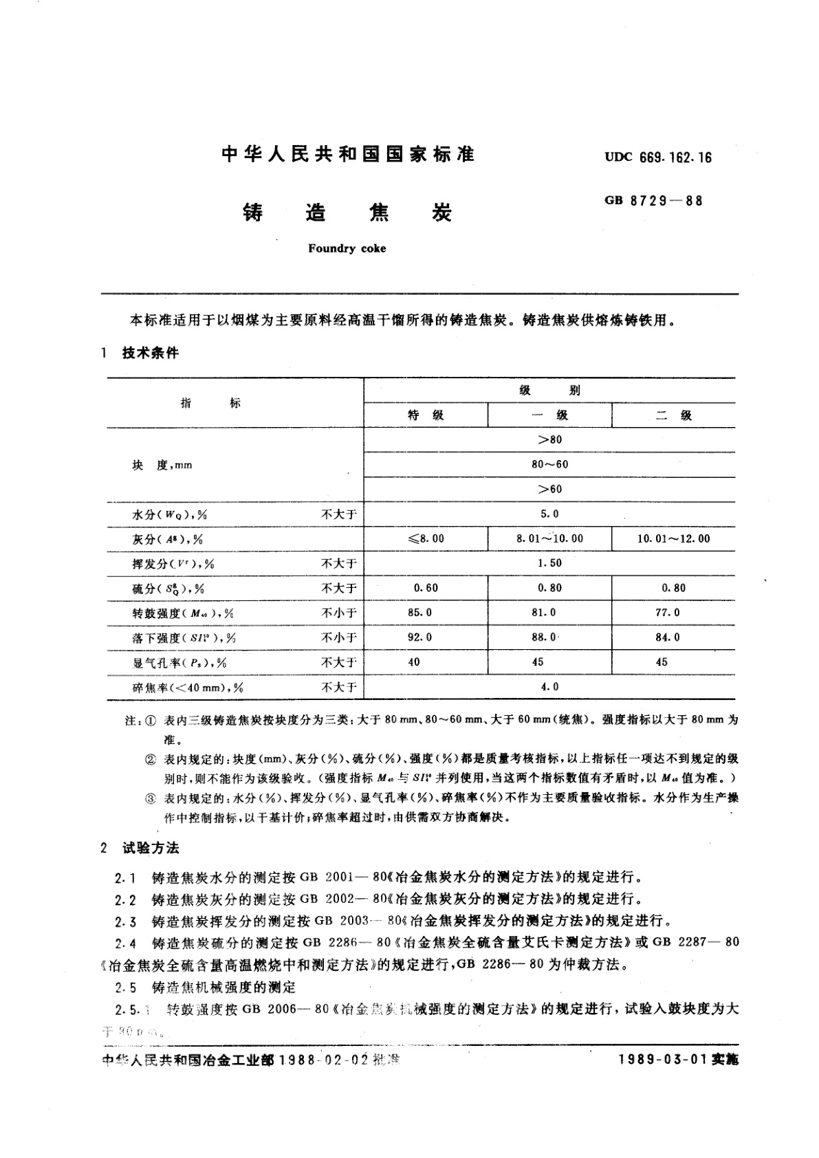
GB/T 8729-1988 铸造焦炭
GB/T 8729-1988 Foundry coke
国家标准
中文简体
被代替
页数:4页
|
格式:PDF
基本信息
标准号
GB/T 8729-1988
相关服务
仅限个人学习交流使用
标准类型
国家标准
标准状态
被代替
中国标准分类号(CCS)
H32 铸造焦炭
国际标准分类号(ICS)
75.160.10
发布日期
1988-02-22
实施日期
1989-03-01
发布单位/组织
国家标准局
归口单位
冶金部鞍山热能研究所
适用范围
-
发布历史
-
1989-03
文前页预览
免费预览已结束,剩余部分可下载查看
研制信息
- 起草单位:
- 冶金部鞍山热能研究所、机械委沈阳铸造研究所、冶金部标准化研究所
- 起草人:
- 陈明岳、朱明三、王维杰、孙瑞虹
- 出版信息:
- 页数:4页 | 字数:4 千字 | 开本: 大16开
推荐标准
- SB/T 10933-2012 气调试验箱 2013-01-23
- GB/T 33345-2016 电子电气产品中短链氯化石蜡的测定气相色谱-质谱法 2016-12-13
- GA 426.10-2008 指纹数据交换格式 第10部分:正查比对结果候选信息记录格式 2008-07-24
- GB/T 24421.3-2023 服务业组织标准化工作指南 第3部分:标准编制 2023-03-17
- GB/T 42732-2023 纳米技术 水相中无机纳米颗粒的尺寸分布和浓度测量 单颗粒电感耦合等离子体质谱法 2023-08-06
- GB/T 29028-2012 SWZ型大型整体轴承座十字轴式万向联轴器 2012-12-31
- GB/T 14908-1994 住宅混凝土内墙板与隔墙板 1993-12-30
- GB/T 20730.1-2006 工业过程控制系统用模拟输入两位或多位输出仪表 第1部分:性能评定方法 2006-12-13
- GB/T 1819.13-2004 锡精矿化学分析方法 氧化镁、氧化钙量的测定 火焰原子吸收光谱法 2004-02-05
- GB/T 19164-2021 饲料原料 鱼粉 2021-10-11
相似标准推荐
更多>- 1 GB/T 21327-2007 水面蒸发器
- 2 GB/T 35974.2-2018 塑料及其衬里制压力容器 第2部分:材料
- 3 SC/T 8039-2001 渔船尾部长滚筒
- 4 GB/T 18654.8-2008 养殖鱼类种质检验 第8部分:耗氧率与临界窒息点的测定
- 5 GB/T 15402-1994 水果、蔬菜及其制品 钠、钾含量的测定
- 6 YS/T 1041-2015 汽车端子连接器用铜及铜合金带
- 7 GB/T 4214.2-2008 家用和类似用途电器噪声测试方法 真空吸尘器的特殊要求
- 8 GB/T 37772.2-2023 养老保险待遇审核服务规范 第2部分:城乡居民基本养老保险
- 9 GB/T 28712.5-2012 热交换器型式与基本参数 第5部分:螺旋板式热交换器
- 10 GB/T 13531.2-1992 化妆品通用试验方法 色泽三刺激值和色差△E*的测定

关闭预览
