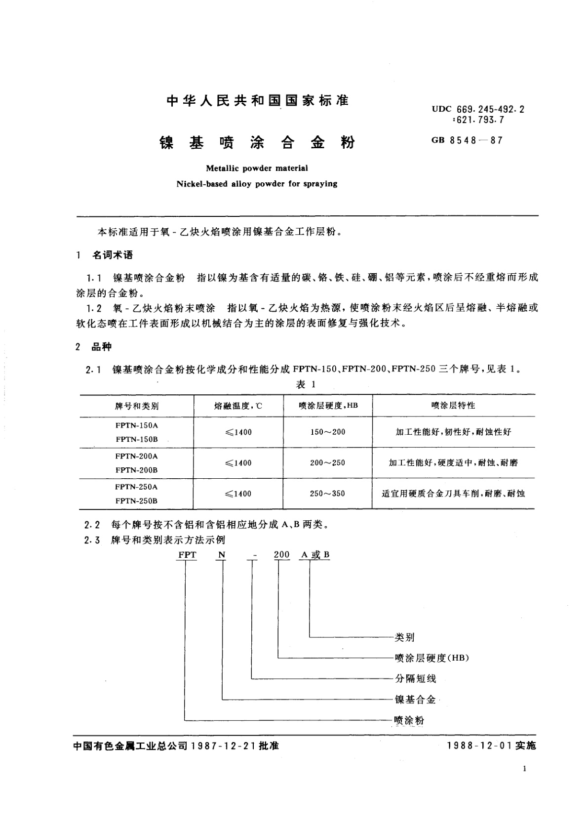
GB/T 8548-1987 镍基喷涂合金粉
GB/T 8548-1987 Metallic powder material Nickel-based alloy powder for spraying
国家标准
中文简体
废止转行标
页数:8页
|
格式:PDF
基本信息
标准号
GB/T 8548-1987
相关服务
仅限个人学习交流使用
标准类型
国家标准
标准状态
废止转行标
中国标准分类号(CCS)
H71 镍基喷涂合金粉
国际标准分类号(ICS)
77.120.40
发布日期
1987-12-30
实施日期
1988-12-01
发布单位/组织
国家标准局
归口单位
适用范围
-
发布历史
-
1988-12
文前页预览
免费预览已结束,剩余部分可下载查看
研制信息
- 起草单位:
- 湖南省冶金材料研究所
- 起草人:
- 张萍、吴和元、张乃平、梁振亚
- 出版信息:
- 页数:8页 | 字数:6 千字 | 开本: 大16开
推荐标准
- GB 7189-2010 食品级石蜡 2011-01-10
- JJF 1754-2019 氘灯光谱辐射亮度(250 nm~400 nm)校准规范 2019-09-27
- JJF 2310-2025 温湿度报警器校准规范 2025-09-08
- GB/T 41630-2022 智能泊车辅助系统性能要求及试验方法 2022-07-11
- GB/T 20840.8-2007 互感器 第8部分:电子式电流互感器 2007-01-16
- GB/T 9579-2006 橡胶配合剂 炭黑 在丁苯橡胶中的鉴定方法 2006-08-01
- GA/T 2000.41-2014 公安信息代码 第41部分:相片类型代码 2014-11-14
- GB/T 17206-1998 电子设备用固定电容器 第18部分:分规范 固体(MnO2)与非固体电解质片式铝固定电容器 1998-01-19
- GB/T 23539-2009 涂附磨具 带轴页轮 2009-04-23
- GB/T 32366-2015 生物降解聚对苯二甲酸-己二酸丁二酯(PBAT) 2015-12-31
相似标准推荐
更多>- 1 LS/T 3316-2019 元宝枫籽饼粕
- 2 GB/T 37431-2019 风力发电机组 风轮叶片红外热像检测指南
- 3 GB/T 19267.6-2008 刑事技术微量物证的理化检验 第6部分:扫描电子显微镜/X射线能谱法
- 4 GB/T 11064.14-1989 碳酸锂、单水氢氧化锂、氯化锂化学分析方法 钼蓝分光光度法测定砷量
- 5 GB/T 20356-2006 地理标志产品 广昌白莲
- 6 GB/T 2678.2-1994 纸浆、纸和纸板水溶性氯化物的测定(硝酸汞法)
- 7 GB/T 38795-2020 汽车侧面气囊和帘式气囊模块性能要求
- 8 GB/T 10095.2-2001 渐开线圆柱齿轮 精度 第2部分:径向综合偏差与径向跳动的定义和允许值
- 9 GB/T 14329.4-1993 键槽拉刀通用技术条件
- 10 GB/T 6420-2017 货运挂车系列型谱

关闭预览
