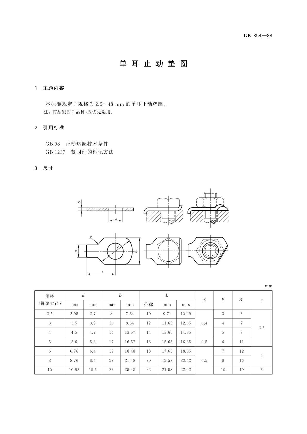
GB/T 854-1988 单耳止动垫圈
GB/T 854-1988 Tab washers with long tab
国家标准
中文简体
现行
页数:4页
|
格式:PDF
基本信息
标准号
GB/T 854-1988
相关服务
仅限个人学习交流使用
标准类型
国家标准
标准状态
现行
中国标准分类号(CCS)
J13 单耳止动垫圈
国际标准分类号(ICS)
21.060.30
发布日期
1988-01-06
实施日期
1989-01-01
发布单位/组织
国家机械工业委员会
归口单位
国家机械工业委员会标准化研究所
适用范围
-
发布历史
-
1989-01
文前页预览
免费预览已结束,剩余部分可下载查看
研制信息
- 起草单位:
- 国家机械工业委员会标准化研究所
- 起草人:
- 出版信息:
- 页数:4页 | 字数:6 千字 | 开本: 大16开
推荐标准
- GB/T 28026.2-2011 轨道交通 地面装置 第2部分:直流牵引系统杂散电流防护措施 2011-10-31
- GA/T 2107-2023 警犬技术 嗅觉受体基因检测规范 史宾格犬 2023-10-12
- GB/T 21514-2008 饲料中脂肪酸含量的测定 2008-03-03
- GB/T 34181-2017 矿物棉绝热制品用定型剂 2017-09-07
- GB/T 20002.1-2025 标准中特定内容的编写指南 第1部分:涉及儿童安全 2025-10-05
- FZ/T 40003-2010 桑蚕绢丝试验方法 2010-08-16
- JJF(石化)005-2023 旋转辊筒式磨耗机校准规范 2023-07-28
- GB/T 25083-2010 ±800 kV直流系统用金属氧化物避雷器 2010-09-02
- GB/T 13399-2012 汽轮机安全监视装置 技术条件 2012-06-29
- GB/T 13960.2-2008 可移式电动工具的安全 第二部分:圆锯的专用要求 2008-09-19
相似标准推荐
更多>- 1 GB/T 8232-1987 粟(谷子)
- 2 GB/T 23288-2009 木质骨灰盒通用技术条件
- 3 GB/T 15691-1995 香辛料调味品通用技术条件
- 4 GB/T 2423.38-2021 环境试验 第2部分:试验方法 试验R:水试验方法和导则
- 5 GB/T 19215.1-2003 电气安装用电缆槽管系统 第1部分:通用要求
- 6 GB/T 16484.21-2009 氯化稀土、碳酸轻稀土化学分析方法 第21部分:氧化铁量的测定 1,10-二氮杂菲分光光度法
- 7 GB/T 26610.4-2014 承压设备系统基于风险的检验实施导则 第4部分:失效可能性定量分析方法
- 8 GB/T 6002.16-2018 纺织机械术语 第16部分:棉纺环锭细纱机
- 9 FZ/T 40004-2009 蚕丝含胶率试验方法
- 10 GB/T 13135-1991 信息交换用彝文字符15×16点阵字模集及数据集

关闭预览
