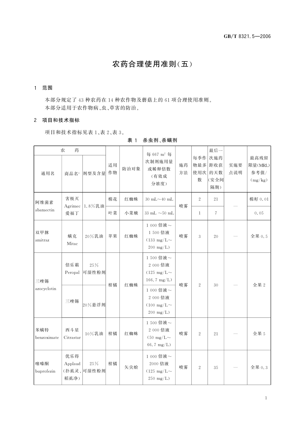
GB/T 8321.5-2006 农药合理使用准则(五)
GB/T 8321.5-2006 Guideline for safety application of pesticides(V)
国家标准
中文简体
现行
页数:12页
|
格式:PDF
基本信息
标准号
GB/T 8321.5-2006
相关服务
仅限个人学习交流使用
标准类型
国家标准
标准状态
现行
中国标准分类号(CCS)
B17 农药合理使用准则(五)
国际标准分类号(ICS)
65.100
发布日期
2006-06-02
实施日期
2006-12-01
发布单位/组织
中华人民共和国国家质量监督检验检疫总局、中国国家标准化管理委员会
归口单位
中华人民共和国农业部
适用范围
-
发布历史
-
1998-01
-
2006-12
文前页预览
免费预览已结束,剩余部分可下载查看
研制信息
- 起草单位:
- 农业部农药检定所
- 起草人:
- 刘光学、秦冬梅、龚勇、何艺兵、陶传江、朱光艳、李友顺、宋稳成
- 出版信息:
- 页数:12页 | 字数:16 千字 | 开本: 大16开
推荐标准
- GB 40555-2021 海船机舱消防应急操作技术要求 2021-08-10
- YC/T 223.2-2007 特种滤棒 第2部分:复合滤棒 活性炭-醋纤二元复合滤棒 2007-07-05
- GB/T 10574.12-2017 锡铅焊料化学分析方法 第12部分:硫量的测定 高频燃烧红外吸收光谱法 2017-10-14
- GB/T 15080.2-1994 锑精矿化学分析方法 砷量的测定 1994-05-11
- GB/T 24141.1-2009 内燃机燃油管路用橡胶软管和纯胶管规范 第1部分:柴油燃料 2009-06-15
- GB/T 37195-2018 以树脂为基料管道耐蚀修复作业技术规范 2018-12-28
- GB/Z 42521-2023 铁矿石 试样的酸溶解或碱熔融方法 2023-05-23
- GB/T 17860.1-1999 电测量仪器 X-t记录仪 第1部分:定义和要求 1999-09-13
- GB/T 6974.4-2025 起重机 术语 第4部分:臂架起重机 2025-06-30
- DZ/T 0155-1995 钻孔灌注桩施工规程 1995-09-14
相似标准推荐
更多>- 1 GB/T 10160-1995 医用钳锁合力 脱开力测定方法
- 2 GB/T 5750.6-2006 生活饮用水标准检验方法 金属指标
- 3 GB/T 30790.2-2014 色漆和清漆 防护涂料体系对钢结构的防腐蚀保护 第2部分:环境分类
- 4 GB 7059.2-1986 移动式木折梯安全标准
- 5 GB/T 6809.5-1999 往复式内燃机零部件和系统术语 第5部分:冷却系统
- 6 WS/T 182-1999 室内空气中苯并(a)芘卫生标准
- 7 GB/T 382-2017 煤油和喷气燃料烟点测定法
- 8 GB/T 31013-2014 声学 管道、阀门和法兰的隔声
- 9 GB/T 26803.1-2011 工业控制计算机系统 总线 第1部分:总论
- 10 GA/T 532-2005 城市警用地理信息数据分层及命名规则

关闭预览
