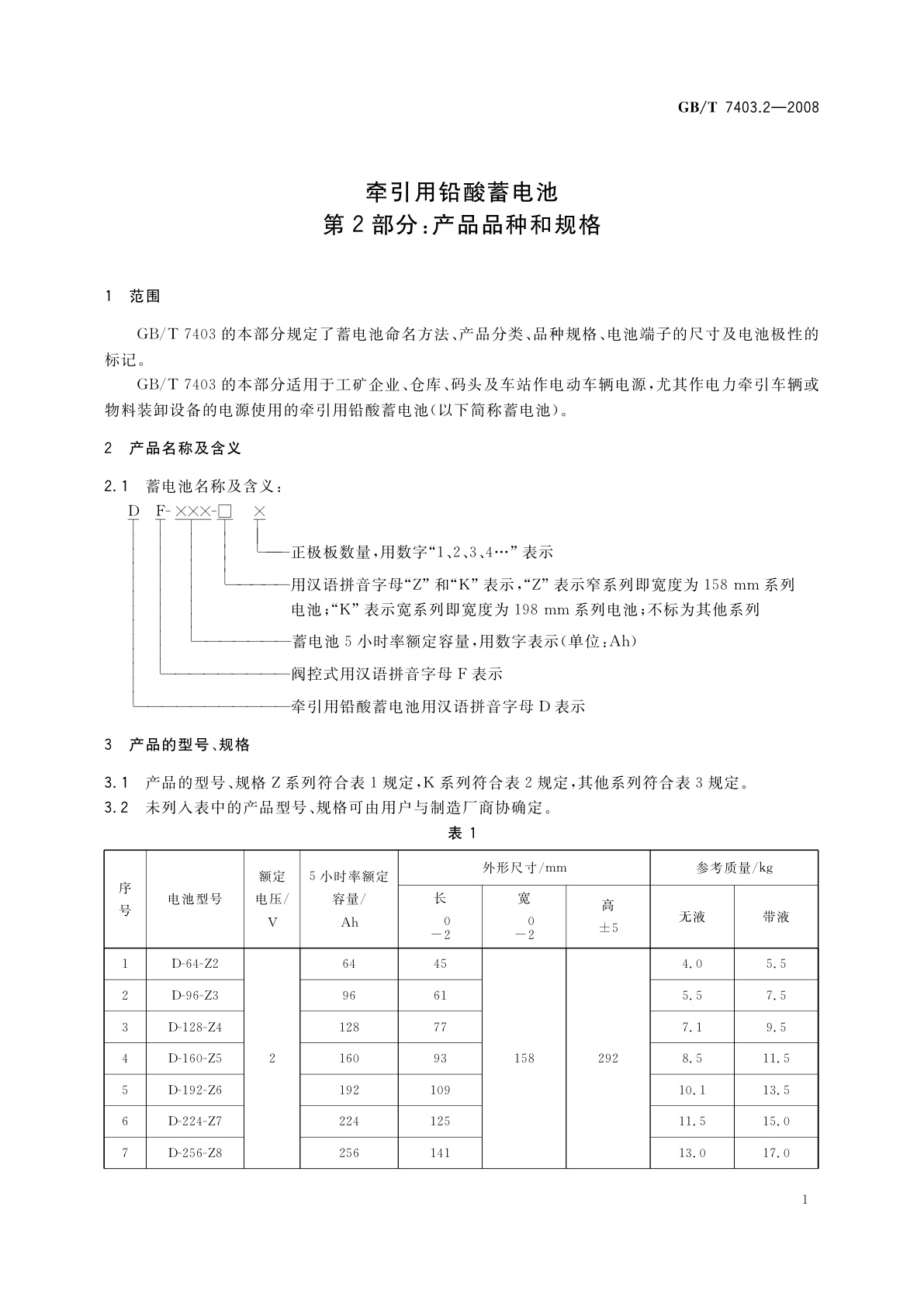
GB/T 7403.2-2008 牵引用铅酸蓄电池 第2部分:产品品种和规格
GB/T 7403.2-2008 Lead-acid traction batteries—Part 2:Product types and specifications
国家标准
中文简体
被代替
页数:12页
|
格式:PDF
基本信息
标准号
GB/T 7403.2-2008
相关服务
仅限个人学习交流使用
标准类型
国家标准
标准状态
被代替
中国标准分类号(CCS)
K84 牵引用铅酸蓄电池 第2部分:产品品种和规格
国际标准分类号(ICS)
29.220.20
发布日期
2008-01-22
实施日期
2008-09-01
发布单位/组织
中华人民共和国国家质量监督检验检疫总局、中国国家标准化管理委员会
归口单位
全国铅酸蓄电池标准化技术委员会
适用范围
-
发布历史
-
2008-09
文前页预览
免费预览已结束,剩余部分可下载查看
研制信息
- 起草单位:
- 沈阳蓄电池研究所、淄博蓄电池厂、通洲市蓄电池厂有限责任公司、江苏双登集团有限公司、镇江金乐有限公司、浙江贝纳通电源有限公司、镇江金快乐蓄电池有限责任公司、淮南金达力蓄电池有限责任公司、浙江超威电源有限公司
- 起草人:
- 邵长叶、臧广军、陈玉松、田广才、陈松甫、邵双喜、周明明、王伟、李鸿霈、吴涛
- 出版信息:
- 页数:12页 | 字数:15 千字 | 开本: 大16开
推荐标准
- GB/T 5686.5-1988 锰硅合金化学分析方法 红外线吸收法测定碳量 1988-02-21
- GB 8953-2018 食品安全国家标准 酱油生产卫生规范 2018-06-21
- GA/T 1295-2016 交通管理业务信息数据项 2016-05-26
- GB/T 12562-1990 PIN 二极管空白详细规范 (可供认证用) 1990-12-06
- GA/T 424-2003 审讯过程录像规则 2003-05-08
- GB/T 5169.26-2018 电工电子产品着火危险试验 第26部分:烟模糊 试验方法概要和相关性 2018-09-17
- GB/T 35984-2018 煤和焦炭的固体残余物中全碳、可燃碳和碳酸盐碳的测定方法 2018-02-06
- DZ/T 0176-1997 回转式工程钻机 1997-03-19
- GB 437-1993 硫酸铜 1993-12-30
- GB 5009.253-2016 食品安全国家标准 动物源性食品中全氟辛烷磺酸(PFOS)和全氟辛酸(PFOA)的测定 2016-08-31
相似标准推荐
更多>- 1 GB/T 28446.1-2012 手持和身体佩戴使用的无线通信设备对人体的电磁照射 人体模型、仪器和规程 第1部分:靠近耳边使用的手持式无线通信设备的SAR评估规程(频率范围300 MHz~3 GHz)
- 2 GB 20286-2006 公共场所阻燃制品及组件燃烧性能要求和标识
- 3 GB/T 9772-1996 石棉水泥波瓦及其脊瓦
- 4 YY 9706.234-2021 医用电气设备 第2-34部分:有创血压监护设备的基本安全和基本性能专用要求
- 5 JJG 831-1993 铸造用湿型表面硬度计(试行)
- 6 GB/T 15310.4-2012 中华人民共和国出口货物原产地证书格式
- 7 GB/T 43519-2023 国际贸易和运输便利化监测指南
- 8 GB/T 44780-2024 健康管理 健康信息存储架构
- 9 GB/T 6170-2000 1型六角螺母
- 10 GB/T 3860-2009 文献主题标引规则

关闭预览
