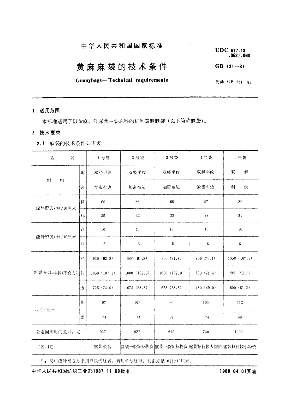
GB/T 731-1987 黄麻麻袋的技术条件
GB/T 731-1987 Gunnybags—Technical requirements
国家标准
中文简体
被代替
页数:4页
|
格式:PDF
基本信息
标准号
GB/T 731-1987
相关服务
仅限个人学习交流使用
标准类型
国家标准
标准状态
被代替
中国标准分类号(CCS)
W33 黄麻麻袋的技术条件
国际标准分类号(ICS)
55.080
发布日期
1987-11-19
实施日期
1988-04-01
发布单位/组织
国家标准局
归口单位
浙江麻纺厂
适用范围
-
发布历史
-
1988-04
文前页预览
免费预览已结束,剩余部分可下载查看
研制信息
- 起草单位:
- 浙江麻纺厂
- 起草人:
- 出版信息:
- 页数:4页 | 字数:3 千字 | 开本: 大16开
推荐标准
- GB/T 20975.24-2020 铝及铝合金化学分析方法 第24部分:稀土总含量的测定 2020-06-02
- GA/T 1719-2020 机动车驾驶人互联网学习教育平台通用技术条件 2020-04-10
- GB/T 20887.7-2017 汽车用高强度热连轧钢板及钢带 第7部分:液压成形用钢 2017-09-07
- GA 778-2008 十指指纹文字数据项规范 2008-07-24
- GB/T 3754-2008 卡套式锥密封组合弯通管接头 2008-05-07
- GB/T 5059.5-2014 钼铁 硅含量的测定 硫酸脱水重量法和硅钼蓝分光光度法 2014-06-09
- GB/T 6996.7-1986 透射式电视调制度测试图 1986-11-20
- GB/T 33268-2016 科技奖励评价分类单元 2016-12-13
- GB/T 17909.2-2021 起重机 起重机操作手册 第2部分:流动式起重机 2021-05-21
- GB/T 11499-2001 半导体分立器件文字符号 2001-11-05
相似标准推荐
更多>- 1 GB 1420-1989 海绵钯
- 2 GB/T 38763-2020 永磁联轴器 通用技术规范
- 3 YS/T 1152-2016 粗氢氧化钴
- 4 GB/T 42125.2-2024 测量、控制和实验室用电气设备的安全要求 第2部分:材料加热用实验室设备的特殊要求
- 5 GB/T 21229-2007 声学 风道末端装置、末端单元、风道闸门和阀噪声声功率级的混响室测定
- 6 JG/T 459-2014 排烟天窗五金配件
- 7 GB/T 21063.2-2007 政务信息资源目录体系 第2部分:技术要求
- 8 FZ/T 01042-1996 纺织材料 静电性能静电压半衰期的测定
- 9 GB/T 17679-1999 CAD电子文件光盘存储归档一致性测试
- 10 GB/T 19967.2-2019 信息技术 通用编码字符集(基本多文种平面) 汉字24点阵字型 第2部分:黑体

关闭预览
