GB/T 705-1989 热轧六角钢和八角钢尺寸、外形、重量及允许偏差
GB/T 705-1989 Hot-rolled hexagonal and octagonal steel bars—Dimensions, shape, weight and tolerance
国家标准
中文简体
被代替
页数:8页
|
格式:PDF
基本信息
标准号
GB/T 705-1989
相关服务
仅限个人学习交流使用
标准类型
国家标准
标准状态
被代替
中国标准分类号(CCS)
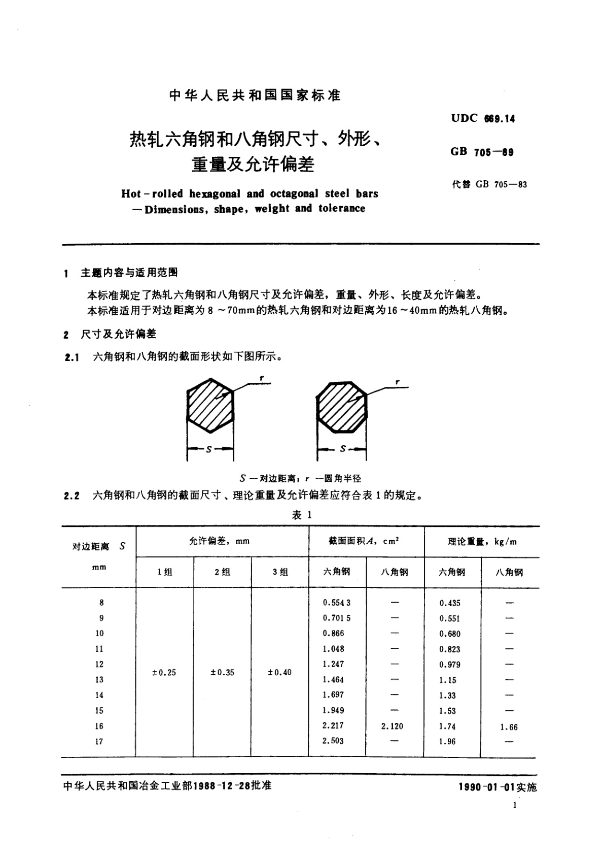
H44 热轧六角钢和八角钢尺寸、外形、重量及允许偏差
国际标准分类号(ICS)
77.140.70
发布日期
1989-03-22
实施日期
1990-01-01
发布单位/组织
国家技术监督局
归口单位
适用范围
-
发布历史
-
1990-01
文前页预览
免费预览已结束,剩余部分可下载查看
研制信息
- 起草单位:
- 抚顺钢厂
- 起草人:
- 关文光、刘德娴
- 出版信息:
- 页数:8页 | 字数:4 千字 | 开本: 大16开
推荐标准
- GB/T 1592.1-2016 农业拖拉机 后置动力输出轴1、2、3和4型 第1部分:通用要求、安全要求、防护罩尺寸和空隙范围 2016-02-24
- GB/T 26542-2011 陶瓷砖防滑性试验方法 2011-06-16
- GB/T 3783-1994 船用低压电器基本要求 1994-05-19
- GB/T 17680.4-2025 核电厂应急准备与响应准则 第4部分:场外核应急预案与执行程序 2025-10-05
- GB/T 16927.1-2011 高电压试验技术 第1部分:一般定义及试验要求 2011-12-30
- GB/T 16478.1-1996 硝酸钍化学分析方法 水溶解试验 1996-07-09
- GB/T 13678-1992 单线脱挂抱索器客运架空索道设计规范 1992-09-22
- GB/T 44776-2024 航天器空间环境及其效应仿真分析通用要求 2024-10-26
- GB/T 24129-2009 胶鞋、运动鞋外底不留痕试验方法 2009-06-15
- GB 18030-2005 信息技术 中文编码字符集 2005-11-08
相似标准推荐
更多>- 1 WS 363.7-2011 卫生信息数据元目录 第7部分:体格检查
- 2 GB/T 37476-2019 船用摆动转角液压缸
- 3 WS 377.5-2013 妇女保健基本数据集 第5部分:产前筛查与诊断
- 4 GB/T 14309-1993 板材成捆运输技术要求
- 5 GB 7036.2-1997 充气轮胎内胎 第2部分:摩托车轮胎内胎
- 6 GB/T 18975.1-2025 工业自动化系统与集成 流程工厂(包括石油和天然气生产设施)生命周期数据集成 第1部分:综述与基本原理
- 7 GB/T 42693-2023 应急产业用纺织品分类
- 8 GB/T 34265-2017 Sanger法测序技术指南
- 9 GB/T 21183-2017 锆及锆合金板、带、箔材
- 10 GB/T 10546-2003 液化石油气(LPG)用橡胶软管和软管组合件 散装输送用

关闭预览
