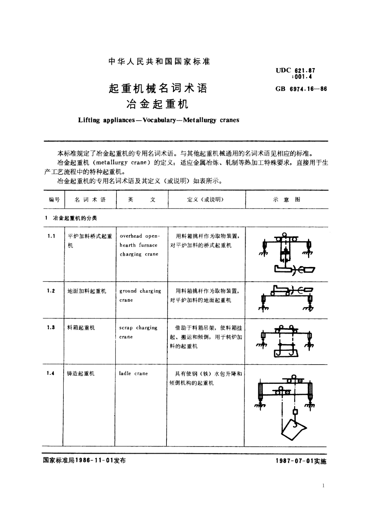
GB/T 6974.16-1986 起重机械名词术语 冶金起重机
GB/T 6974.16-1986 Lifting appliances—Vocabulary—Metallurgy cranes
国家标准
中文简体
被代替
页数:44页
|
格式:PDF
基本信息
标准号
GB/T 6974.16-1986
相关服务
仅限个人学习交流使用
标准类型
国家标准
标准状态
被代替
中国标准分类号(CCS)
J80 起重机械名词术语 冶金起重机
国际标准分类号(ICS)
53.020.20
发布日期
1986-11-01
实施日期
1987-07-01
发布单位/组织
国家标准局
归口单位
北京起重运输机械研究所
适用范围
-
发布历史
-
1987-07
文前页预览
免费预览已结束,剩余部分可下载查看
研制信息
- 起草单位:
- 北京起重运输机械研究所、长沙建筑机械研究所、交通部标准计量研究所
- 起草人:
- 渠慧敏
- 出版信息:
- 页数:44页 | 字数:81 千字 | 开本: 大16开
推荐标准
- YY 0710-2025 牙科学 聚合物基牙冠和贴面材料 2025-06-18
- GB/T 20626.3-2006 特殊环境条件 高原电工电子产品 第3部分:雷电、污秽、凝露的防护要求 2006-11-09
- GB/T 16284.4-1996 信息技术 文本通信 面向信报的文本交换系统 第4部分:抽象服务定义和规程 1996-04-10
- GB/T 20130-2006 自屏蔽电子束消毒灭菌装置 2006-03-02
- GB/T 4857.3-1992 包装 运输包装件 静载荷堆码试验方法 1992-04-04
- GB 19079.1-2013 体育场所开放条件与技术要求 第1部分:游泳场所 2013-10-10
- JJG 1170-2019 自动定量装车系统 2019-12-31
- GB 4715-2005 点型感烟火灾探测器 2005-09-01
- GB/T 4802.1-1997 纺织品 织物起球试验 圆轨迹法 1997-09-15
- FZ/T 92037-1995 P型齿链式无级变速器 1995-01-24
相似标准推荐
更多>- 1 GB/T 11546.2-2022 塑料 蠕变性能的测定 第2部分:三点弯曲蠕变
- 2 GB/T 3780.21-2006 炭黑 第21部分:橡胶配合剂筛余物的测定 水冲洗法
- 3 GB/T 19350-2003 金属和其他无机覆盖层为减少氢脆危险的涂覆后钢铁的处理
- 4 GB/T 4833.3-2008 多道分析器 第3部分:核谱测量直方图数据交换格式
- 5 WS/T 472-2015 口腔健康调查 检查方法
- 6 GB/T 8322-2008 分子吸收光谱法 术语
- 7 GB 4789.36-2016 食品安全国家标准 食品微生物学检验 大肠埃希氏菌O157:H7/NM检验
- 8 GB/T 8036-2009 焦化苯类产品颜色的测定方法
- 9 GB/T 22906.2-2008 纸芯的测定 第2部分:试样的温湿处理
- 10 GB/T 14598.6-1993 电气继电器 第十八部分:有或无通用继电器的尺寸

关闭预览
