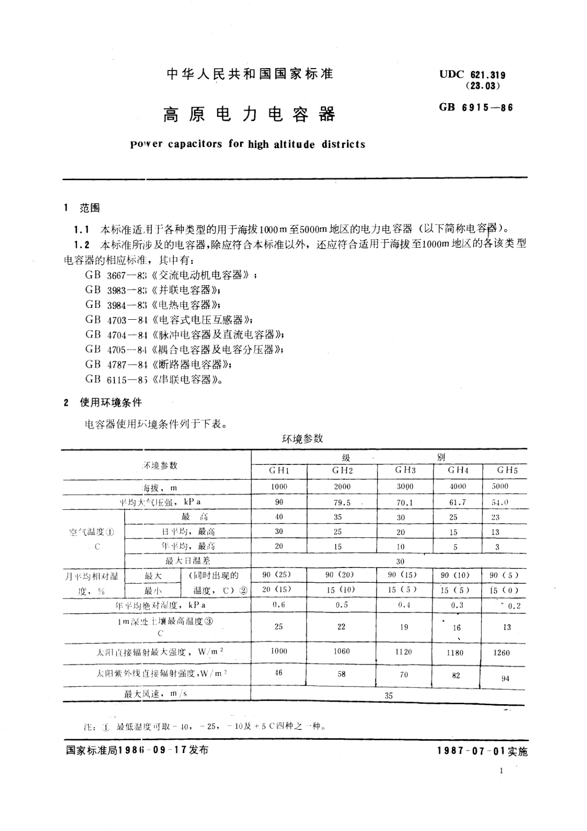
GB/T 6915-1986 高原电力电容器
GB/T 6915-1986 Power capacitors for high altitude districts
国家标准
中文简体
废止
页数:8页
|
格式:PDF
基本信息
标准号
GB/T 6915-1986
相关服务
仅限个人学习交流使用
标准类型
国家标准
标准状态
废止
中国标准分类号(CCS)
K48 高原电力电容器
国际标准分类号(ICS)
31.060.70
发布日期
1986-09-17
实施日期
1987-07-01
发布单位/组织
国家标准局
归口单位
全国电力电容器标准化技术委员会
适用范围
-
发布历史
-
1987-07
文前页预览
免费预览已结束,剩余部分可下载查看
研制信息
- 起草单位:
- 起草人:
- 王治生
- 出版信息:
- 页数:8页 | 字数:6 千字 | 开本: 大16开
推荐标准
- GB/T 30210-2013 飞机 高压空气充气阀 2013-12-31
- LY/T 2493-2015 林业数据整合改造指南 2015-10-19
- GB/T 20674.2-2020 塑料管材和管件 聚乙烯系统熔接设备 第2部分:电熔连接 2020-11-19
- GB/Z 41284-2022 信息无障碍 网站设计无障碍评级测试方法 2022-03-09
- GB/T 44416-2024 道路交通信息采集 道路交通安全提示预警信息集 2024-08-23
- GB/T 35669-2017 吡蚜酮可湿性粉剂 2017-12-29
- GB/T 43189-2023 核仪器仪表 闪烁体和闪烁探测器的命名(标识)以及闪烁体的标准尺寸 2023-11-27
- GB/T 10217-2021 电工控制设备造型设计导则 2021-10-11
- JJF 1261.5-2017 自动电饭锅能源效率计量检测规则 2017-09-26
- GB/T 34876-2017 真空技术 真空计 与标准真空计直接比较校准结果的不确定度评定 2017-11-01
相似标准推荐
更多>- 1 GB/T 14570-1993 辐射防护技术人员资格基本要求
- 2 JB/T 20194-2019 药用纯化水制备装置
- 3 LY/T 2154.2-2013 基于森林生态系统作用的工程设计审核导则 第2部分:森林采伐
- 4 GB/T 45823-2025 光伏单晶硅生长用石英坩埚高纯内层砂
- 5 GB/T 7757-1993 硫化橡胶或热塑性橡胶压缩应力应变性能的测定
- 6 GA/T 1925-2021 法庭科学 疑似毒品中2-甲基甲卡西酮等7种卡西酮类毒品检验 气相色谱和气相色谱-质谱法
- 7 GB/T 519-2017 充气轮胎物理性能试验方法
- 8 GB/T 23314-2009 领带
- 9 GB/T 36699-2018 锅炉用液体和气体燃料燃烧器技术条件
- 10 GB/T 15339-2008 橡胶配合剂 炭黑 在丁腈橡胶中的鉴定方法

关闭预览
