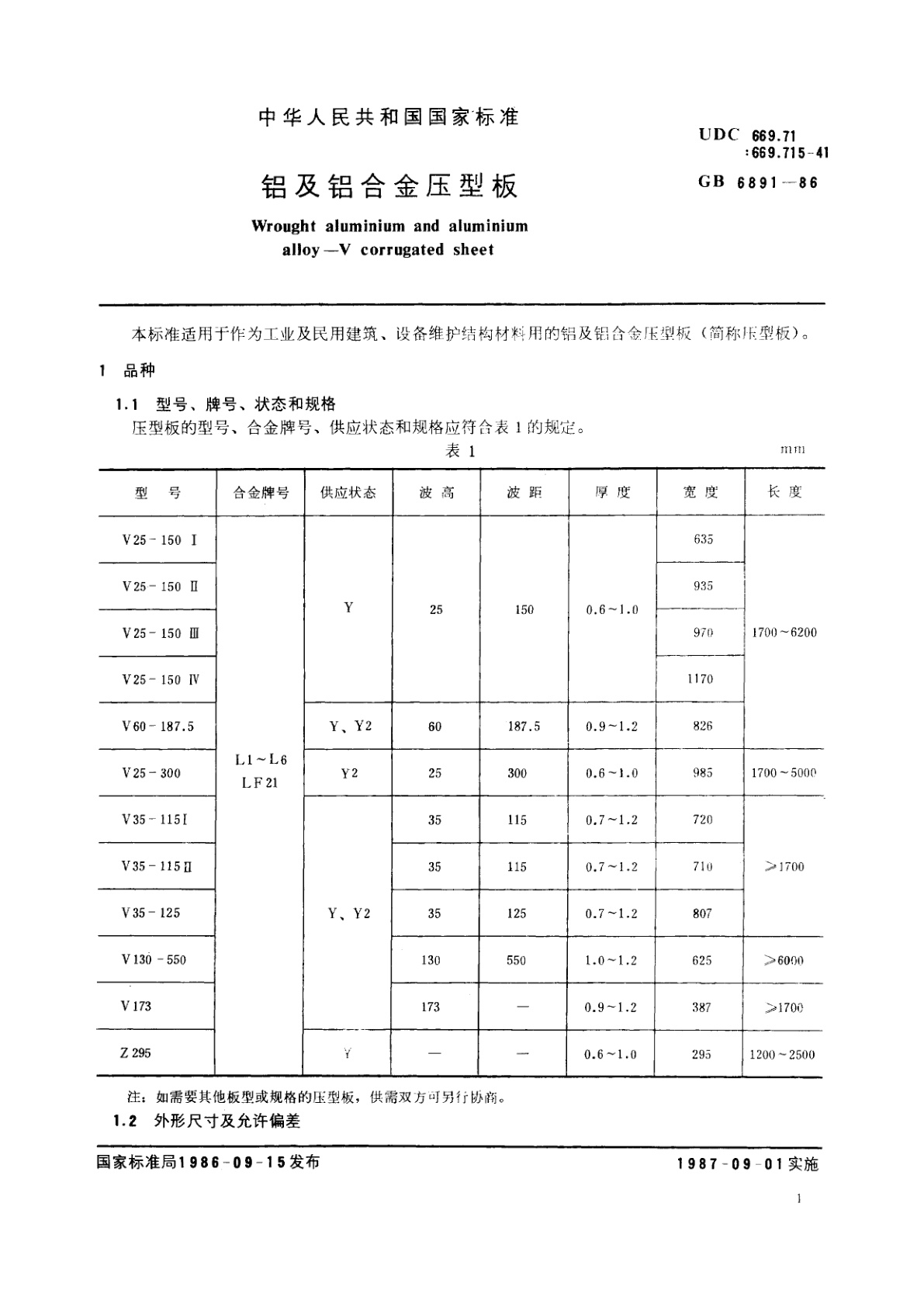
GB/T 6891-1986 铝及铝合金压型板
GB/T 6891-1986 Wrought aluminium and aluminium alloy—V corrugated sheet
国家标准
中文版
被代替
页数:8页
|
格式:PDF
基本信息
标准号
GB/T 6891-1986
相关服务
仅限个人学习交流使用
标准类型
国家标准
标准状态
被代替
中国标准分类号(CCS)
H61 铝及铝合金压型板
国际标准分类号(ICS)
77.120.10
发布日期
1986-09-15
实施日期
1987-09-01
发布单位/组织
国家标准局
归口单位
适用范围
-
发布历史
-
1987-09
文前页预览
免费预览已结束,剩余部分可下载查看
研制信息
- 起草单位:
- 起草人:
- 于静兰
- 出版信息:
- 页数:8页 | 字数:12 千字 | 开本: 大16开
推荐标准
- GB/T 28849-2012 SX系列实验用箱式电阻炉 2012-11-05
- GB/T 32921-2016 信息安全技术 信息技术产品供应方行为安全准则 2016-08-29
- GB/T 45915-2025 动力锂电池运输安全及多式联运技术要求 2025-08-01
- GB/T 24840-2018 1 000 kV交流系统用套管技术规范 2018-07-13
- GB/T 19981.1-2014 纺织品 织物和服装的专业维护、干洗和湿洗 第1部分:清洗和整烫后性能的评价 2014-12-31
- GB/T 26654-2011 汽车车轮用铸造镁合金 2011-06-16
- GB/T 18114.7-2010 稀土精矿化学分析方法 第7部分:氧化铁量的测定 重铬酸钾滴定法 2011-01-14
- GB/T 7674-2008 额定电压72.5 kV及以上气体绝缘金属封闭开关设备 2008-09-19
- GB/T 28827.6-2019 信息技术服务 运行维护 第6部分:应用系统服务要求 2019-08-30
- GB/T 41507-2022 增材制造 术语 坐标系和测试方法 2022-07-11
相似标准推荐
更多>- 1 GB/T 29265.404-2018 信息技术 信息设备资源共享协同服务 第404部分:远程访问管理应用框架
- 2 GB/T 45790.1-2025 地理信息 XML模式实现 第1部分:编码规则
- 3 GB 19453-2009 危险货物电石包装检验安全规范
- 4 GB 25550-2010 食品安全国家标准 食品添加剂 L-肉碱酒石酸盐
- 5 GB/T 9117-2010 带颈承插焊钢制管法兰
- 6 GB/T 16552-2003 珠宝玉石 名称
- 7 LY/T 1786-2008 活性炭单宁酸吸附值的测定方法
- 8 GB/T 39459-2020 国际贸易业务数据规范 检验检疫电子证书数据交换
- 9 GB/T 38799-2020 基于公用电信网的宽带客户网络设备安全技术要求 宽带客户网关
- 10 YS/T 728-2016 铝合金建筑型材用丙烯酸电泳涂料

关闭预览
