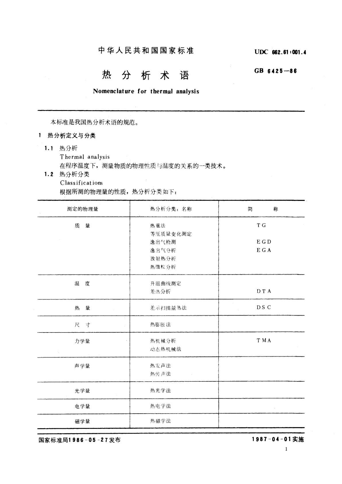
GB/T 6425-1986 热分析术语
GB/T 6425-1986 Nomenclature for thermal analysis
国家标准
中文版
被代替
页数:28页
|
格式:PDF
基本信息
标准号
GB/T 6425-1986
相关服务
仅限个人学习交流使用
标准类型
国家标准
标准状态
被代替
中国标准分类号(CCS)
F04 热分析术语
国际标准分类号(ICS)
27-010
发布日期
1986-05-27
实施日期
1987-04-01
发布单位/组织
国家标准局
归口单位
全国能源基础与管理标准化技术委员会
适用范围
-
发布历史
-
1987-04
文前页预览
免费预览已结束,剩余部分可下载查看
研制信息
- 起草单位:
- 航空工业部第六二一研究所、中国科学院长春应用化学研究所、上海市化学、化工学会热分析专业组、冶金工业部贵金属研究所、中国化学会物理化学专业委员会溶液化学、化学热力学、热化学、热分析专业组
- 起草人:
- 胡日恒、周福珍、刘振海、陈镜泓、刘雄
- 出版信息:
- 页数:28页 | 字数:46 千字 | 开本: 大16开
推荐标准
- YS/T 575.12-2007 铝土矿石化学分析方法 第12部分:五氧化二钒含量的测定 苯甲酰苯胲光度法 2007-11-14
- YY/T 1218-2013 促甲状腺素定量标记免疫分析试剂盒 2013-10-21
- GB 18030-2022 信息技术 中文编码字符集 2022-07-19
- LY/T 1528-2016 湿地松速生丰产林栽培技术规程 2016-07-27
- FZ/T 98004-2008 激振式纤维线密度仪 2008-03-12
- GB/T 12411-2006 黄、红麻纤维试验方法 2006-12-29
- GB/T 29573-2013 热带亚热带桑树栽培管理技术规程 2013-07-19
- GB/T 41234-2022 水生动物RNA病毒核酸检测参考物质质量控制规范 假病毒 2022-03-09
- GB/T 35302-2017 公共服务领域俄文译写规范 2017-12-29
- GB/T 18226-2025 公路交通工程钢构件防腐技术条件 2025-08-29
相似标准推荐
更多>- 1 GB/T 35643-2017 光学遥感测绘卫星影像产品元数据
- 2 GB/T 4957-2025 非磁性导电基体金属上非导电覆盖层 覆盖层厚度测量 振幅敏感涡流法
- 3 GB/T 25915.2-2021 洁净室及相关受控环境 第2部分:洁净室空气粒子浓度的监测
- 4 GB/T 32270-2015 压力管道规范 动力管道
- 5 GB/T 25895.3-2010 水域安全标志和沙滩安全旗 第3部分:使用原则与要求
- 6 GB/T 17664-2024 木炭
- 7 FZ/T 54039-2011 有光异形涤纶牵伸丝
- 8 GB/T 23595.5-2009 白光LED灯用稀土黄色荧光粉试验方法 第5部分:pH值的测定
- 9 NY/T 348-1999 节能烟叶初烤房标准图集
- 10 GB/T 34564.1-2017 冷作模具钢 第1部分:高韧性高耐磨性钢

关闭预览
