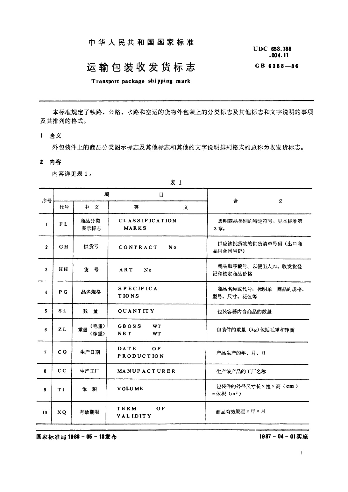
GB/T 6388-1986 运输包装收发货标志
GB/T 6388-1986 Transport package shipping mark
国家标准
中文简体
现行
页数:16页
|
格式:PDF
基本信息
标准号
GB/T 6388-1986
相关服务
仅限个人学习交流使用
标准类型
国家标准
标准状态
现行
中国标准分类号(CCS)
A80 运输包装收发货标志
国际标准分类号(ICS)
55.020
发布日期
1986-05-13
实施日期
1987-04-01
发布单位/组织
国家标准局
归口单位
适用范围
-
发布历史
-
1987-04
文前页预览
免费预览已结束,剩余部分可下载查看
研制信息
- 起草单位:
- 中华人民共和国商业部、中华人民共和国对外经济贸易部
- 起草人:
- 丁文民、陈大明、姚崇
- 出版信息:
- 页数:16页 | 字数:19 千字 | 开本: 大16开
推荐标准
- GB/T 41796-2022 商用车辆车道保持辅助系统性能要求及试验方法 2022-10-12
- GB/T 6150.11-2008 钨精矿化学分析方法 锌量的测定 火焰原子吸收光谱法 2008-03-31
- GB/T 24925-2010 低温阀门 技术条件 2010-08-09
- GB 13392-2023 道路运输危险货物车辆标志 2023-09-08
- GB/T 12439-1990 震源导爆索 1990-07-21
- GB/T 46210-2025 项目成本管理指南 2025-10-05
- GB/T 13215-1991 咸羊肉罐头 1991-09-14
- GB/T 18015.21-2007 数字通信用对绞或星绞多芯对称电缆 第21部分:水平层布线电缆 空白详细规范 2007-01-23
- FZ/T 01143-2018 涂层织物 低温耐折性能试验方法 2018-10-22
- GB/T 16484.23-2009 氯化稀土、碳酸轻稀土化学分析方法 第23部分:碳酸轻稀土中酸不溶物量的测定 重量法 2009-10-30
相似标准推荐
更多>- 1 MT 235-1991 立井多绳罐笼 平衡锤
- 2 GB/T 15120.9-2019 识别卡 记录技术 第9部分:触觉标识符标记
- 3 GB/T 38118-2019 地表水快速检测移动实验室通用技术规范
- 4 GB/T 40681.6-2021 生产过程能力和性能监测统计方法 第6部分:多元正态过程能力分析
- 5 GB/T 15104-2021 装饰单板贴面人造板
- 6 GB/T 29283-2012 水转移印花底纸
- 7 GB/T 17362-1998 黄金饰品的扫描电镜X射线能谱分析方法
- 8 GB 4789.15-2016 食品安全国家标准 食品微生物学检验 霉菌和酵母计数
- 9 GB/T 325.4-2015 包装容器 钢桶第4部分:200 L及以下全开口钢桶
- 10 GB 7956.23-2019 消防车 第23部分:供气消防车

关闭预览
