GB/T 6232-2021 农林拖拉机和机械 车轮在轮毂上安装尺寸
GB/T 6232-2021 Tractors and machinery for agriculture and forestry—Wheel-to-hub fixing dimensions
国家标准
中文简体
现行
页数:12页
|
格式:PDF
基本信息
标准号
GB/T 6232-2021
相关服务
仅限个人学习交流使用
标准类型
国家标准
标准状态
现行
中国标准分类号(CCS)
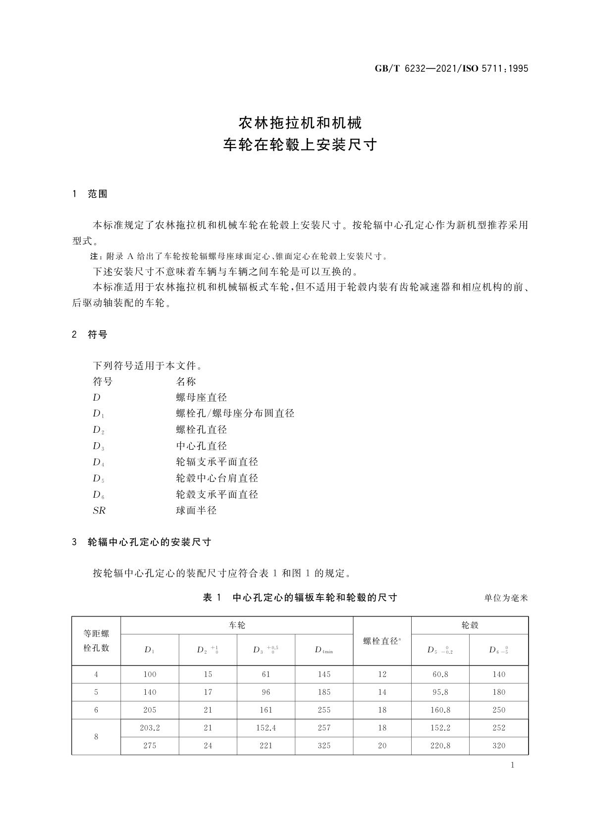
T64 农林拖拉机和机械 车轮在轮毂上安装尺寸
国际标准分类号(ICS)
65.060.10
发布日期
2021-04-30
实施日期
2021-11-01
发布单位/组织
国家市场监督管理总局、国家标准化管理委员会
归口单位
全国拖拉机标准化技术委员会(SAC/TC 140)
适用范围
-
发布历史
-
1999-07
-
2021-11
文前页预览
免费预览已结束,剩余部分可下载查看
研制信息
- 起草单位:
- 洛阳西苑车辆与动力检验所有限公司、合肥市富园汽车改装有限公司、佳木斯骥驰拖拉机制造有限公司、常州东风农机集团有限公司
- 起草人:
- 李京忠、焦长傲、吕峰、邹瑛杰、锁景坤、刘本虎、翟国庆、朱国元、尚项绳
- 出版信息:
- 页数:12页 | 字数:12 千字 | 开本: 大16开
推荐标准
- GB/T 12224-2015 钢制阀门 一般要求 2015-12-10
- GB/T 24930-2010 全地形车燃油箱安全性能要求和试验方法 2010-08-09
- GB 1886.41-2015 食品安全国家标准 食品添加剂 黄原胶 2015-09-22
- YY/T 0106-2004 医用诊断X射线机通用技术条件 2004-11-08
- RB/T 043-2020 检验检测机构管理和技术能力评价 建设工程检验检测要求 2020-08-26
- GB/T 44257.2-2024 电动土方机械用动力电池 第2部分:电性能要求 2024-07-24
- GB/T 45580-2025 液体危险货物道路运输金属可移动罐柜安全技术要求 2025-04-25
- GB 31604.6-2016 食品安全国家标准 食品接触材料及制品树脂中灼烧残渣的测定 2016-08-31
- GB/T 28840-2012 乡(镇)村商业零售店经营规范 2012-11-05
- GB/T 24338.4-2018 轨道交通 电磁兼容 第3-2部分:机车车辆 设备 2018-06-07
相似标准推荐
更多>- 1 GB/T 33740-2017 手机支付 基于2.45 GHz RCC(限域通信)技术的非接触射频接口测试方法
- 2 GB/T 35321-2017 多声道数字音频编解码技术一致性测试方法
- 3 GB/T 5800.2-2012 滚动轴承 仪器用精密轴承 第2部分:英制系列轴承的外形尺寸、公差和特性
- 4 GB/T 34981.2-2017 机构编制统计及实名制管理系统数据规范 第2部分:代码集
- 5 GB/T 1410-2006 固体绝缘材料体积电阻率和表面电阻率试验方法
- 6 GB/T 30944-2014 小水电电网电能损耗计算导则
- 7 GB/T 13747.8-1992 锆及锆合金化学分析方法 亚硝基R盐分光光度法测定钴量
- 8 GB/T 17286.3-2010 液态烃动态测量 体积计量流量计检定系统 第3部分:脉冲插入技术
- 9 GM/T 0068-2019 开放的第三方资源授权协议框架
- 10 GB/T 16422.2-2022 塑料 实验室光源暴露试验方法 第2部分:氙弧灯

关闭预览
