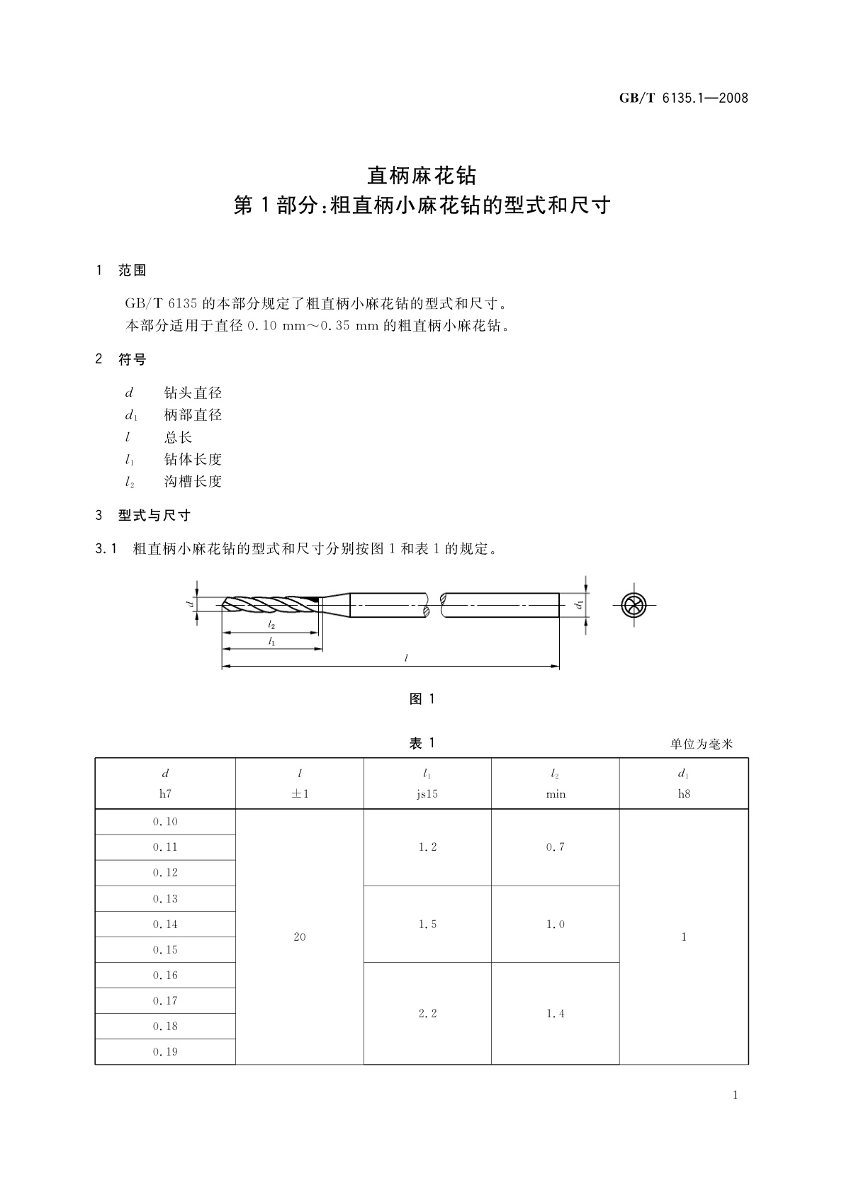
GB/T 6135.1-2008 直柄麻花钻 第1部分:粗直柄小麻花钻的型式和尺寸
GB/T 6135.1-2008 Parallel shank twist drills—Part 1:The types and dimensions for small type twist drills with oversize parallel shank
国家标准
中文简体
现行
页数:8页
|
格式:PDF
基本信息
标准号
GB/T 6135.1-2008
相关服务
仅限个人学习交流使用
标准类型
国家标准
标准状态
现行
中国标准分类号(CCS)
J41 直柄麻花钻 第1部分:粗直柄小麻花钻的型式和尺寸
国际标准分类号(ICS)
25.100.30
发布日期
2008-11-04
实施日期
2009-04-01
发布单位/组织
中华人民共和国国家质量监督检验检疫总局、中国国家标准化管理委员会
归口单位
全国刀具标准化技术委员会(SAC/TC 91)
适用范围
-
发布历史
-
1997-02
-
2009-04
文前页预览
免费预览已结束,剩余部分可下载查看
研制信息
- 起草单位:
- 成都工具研究所、上海工具厂有限公司
- 起草人:
- 曾宇环、邓智光、励政伟、陈丽萍
- 出版信息:
- 页数:8页 | 字数:5 千字 | 开本: 大16开
推荐标准
- GB/T 26599.1-2011 激光和激光相关设备 激光光束宽度、发散角和光束传输比的试验方法 第1部分:无像散和简单像散光束 2011-06-16
- YY 1296-2016 光学和光子学 手术显微镜 眼科用手术显微镜的光危害 2016-03-23
- JG 3036-1996 混凝土试验用搅拌机 1996-11-04
- GB/T 230.3-2022 金属材料 洛氏硬度试验 第3部分:标准硬度块的标定 2022-07-11
- GB 14883.8-2016 食品安全国家标准 食品中放射性物质钚-239、钚-240的测定 2016-08-31
- GB/T 10664-2003 涂料印花色浆 色光、着色力及颗粒细度的测定 2003-10-09
- GB/T 11858-2008 伏特加(俄得克) 2008-10-19
- GB/T 7286.1-1987 金属与非金属材料全法向发射率试验方法 1987-02-21
- GB/T 43396-2023 感官分析 产品感官宣称证实导则 2023-11-27
- GB/T 32904-2016 软件质量量化评价规范 2016-08-29
相似标准推荐
更多>- 1 GB/T 19557.2-2004 植物新品种特异性、一致性和稳定性测试指南 普通小麦
- 2 YB/T 190.8-2001 连铸保护渣化学分析方法 邻菲啰啉分光光度法和火焰原子吸收光谱法测定铁含量
- 3 GB/T 4686-1984 插齿机精度
- 4 GB/T 13277-1991 一般用压缩空气质量等级
- 5 GB 10408.5-2000 入侵探测器 第5部分:室内用被动红外探测器
- 6 GB 1887-2007 食品添加剂 碳酸氢钠
- 7 GB/T 17624.1-1998 电磁兼容 综述 电磁兼容基本术语和定义的应用与解释
- 8 GB/T 4706.40-2024 家用和类似用途电器的安全 第40部分:商用多用途电平锅的特殊要求
- 9 JJF 1357-2012 湿式气体流量计校准规范
- 10 GA/T 2000.274-2019 公安信息代码 第274部分:区域触发行为类型代码

关闭预览
