GB/T 6117.3-2010 立铣刀 第3部分:7∶24锥柄立铣刀
GB/T 6117.3-2010 End mills—Part 3:Milling cutters with 7∶24 taper shanks
国家标准
中文简体
现行
页数:8页
|
格式:PDF
基本信息
标准号
GB/T 6117.3-2010
相关服务
仅限个人学习交流使用
标准类型
国家标准
标准状态
现行
中国标准分类号(CCS)
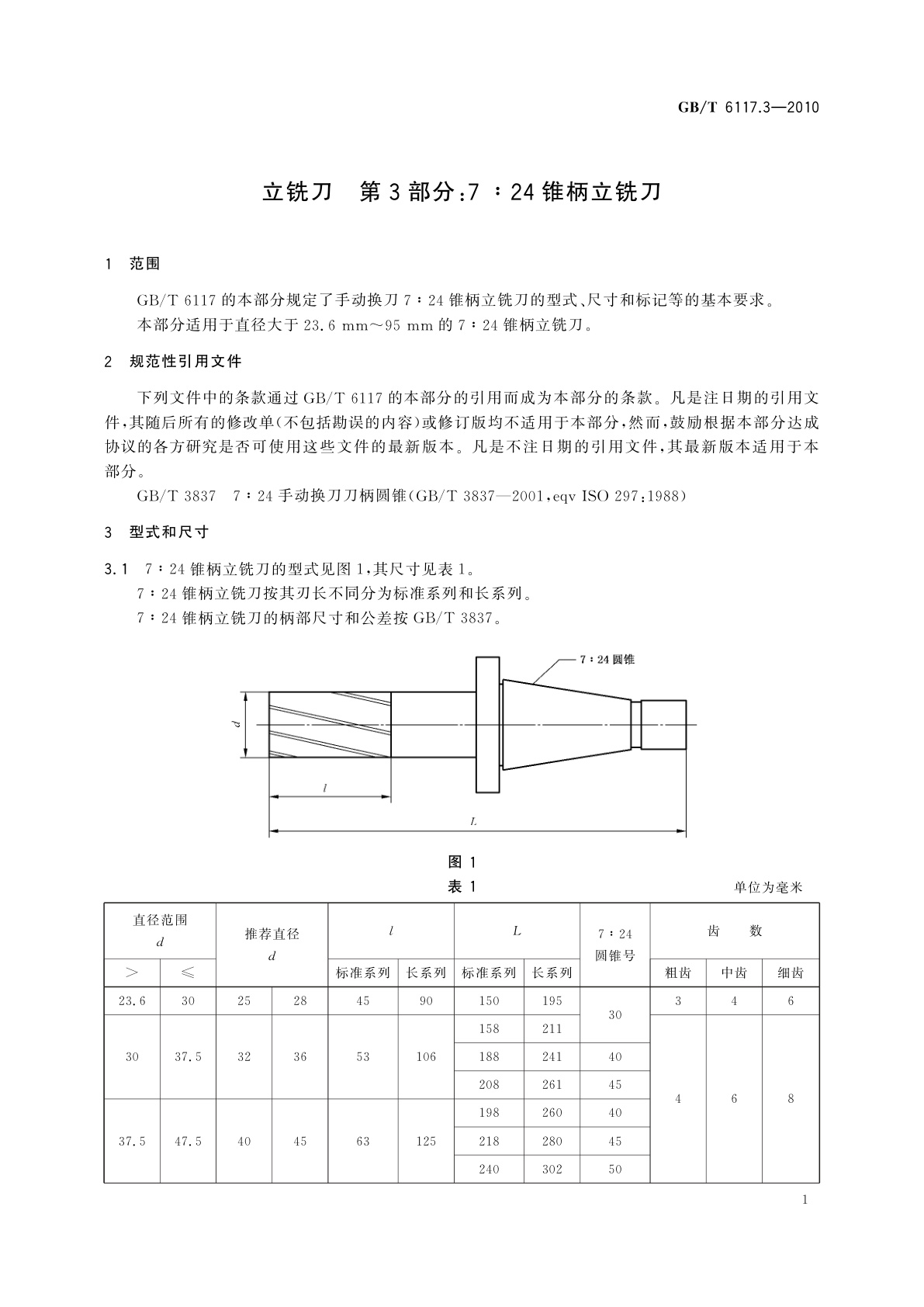
J41 立铣刀 第3部分:7∶24锥柄立铣刀
国际标准分类号(ICS)
25.100.20
发布日期
2010-11-10
实施日期
2011-03-01
发布单位/组织
中华人民共和国国家质量监督检验检疫总局、中国国家标准化管理委员会
归口单位
全国刀具标准化技术委员会(SAC/TC 91)
适用范围
-
发布历史
-
1997-02
-
2011-03
文前页预览
免费预览已结束,剩余部分可下载查看
研制信息
- 起草单位:
- 成都成量工具集团有限公司、成都工具研究所、上海工具厂有限公司
- 起草人:
- 赵庆、严松波、黄华新、查国兵、励政伟、张红
- 出版信息:
- 页数:8页 | 字数:5 千字 | 开本: 大16开
推荐标准
- NY 618-2002 多·福悬浮种衣剂 2002-12-30
- GB/T 34606-2017 建筑围护结构整体节能性能评价方法 2017-10-14
- CJ/T 511-2017 铸铁检查井盖 2017-03-20
- GB/T 28712.6-2012 热交换器型式与基本参数 第6部分:空冷式热交换器 2012-09-03
- GB/T 37977.46-2024 静电学 第4-6部分:特定应用中的标准试验方法 腕带 2024-08-23
- GB/T 8190.6-2006 往复式内燃机 排放测量 第6部分:测量结果和试验报告 2006-12-28
- GB 1886.179-2016 食品安全国家标准 食品添加剂 硬脂酰乳酸钙 2016-08-31
- GB/T 37869.11-2019 玻璃容器 真空凸缘瓶口 第11部分:六旋82普通规格 2019-10-18
- GB/T 8654.5-1988 金属锰化学分析方法 钼蓝光度法测定磷量 1988-01-18
- GB/T 9347-1988 氯乙烯-乙酸乙烯酯共聚物中乙酸乙烯酯的测定方法 1988-05-13
相似标准推荐
更多>- 1 GB 14391-2021 卫星紧急无线电示位标性能要求
- 2 LY/T 2272-2014 中国森林认证 人工林经营
- 3 GB/T 2467-2008 硫铁矿和硫精矿中铅含量的测定 火焰原子吸收光谱法和EDTA容量法
- 4 GB/T 18147.4-2000 大麻纤维试验方法 第4部分:细度试验方法
- 5 GB/T 25138-2024 检定铸造粘结剂用标准硅砂
- 6 YS/T 360.3-2011 钛铁矿精矿化学分析方法 第3部分:氧化亚铁量的测定 重铬酸钾滴定法
- 7 GB/T 22055-2022 显微镜 成像部件的连接尺寸
- 8 GA 802-2019 道路交通管理 机动车类型
- 9 GB/T 7269-2008 电子设备控制台的布局、型式和基本尺寸
- 10 GB/T 44276.1-2024 显微镜 盖玻片 第1部分:尺寸偏差、厚度和光学特性

关闭预览
