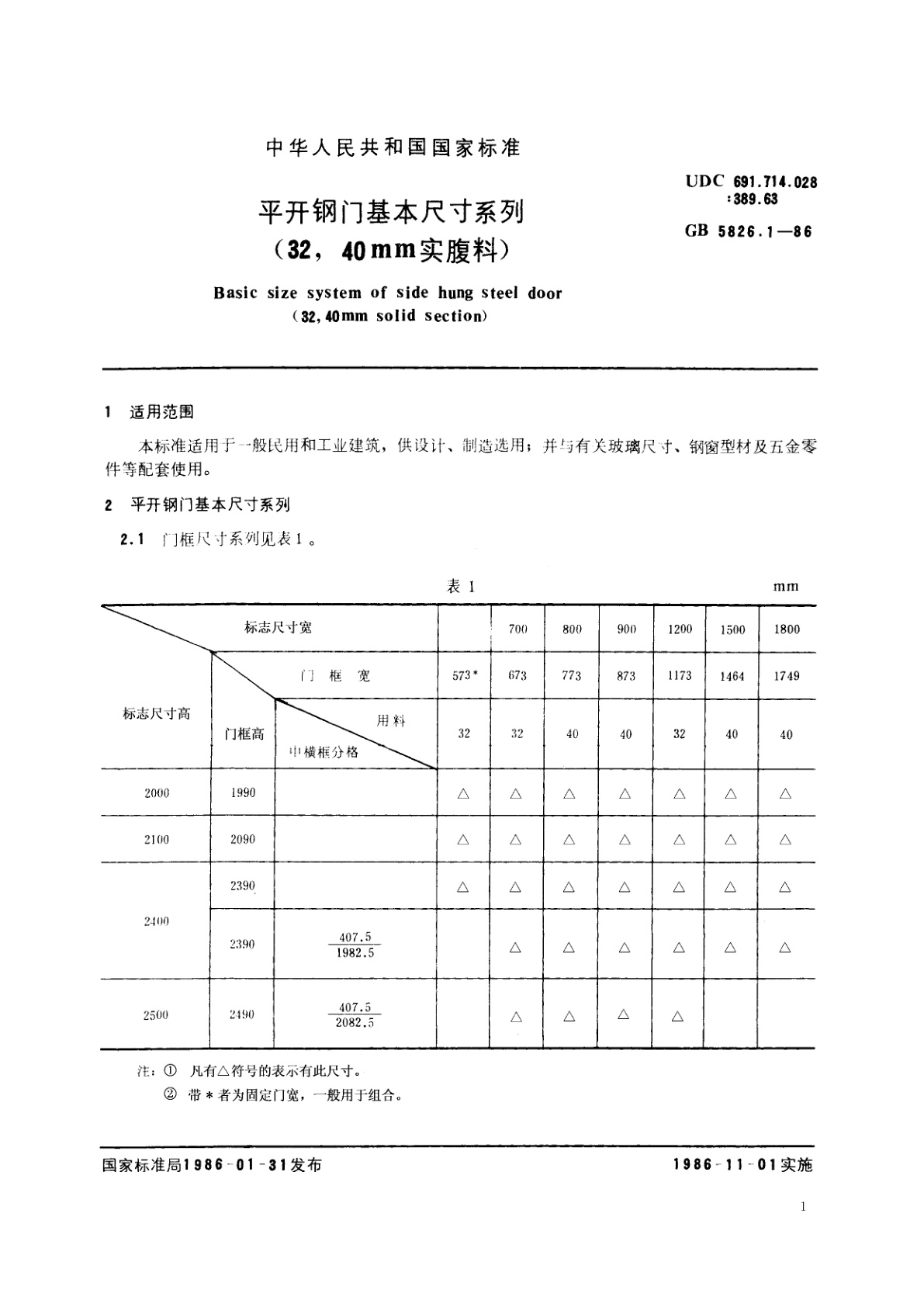
GB/T 5826.1-1986 平开钢门基本尺寸系列 (32,40mm实腹料)
GB/T 5826.1-1986 Basic size system of side hung steel door ( 32, 40mm solid section)
国家标准
中文版
被代替
页数:8页
|
格式:PDF
基本信息
标准号
GB/T 5826.1-1986
相关服务
仅限个人学习交流使用
标准类型
国家标准
标准状态
被代替
中国标准分类号(CCS)
Q70 平开钢门基本尺寸系列 (32,40mm实腹料)
国际标准分类号(ICS)
91.060.50
发布日期
1986-01-31
实施日期
1986-11-01
发布单位/组织
国家标准局
归口单位
中国建筑技术发展中心中国建筑标准设计研究所
适用范围
-
发布历史
-
1986-11
文前页预览
免费预览已结束,剩余部分可下载查看
研制信息
- 起草单位:
- 上海玻璃机械厂、机械工业部第一设计研究院
- 起草人:
- 张赛珍、王时庆
- 出版信息:
- 页数:8页 | 字数:6 千字 | 开本: 大16开
推荐标准
- GB 4706.13-2004 家用和类似用途电器的安全 制冷器具、冰淇淋机和制冰机的特殊要求 2004-05-10
- GB/T 20501.3-2006 公共信息导向系统 要素的设计原则与要求 第3部分:平面示意图和信息板 2006-08-04
- GB/T 38835-2020 工业机器人 生命周期对环境影响评价方法 2020-06-02
- GB/T 7702.13-1997 煤质颗粒活性炭试验方法 四氯化碳吸附率的测定 1997-12-03
- GB/T 24311-2009 组合式包装箱用胶合板 2009-09-30
- GB/T 45170-2024 即食海带制品质量通则 2024-12-31
- GB 4789.42-2025 食品安全国家标准 食品微生物学检验 诺如病毒检验 2025-03-16
- GB 16926-1997 交流高压负荷开关—熔断器组合电器 1997-07-28
- GB/T 14910-1994 滑动轴承 厚壁多层轴承衬背技术要求 1994-02-21
- GB/T 19915.1-2005 猪链球菌2型平板和试管凝集试验操作规程 2005-09-27
相似标准推荐
更多>- 1 GB/T 4169.16-2006 塑料注射模零件 第16部分:带肩推杆
- 2 JJF 2207-2025 医用空气系统校准规范
- 3 FZ/T 60028-2007 缝纫线可缝性试验专用棉带
- 4 GB/T 15568-1995 通用型片状模塑料(SMC)
- 5 GB/T 36797-2018 装修防开裂用环氧树脂接缝胶
- 6 GB/T 12453-1990 信息处理系统 开放系统互连 运输服务定义
- 7 GB/T 42458-2023 智慧城市 突发公共卫生事件数据有效利用评估指南
- 8 GB/T 1252-1989 图形符号 箭头及其应用
- 9 GB/T 11147-2025 沥青取样法
- 10 GB/T 35680-2017 液体材料微波频段使用开口同轴探头的电磁参数测量方法

关闭预览
