GB/T 5371-2004 极限与配合 过盈配合的计算和选用
GB/T 5371-2004 Limits and fits—The calculation and selection of interference fits
国家标准
中文简体
现行
页数:20页
|
格式:PDF
基本信息
标准号
GB/T 5371-2004
相关服务
仅限个人学习交流使用
标准类型
国家标准
标准状态
现行
中国标准分类号(CCS)
J04 极限与配合 过盈配合的计算和选用
国际标准分类号(ICS)
17.040.10
发布日期
2004-11-11
实施日期
2005-07-01
发布单位/组织
中华人民共和国国家质量监督检验检疫总局、中国国家标准化管理委员会
归口单位
全国产品尺寸和几何技术规范标准化技术委员会
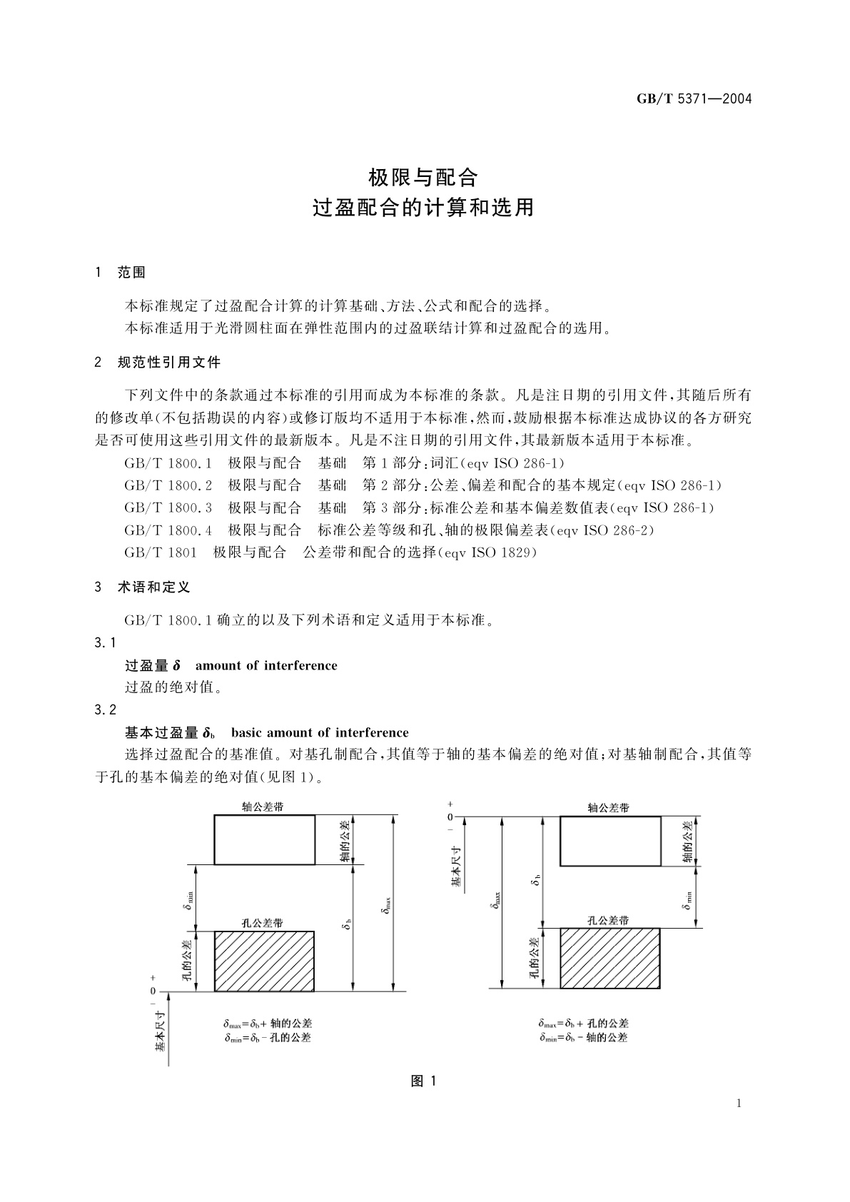
适用范围
-
发布历史
-
2005-07
文前页预览
免费预览已结束,剩余部分可下载查看
研制信息
- 起草单位:
- 机械科学研究院、大同电力机车有限责任公司
- 起草人:
- 李晓沛、张惠山
- 出版信息:
- 页数:20页 | 字数:26 千字 | 开本: 大16开
推荐标准
- GB/T 8803-2001 注射成型硬质聚氯乙烯(PVC-U)、氯化聚氯乙烯(PVC-C)、丙烯腈-丁二烯-苯乙烯三元共聚物(ABS)和丙烯腈-苯乙烯-丙烯酸盐三元共聚物(ASA)管件 热烘箱试验方法 2001-10-24
- YS/T 118.16-2012 重有色冶金炉窑热平衡测定与计算方法(铜闪速炉) 2012-12-28
- YB/T 109.7-1997 硅钡合金化学分析方法红外线吸收法测定硫量 1997-02-19
- CJ/T 463-2014 薄壁不锈钢承插压合式管件 2014-09-29
- GB/T 10001.9-2008 标志用公共信息图形符号 第9部分:无障碍设施符号 2008-07-16
- GB 7101-2022 食品安全国家标准 饮料 2022-06-30
- GB/T 24975.6-2010 低压电器环境设计导则 第6部分:按钮信号灯 2010-08-09
- GB/T 43993-2024 城市公共设施 电子围网系统 运行规范 2024-04-25
- GB/T 18241.3-2000 橡胶衬里 第3部分:浮选机衬里 2000-10-27
- GB/T 46729-2025 纺织品 智能纺织品 术语和分类 2025-10-31
相似标准推荐
更多>- 1 GB/T 38230-2019 坠落防护 缓降装置
- 2 GB/T 39095-2020 航空航天 液压流体零部件 颗粒污染度等级的表述
- 3 GB/T 42668-2023 钐铁氮粘结永磁粉
- 4 GB/T 18376.3-2015 硬质合金牌号 第3部分:耐磨零件用硬质合金牌号
- 5 GB/T 14506.29-2010 硅酸盐岩石化学分析方法 第29部分:稀土等22个元素量测定
- 6 GB/T 5095.2506-2020 电子设备用机电元件 基本试验规程及测量方法 第25-6部分:试验25f:眼图和抖动
- 7 YS/T 248.6-2007 粗铅化学分析方法 金量和银量的测定 火试金法
- 8 GB/T 10686-2013 铜合金工具防爆性能试验方法
- 9 GB 21340-2013 平板玻璃单位产品能源消耗限额
- 10 GB/T 13276-1991 容积式空气压缩机进气滤清消声器

关闭预览
