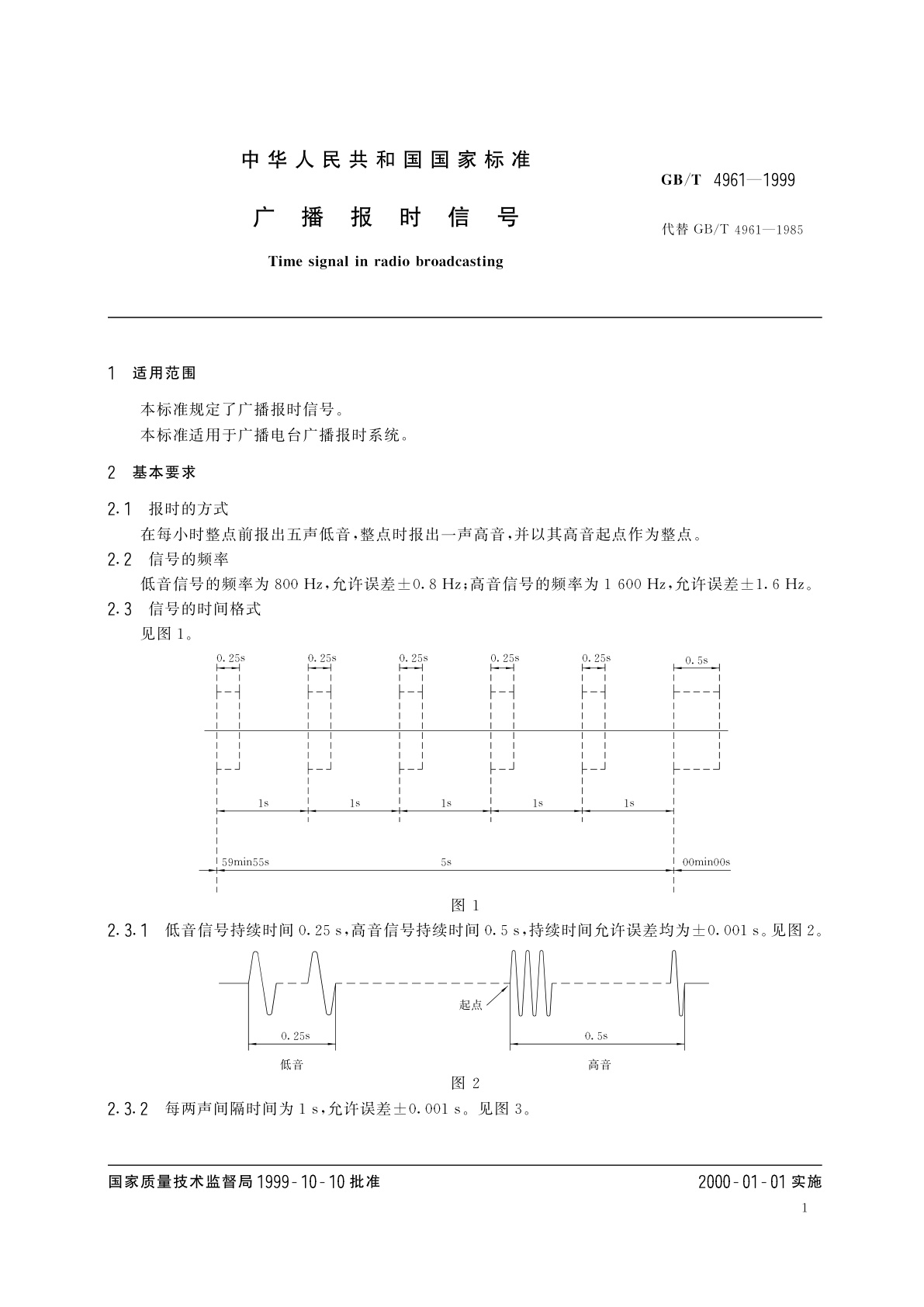
GB/T 4961-1999 广播报时信号
GB/T 4961-1999 Time signal in radio broadcasting
国家标准
中文简体
现行
页数:8页
|
格式:PDF
基本信息
标准号
GB/T 4961-1999
相关服务
仅限个人学习交流使用
标准类型
国家标准
标准状态
现行
中国标准分类号(CCS)
M70 广播报时信号
国际标准分类号(ICS)
33.160
发布日期
1999-10-10
实施日期
2000-01-01
发布单位/组织
国家质量技术监督局
归口单位
中华人民共和国广播电影电视总局标准化规划研究所
适用范围
-
发布历史
-
2000-01
文前页预览
免费预览已结束,剩余部分可下载查看
研制信息
- 起草单位:
- 中国国际广播电台、中央人民广播电台、青岛市广播电视科学研究所、哈尔滨正达电子工程公司
- 起草人:
- 王泽祥、欧阳铭、隋志国、许正中、魏敏华
- 出版信息:
- 页数:8页 | 字数:6 千字 | 开本: 大16开
推荐标准
- GB/T 18771.4-2015 烟草术语 第4部分: 品质评价和检测 2015-07-03
- GB/T 26949.8-2016 工业车辆 稳定性验证 第8部分:在门架前倾和载荷起升条件下堆垛作业的附加稳定性试验 2016-10-13
- FZ/T 10006-2017 本色布棉结杂质疵点格率检验方法 2017-11-07
- GB/T 36617-2018 数字影院质量 银幕亮度、色度和均匀度 2018-09-17
- GB/T 15761-1995 2×600MW压水堆核电厂核岛系统设计建造规范 1995-12-08
- GB/T 15121.4-1996 信息技术 计算机图形 存储和传送图片描述信息的元文卷 第四部分:清晰正文编码 1996-12-17
- GA/T 1393-2017 信息安全技术 主机安全加固系统安全技术要求 2017-04-19
- YY/T 1418-2016 眼科光学和仪器 人眼像差表述 2016-01-26
- LY/T 2175-2013 林业信息图示表达规则和方法 2013-10-17
- GB/T 14926.46-2008 实验动物 钩端螺旋体检测方法 2008-12-03
相似标准推荐
更多>- 1 GB/T 21407-2015 双馈式变速恒频风力发电机组
- 2 GB/T 16832-1997 格式设计 基本样式
- 3 GB/T 5318-1985 烧结金属材料(不包括硬质合金) 无切口冲击试样
- 4 GB/T 15310.2-1994 外贸出口单证格式 装箱单
- 5 GB/T 32412-2015 信息技术 维吾尔文、哈萨克文、柯尔克孜文特定功能符与引用功能符
- 6 RB/T 038-2020 食品微生物检测结果质量监控指南
- 7 JJG 809-1993 数字式石英晶体测温仪
- 8 GB 25572-2010 食品安全国家标准 食品添加剂 氢氧化钙
- 9 GB/T 14625.5-2008 篮球、足球、排球、手球试验方法 第5部分:圆周长、圆周差的测量
- 10 GB/T 4880.3-2009 语种名称代码 第3部分:所有语种的3字母代码

关闭预览
