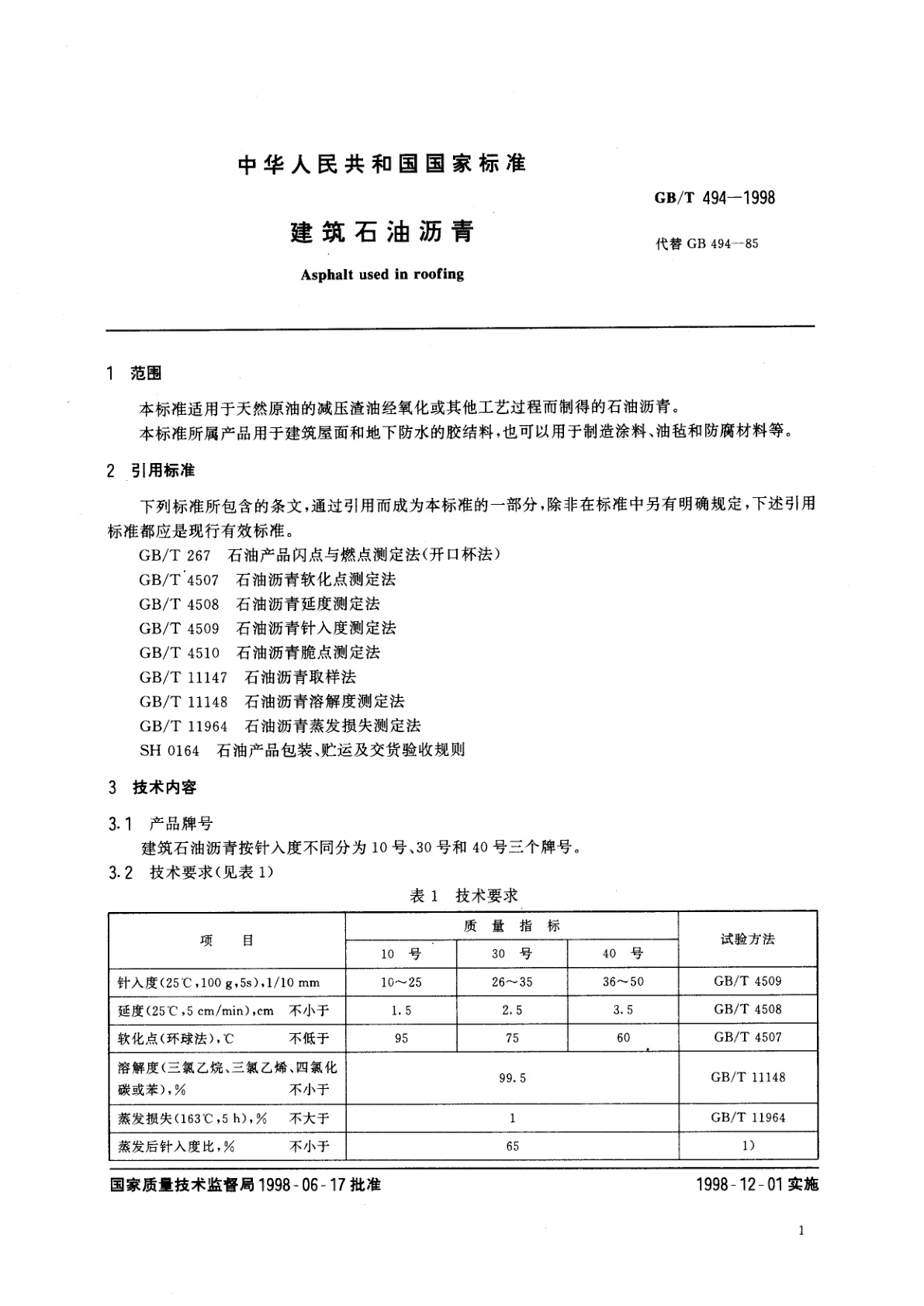
GB/T 494-1998 建筑石油沥青
GB/T 494-1998 Asphalt used in roofing
国家标准
中文简体
被代替
页数:8页
|
格式:PDF
基本信息
标准号
GB/T 494-1998
相关服务
仅限个人学习交流使用
标准类型
国家标准
标准状态
被代替
中国标准分类号(CCS)
E43 建筑石油沥青
国际标准分类号(ICS)
75.140
发布日期
1998-06-17
实施日期
1998-12-01
发布单位/组织
国家质量技术监督局
归口单位
石油大学(华东)技术
适用范围
-
发布历史
-
1998-12
文前页预览
免费预览已结束,剩余部分可下载查看
研制信息
- 起草单位:
- 茂名石油化工公司炼油厂和石油大学(华东)重质油研究所
- 起草人:
- 王克之、张昌祥
- 出版信息:
- 页数:8页 | 字数:5 千字 | 开本: 大16开
推荐标准
- GB/T 7438-1987 国家通信网用户电报及低速数据编号 1987-03-16
- GB/T 34441-2017 软体家具 床垫燃烧性能的评价 2017-10-14
- GB/T 2576-1989 纤维增强塑料树脂不可溶分含量试验方法 1989-03-31
- GB/T 21561.1-2008 轨道交通 机车车辆受电弓特性和试验 第1部分:干线机车车辆受电弓 2008-03-24
- GB/T 3741.1-1983 卡套式端三通管接头 1983-06-17
- GB/T 3810.6-2006 陶瓷砖试验方法 第6部分:无釉砖耐磨深度的测定 2006-02-07
- GB/T 30861-2014 太阳能电池用锗衬底片 2014-07-24
- GB/T 45434.2-2025 中国标准时间 第2部分:元数据 2025-03-28
- GB/T 17215.322-2008 交流电测量设备 特殊要求 第22部分:静止式有功电能表(0.2S级和0.5S级) 2008-06-30
- GB/T 8151.18-2012 锌精矿化学分析方法 第18部分:锌量的测定 离子交换-Na2EDTA滴定法 2012-12-31
相似标准推荐
更多>- 1 GB/T 27877-2011 液化石油气汽车维护技术规范
- 2 GB/T 36402-2018 陶瓷材料的热分析-质谱联用测试方法
- 3 GB/T 25123.1-2018 电力牵引 轨道机车车辆和公路车辆用旋转电机 第1部分:除电子变流器供电的交流电动机之外的电机
- 4 GB/T 25516-2010 声学 管道消声器和风道末端单元的实验室测量方法 插入损失、气流噪声和全压损失
- 5 GB/T 12736-1991 输送带机械接头强度的测定 静态试验方法
- 6 GA/T 2156.2-2024 公安交通管理软件质量要求和检验方法 第2部分:嵌入式软件
- 7 GB/T 14701-2002 饲料中维生素B2的测定
- 8 GB 15563-1995 震源药柱
- 9 YS/T 3008-2012 燃油(柴油)加热活性炭再生工艺能源消耗限额
- 10 SC/T 2006-2001 牙鲆配合饲料

关闭预览
