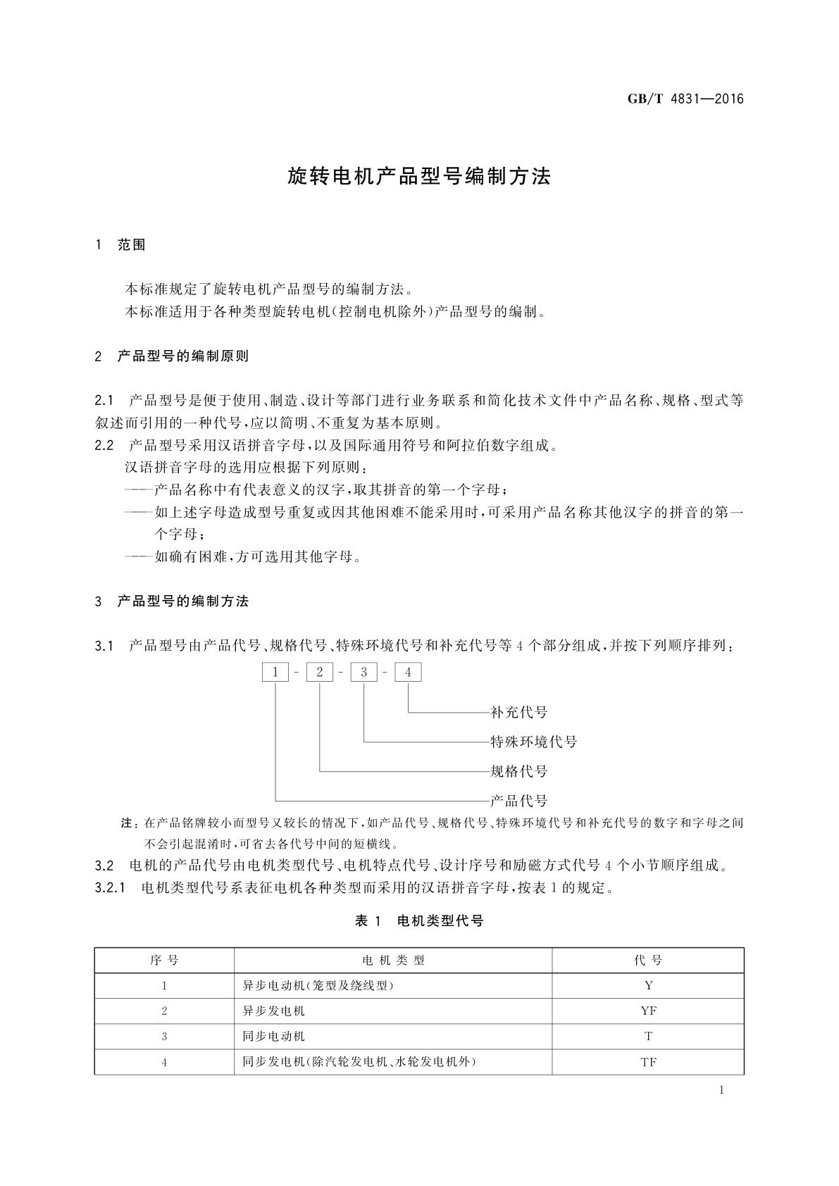
GB/T 4831-2016 旋转电机产品型号编制方法
GB/T 4831-2016 Specification for model of rotating electrical motor
国家标准
中文简体
现行
页数:24页
|
格式:PDF
基本信息
标准号
GB/T 4831-2016
相关服务
仅限个人学习交流使用
标准类型
国家标准
标准状态
现行
中国标准分类号(CCS)
K20 旋转电机产品型号编制方法
国际标准分类号(ICS)
29.160.01
发布日期
2016-02-24
实施日期
2016-09-01
发布单位/组织
中华人民共和国国家质量监督检验检疫总局、中国国家标准化管理委员会
归口单位
全国旋转电机标准化技术委员会(SAC/TC 26)
适用范围
-
发布历史
-
1985-05
-
2016-09
文前页预览
免费预览已结束,剩余部分可下载查看
研制信息
- 起草单位:
- 上海电器科学研究所(集团)有限公司、上海电机系统节能工程技术研究中心有限公司、无锡市中达电机有限公司、浙江金龙电机股份有限公司、合肥恒大江海泵业股份有限公司、威海泰富西玛电机有限公司、浙江特种电机有限公司、山东华力电机集团股份有限公司、上海德驱驰电气有限公司、西门子(中国)有限公司
- 起草人:
- 黄磊、李秀英、范乐平、金惟伟、叶叶、徐立基、宋青、吴妍、王庆东、陈仙根、孙保启
- 出版信息:
- 页数:24页 | 字数:36 千字 | 开本: 大16开
推荐标准
- GB/T 19747-2025 金属和合金的腐蚀 双金属大气暴露腐蚀评定 2025-06-30
- GB 10213-2006 一次性使用医用橡胶检查手套 2006-03-14
- GB/T 26784-2011 建筑构件耐火试验 可供选择和附加的试验程序 2011-07-20
- LY/T 1752-2008 荒漠生态系统定位观测技术规范 2008-09-03
- GB/T 5374-1995 摩托车和轻便摩托车可靠性试验方法 1995-11-16
- GB/T 31935-2015 金属和合金的腐蚀 低铬铁素体不锈钢晶间腐蚀试验方法 2015-09-11
- GBZ/T(卫生) 240.4-2011 化学品毒理学评价程序和试验方法 第4部分:急性吸入毒性试验 2011-08-19
- GB/T 41016-2021 水回用导则 再生水厂水质管理 2021-12-31
- YS/T 300-2015 锗精矿 2015-04-30
- GB/T 22838.2-2009 卷烟和滤棒物理性能的测定 第2部分:长度 光电法 2009-04-03
相似标准推荐
更多>- 1 GB/T 44801-2024 系统级封装(SiP)术语
- 2 CJ/T 3061-1996 水处理用溶药搅拌设备
- 3 GB/T 33524.1-2017 带有钢球拉紧系统的模块圆锥接口 第1部分:柄部尺寸和标记
- 4 GB/T 19421.10-2003 层状结晶二硅酸钠试验方法 氟硅酸钾容量法测定二氧化硅含量
- 5 GB/T 11757-1989 医用诊断X 射线机曝光时间测试方法
- 6 GB/T 1676-2008 增塑剂碘值的测定
- 7 LY/T 3248-2021 南酸枣用材林培育技术规程
- 8 GB 4789.38-2025 食品安全国家标准 食品微生物学检验 大肠埃希氏菌计数
- 9 GB/T 15936.7-1996 信息处理 文本与办公系统 办公文件体系结构(ODA)和交换格式 第七部分:光栅图形体系结构
- 10 GB/T 8152.6-2025 铅精矿化学分析方法 第6部分:铋含量的测定

关闭预览
