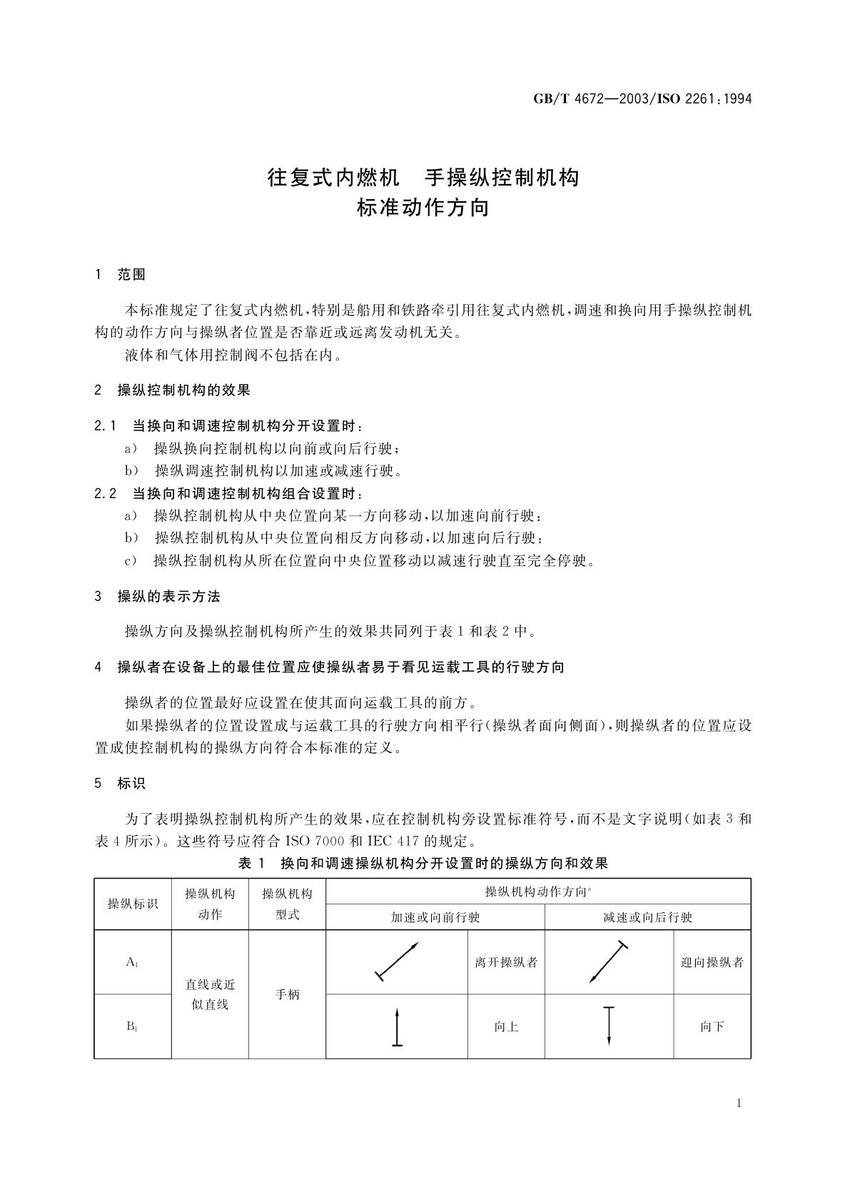
GB/T 4672-2003 往复式内燃机 手操纵控制机构 标准动作方向
GB/T 4672-2003 Reciprocating internal combustion engines—Hand-operated control devices—Standard direction of motion
国家标准
中文简体
现行
页数:8页
|
格式:PDF
基本信息
标准号
GB/T 4672-2003
相关服务
仅限个人学习交流使用
标准类型
国家标准
标准状态
现行
中国标准分类号(CCS)
J91 往复式内燃机 手操纵控制机构 标准动作方向
国际标准分类号(ICS)
27.020
发布日期
2003-05-19
实施日期
2003-10-01
发布单位/组织
中华人民共和国国家质量监督检验检疫总局
归口单位
全国内燃机标准化技术委员会
适用范围
-
发布历史
-
2003-10
文前页预览
免费预览已结束,剩余部分可下载查看
研制信息
- 起草单位:
- 上海内燃机研究所、上海柴油机股份有限公司
- 起草人:
- 瞿俊鸣、宋国婵、蒋丽庆、陈林珊
- 出版信息:
- 页数:8页 | 字数:10 千字 | 开本: 大16开
推荐标准
- GB/T 5158.4-2011 金属粉末 还原法测定氧含量 第4部分:还原-提取法测定总氧量 2011-05-12
- GB/T 503-2016 汽油辛烷值的测定 马达法 2016-06-14
- GB/T 10824-2008 充气轮胎轮辋实心轮胎技术规范 2008-06-18
- GB/T 3857-2017 玻璃纤维增强热固性塑料耐化学介质性能试验方法 2017-02-28
- YY/T 1562-2017 组织工程医疗器械产品 生物材料支架 细胞活性试验指南 2017-03-28
- GB/T 34790-2017 粮油检验 粮食籽粒水分活度的测定 仪器法 2017-11-01
- GB/T 16656.51-2010 工业自动化系统与集成 产品数据表达与交换 第51部分:集成通用资源:数学表达 2011-01-14
- GB/T 28799.1-2020 冷热水用耐热聚乙烯(PE-RT)管道系统 第1部分:总则 2020-11-19
- GB/T 8719-1997 炭素材料及其制品的包装、标志、储存、运输和质量证明书的一般规定 1997-11-11
- GB/T 2346-2003 流体传动系统及元件 公称压力系列 2003-11-25
相似标准推荐
更多>- 1 YY 0286.1-2019 专用输液器 第1部分:一次性使用微孔过滤输液器
- 2 GB/Z 6113.205-2013 无线电骚扰和抗扰度测量设备和测量方法规范 第2-5部分:大型设备骚扰发射现场测量
- 3 GB 19521.4-2004 遇水放出易燃气体危险货物危险特性检验安全规范
- 4 SB/T 10419-2017 植脂奶油
- 5 GB/T 21384-2008 电热水器用安全阀
- 6 JJF(纺织)048-2012 织物胀破强力仪校准规范
- 7 GB/T 23362.4-2009 高纯氢氧化铟化学分析方法 第4部分:铝、铁、铜、锌、镉、铅和铊量的测定 电感耦合等离子体质谱法
- 8 GB/T 12608-2003 热喷涂 火焰和电弧喷涂用线材、棒材和芯材 分类和供货技术条件
- 9 GB/T 41729-2022 复合型微生物肥料生产质量控制技术规程
- 10 GB/T 21053-2007 信息安全技术 公钥基础设施 PKI系统安全等级保护技术要求

关闭预览
