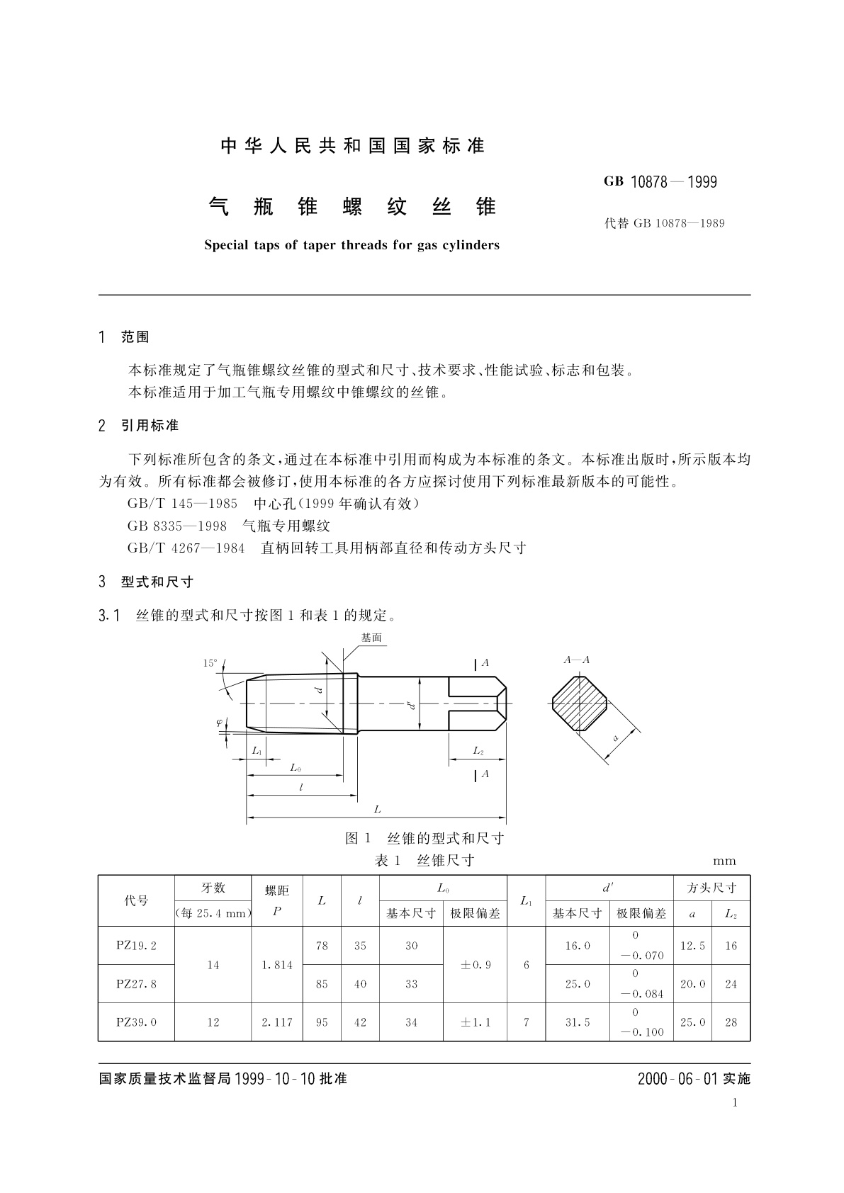
GB 10878-1999 气瓶锥螺纹丝锥
GB 10878-1999 Special taps of taper threads for gas cylinders
国家标准
中文简体
被代替
页数:8页
|
格式:PDF
基本信息
标准号
GB 10878-1999
相关服务
仅限个人学习交流使用
标准类型
国家标准
标准状态
被代替
中国标准分类号(CCS)
J16 气瓶锥螺纹丝锥
国际标准分类号(ICS)
21.040.20
发布日期
1999-10-10
实施日期
2000-06-01
发布单位/组织
国家质量技术监督局
归口单位
全国气瓶标准化技术委员会
适用范围
-
发布历史
-
2000-06
文前页预览
免费预览已结束,剩余部分可下载查看
研制信息
- 起草单位:
- 桂林工具厂、成都成量集团公司、廊坊恒宇工具有限公司
- 起草人:
- 刘艳萍、顾永亮、郭笑莉
- 出版信息:
- 页数:8页 | 字数:7 千字 | 开本: 大16开
推荐标准
- JG/T 547-2018 风光互补路灯装置 2018-11-16
- GB/T 45203-2024 锂离子电池用再生黑粉 2024-12-31
- GB/T 1593.2-2003 农业轮式拖拉机后置式三点悬挂装置 第2部分:1N类 2003-11-25
- GB/Z 43147-2023 锥齿轮设计建议 2023-09-07
- GB/T 3792.2-1985 普通图书著录规则 1985-01-31
- GB/T 27870-2011 净化空气用光催化剂 2011-12-30
- GB 15991-1995 鼠疫诊断标准 1996-01-23
- GB 3836.12-1991 爆炸性环境用防爆电气设备 气体或蒸气混合物按照其最大试验安全间隙和最小点燃电流的分级 1991-05-27
- GB/T 3048.5-2007 电线电缆电性能试验方法 第5部分:绝缘电阻试验 2007-12-03
- GB/T 20172-2006 石油天然气工业 设备可靠性和维修数据的采集与交换 2006-03-29
相似标准推荐
更多>- 1 YS/T 953.6-2014 火法冶炼镍基体料化学分析方法 第6部分:钴量的测定 5-Cl-PADAB分光光度法和火焰原子吸收光谱法
- 2 GA/T 2000.124-2016 公安信息代码 第124部分:公安现役部队建制级别代码
- 3 GB/T 6346.1101-2015 电子设备用固定电容器 第11-1部分:空白详细规范 金属箔式聚乙烯对苯二甲酸乙二醇酯膜介质直流固定电容器 评定水平EZ
- 4 GB/T 16592-1996 粉末涂料 烘烤时质量损失的测定
- 5 GB/T 18074-2000 内燃机厂卫生防护距离标准
- 6 GB/T 6809.7-2005 往复式内燃机 零部件和系统术语 第7部分:调节系统
- 7 GB/T 7702.3-1997 煤质颗粒活性炭试验方法 强度的测定
- 8 GB 15146.7-1994 反应堆外易裂变材料的核临界安全 次临界中子增殖就地测量安全规定
- 9 GB/T 17980.105-2004 农药 田间药效试验准则(二)第105部分:杀菌剂防治水稻细菌性条斑病
- 10 GB/T 1037-2021 塑料薄膜与薄片水蒸气透过性能测定 杯式增重与减重法

关闭预览
