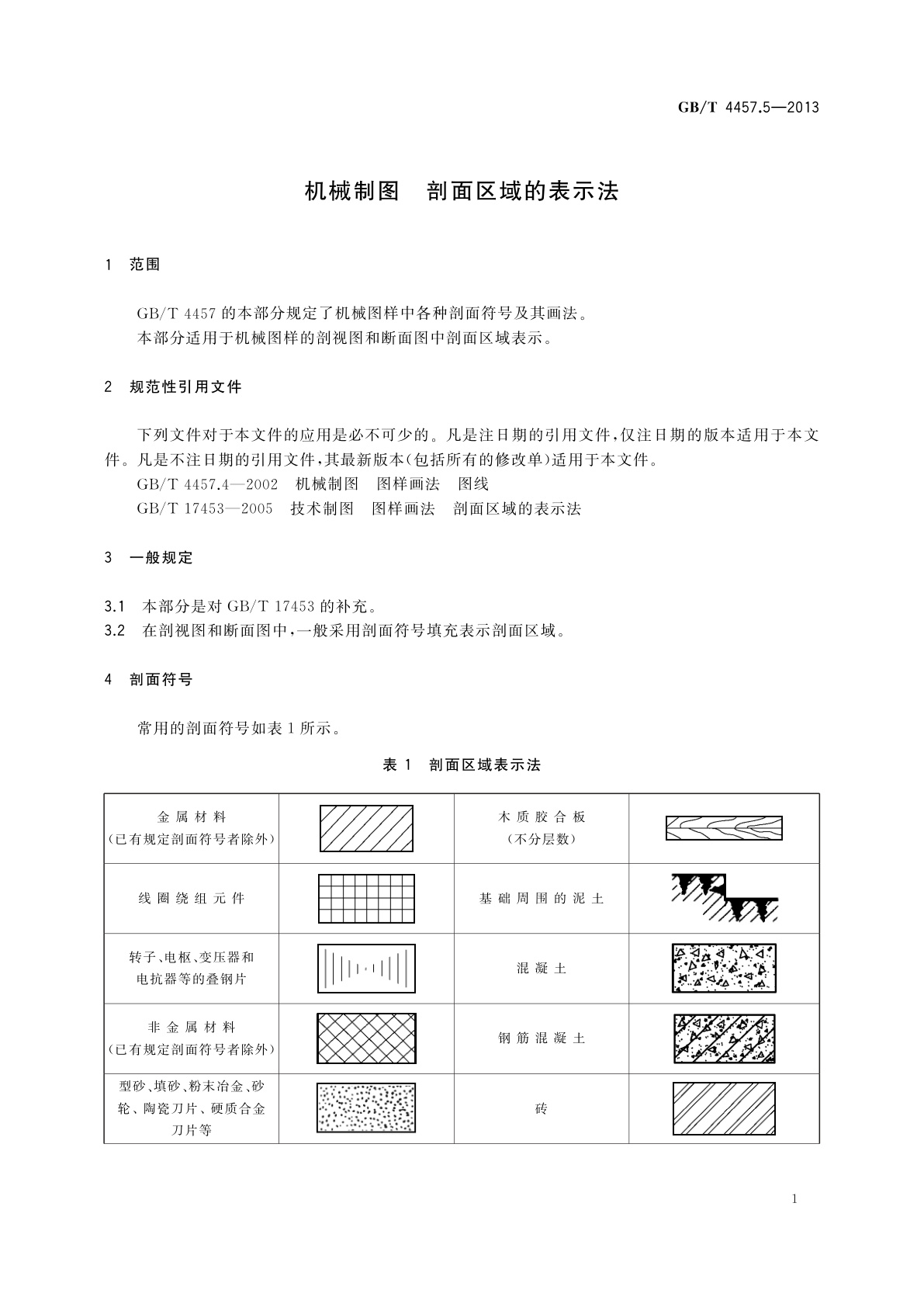
GB/T 4457.5-2013 机械制图 剖面区域的表示法
GB/T 4457.5-2013 Mechanical drawings—Basic conventions for representing areas on cuts and sections
国家标准
中文简体
现行
页数:12页
|
格式:PDF
基本信息
标准号
GB/T 4457.5-2013
相关服务
仅限个人学习交流使用
标准类型
国家标准
标准状态
现行
中国标准分类号(CCS)
J04 机械制图 剖面区域的表示法
国际标准分类号(ICS)
01.100.20
发布日期
2013-12-17
实施日期
2014-10-01
发布单位/组织
中华人民共和国国家质量监督检验检疫总局、中国国家标准化管理委员会
归口单位
全国技术产品文件标准化技术委员会(SAC/TC 146)
适用范围
-
发布历史
-
2014-10
文前页预览
免费预览已结束,剩余部分可下载查看
研制信息
- 起草单位:
- 中机生产力促进中心、合肥凯邦电机有限公司、中国电子科技集团公司第三十八研究所、安徽红桥金属制造有限公司、北京科新纪元信息技术有限公司、江苏理工学院、大连海事大学、合肥工业大学
- 起草人:
- 杨东拜、张小军、金陈义、周红桥、胡祥涛、陈兴玉、余昌国、李荣、李克顺、李岱松、刘静、张红旗、高宏伟、王槐德、邹玉堂、李学京
- 出版信息:
- 页数:12页 | 字数:14 千字 | 开本: 大16开
推荐标准
- QC/T 1229-2025 燃料电池电动汽车 加氢通信协议 2025-05-09
- GB/T 17576-2011 CD数字音频系统 2011-12-30
- GB/T 23819-2018 机械安全 防火与消防 2018-12-28
- GB/T 15941-1995 同步数字体系(SDH)光缆线路系统进网要求 1995-12-21
- GB/T 665-2007 化学试剂 五水合硫酸铜(Ⅱ)(硫酸铜) 2007-09-26
- GB/T 14264-2024 半导体材料术语 2024-04-25
- GB/T 19933.2-2014 土方机械 司机室环境 第2部分:空气滤清器试验方法 2014-07-24
- GB/T 21962-2020 玉米收获机械 2020-11-19
- GB/T 20547.2-2006 银行业务 安全加密设备(零售) 第2部分:金融交易中设备安全符合性 检测清单 2006-09-18
- GB/T 6803-2008 铁素体钢的无塑性转变温度落锤试验方法 2008-05-13
相似标准推荐
更多>- 1 GB/T 5169.35-2015 电工电子产品着火危险试验 第35部分:燃烧流的腐蚀危害 总则
- 2 GB/T 10066.31-2007 电热装置的试验方法 第31部分:高频感应加热装置发生器 输出功率的测定
- 3 GB/T 1984-2024 高压交流断路器
- 4 GB/T 8813-2008 硬质泡沫塑料 压缩性能的测定
- 5 GB/T 9771.5-2020 通信用单模光纤 第5部分:非零色散位移单模光纤特性
- 6 GB/T 32152-2015 科技服务业分类
- 7 GB/T 28059.1-2011 公路网图像信息管理系统 平台互联技术规范 第1部分:总则
- 8 GB/T 7516-2008 缩微摄影技术 缩微拍摄用图形符号
- 9 GB/T 45824-2025 废旧农业机械回收体系建设规范
- 10 JJF 1340-2012 20 Hz~2 000 Hz矢量水听器校准规范

关闭预览
