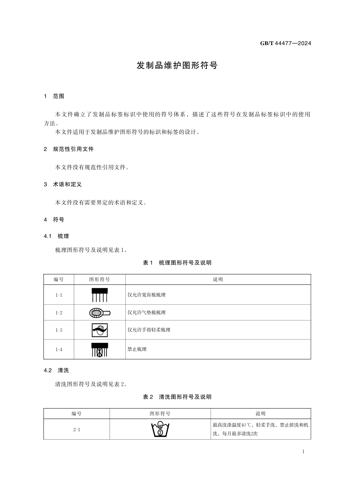
GB/T 44477-2024 发制品维护图形符号
GB/T 44477-2024 Care graphical symbols for hair products
国家标准
中文简体
现行
页数:12页
|
格式:PDF
基本信息
标准号
GB/T 44477-2024
相关服务
仅限个人学习交流使用
标准类型
国家标准
标准状态
现行
中国标准分类号(CCS)
W59 发制品维护图形符号
国际标准分类号(ICS)
59.080.99
发布日期
2024-10-26
实施日期
2025-05-01
发布单位/组织
国家市场监督管理总局、国家标准化管理委员会
归口单位
全国发制品标准化技术委员会(SAC/TC 304)
适用范围
-
发布历史
-
2025-05
文前页预览
免费预览已结束,剩余部分可下载查看
研制信息
- 起草单位:
- 东华大学、青岛海森林发制品集团股份有限公司、河南瑞贝卡发制品股份有限公司、河南瑞美真发股份有限公司、安徽帝发发制品有限公司、山东中康国创先进印染技术研究院有限公司、即发集团有限公司、青岛玖美发制品有限公司、上海市质量监督检验技术研究院、河南省计量标准和产品质量检验检测中心、河南省纤维纺织产品质量监测检验研究院、许昌市产品质量检验检测与研究中心、青岛市产品质量检验研究院、中原工学院
- 起草人:
- 李卫东、徐红、孙鲁正、张天有、王慧贞、李金岭、韩鹏、柳永杰、孔保运、孟庆磊、战波、张卫强、沈悦明、周兆懿、陈卫哲、憨文轩、化明利、黄水萍、周丽娟、邹文静、于佳、柴金艳
- 出版信息:
- 页数:12页 | 字数:11 千字 | 开本: 大16开
推荐标准
- SB/T 10546-2009 散装干混砂浆运输车 2009-12-25
- GB/T 16929-2025 包装材料试验方法 透油性 2025-08-01
- GB/T 9649.17-2001 地质矿产术语分类代码 煤地质学 2001-04-29
- GB/T 13386-1992 海洋营运船舶明火作业安全技术要求 1992-02-17
- GB/T 30692-2025 提高在用自动扶梯和自动人行道安全性的规范 2025-08-29
- GB/T 3717-1983 测长机 1983-05-28
- GB/T 35355-2017 船用设备用水中盐分的测定 基准氯化钠法 2017-12-29
- GB/T 23802-2009 石油天然气工业 套管、油管和接箍毛坯用耐腐蚀合金无缝管 交货技术条件 2009-05-18
- GB/T 18905.5-2002 软件工程 产品评价 第5部分:评价者用的过程 2002-12-04
- GB/T 46399-2025 纤维级聚对苯二甲酰对苯二胺(PPTA)粉体 2025-10-05
相似标准推荐
更多>- 1 GA/T 460.3-2020 居民身份证卡体材料及打印薄膜技术规范 第3部分:制卡用保护层PETG薄膜
- 2 GB/T 33523.6-2017 产品几何技术规范(GPS) 表面结构 区域法 第6部分:表面结构测量方法的分类
- 3 GB/T 3260.11-2000 锡化学分析方法 镉量的测定
- 4 GB/T 15770-1995 广播数据系统(RDS)技术规范
- 5 GB/T 43520-2023 进口清关程序简化指南
- 6 GB/T 22838.3-2009 卷烟和滤棒物理性能的测定 第3部分:圆周 激光法
- 7 GB/T 3102.4-1993 热学的量和单位
- 8 YY 0648-2008 测量、控制和实验室用电气设备的安全要求 第2-101部分:体外诊断(IVD)医用设备的专用要求
- 9 GB/T 18955-2003 木工刀具安全 铣刀、圆锯片
- 10 GB/T 18144-2008 玻璃应力测试方法

关闭预览
