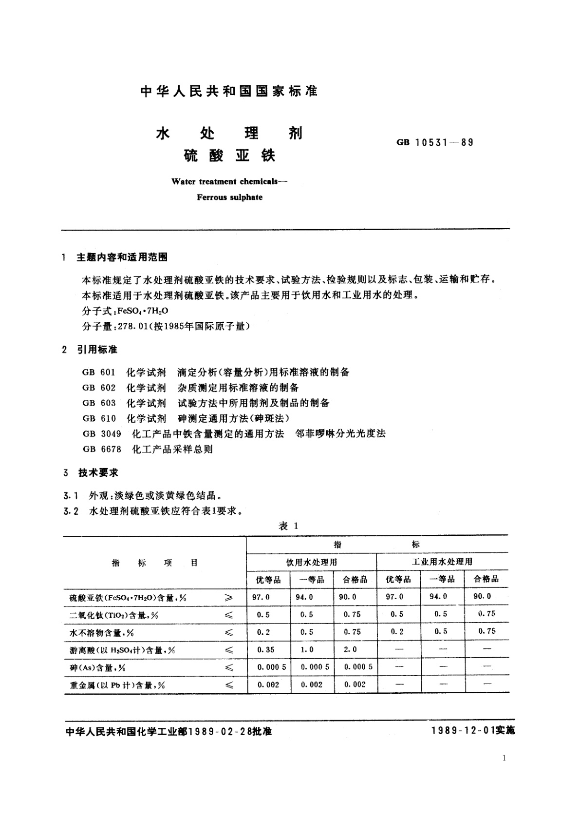
GB 10531-1989 水处理剂 硫酸亚铁
GB 10531-1989 Water treatment chemicals—Ferrous sulphate
国家标准
中文简体
被代替
页数:12页
|
格式:PDF
基本信息
标准号
GB 10531-1989
相关服务
仅限个人学习交流使用
标准类型
国家标准
标准状态
被代替
中国标准分类号(CCS)
G77 水处理剂 硫酸亚铁
国际标准分类号(ICS)
13.060
发布日期
1989-03-22
实施日期
1989-12-01
发布单位/组织
国家技术监督局
归口单位
化学工业部天津化工研究院
适用范围
-
发布历史
-
1989-12
文前页预览
免费预览已结束,剩余部分可下载查看
研制信息
- 起草单位:
- 化工部天津化工研究院
- 起草人:
- 周巧娥、王琪
- 出版信息:
- 页数:12页 | 字数:13 千字 | 开本: 大16开
推荐标准
- GB/T 32854.2-2017 自动化系统与集成 制造系统先进控制与优化软件集成 第2部分:架构和功能 2017-12-29
- YY/T 0930-2014 医用内窥镜 内窥镜器械 细胞刷 2014-06-17
- GB/T 13305-1991 奥氏体不锈钢中α-相面积含量金相测定法 1991-12-13
- CB/T 3784-1996 木材产品物资分类与代码 1996-12-23
- GB/T 42996.2-2023 家具产品中重点化学物质管控指南 第2部分:软体家具 2023-09-07
- GB/T 37869.2-2019 玻璃容器 真空凸缘瓶口 第2部分:三旋33中等规格 2019-10-18
- GB/T 11013-1996 碱性二次电池和电池组 --圆柱密封镉镍可充单体电池 1996-08-22
- GB/T 9271-1988 色漆和清漆 标准试板 1988-06-04
- GB/T 26944.1-2011 隧道环境检测设备 第1部分:通则 2011-09-29
- GB/T 2855.9-1990 冲模滑动导向模座 中间导柱上模座 1990-07-23
相似标准推荐
更多>- 1 GB/T 40811-2021 集装箱运输电子数据交换 订舱报文
- 2 GB/T 11322.1-1997 射频电缆 第0部分:详细规范设计指南 第一篇 同轴电缆
- 3 GB/Z 18039.6-2005 电磁兼容 环境 各种环境中的低频磁场
- 4 GB/T 25350-2010 使用乙醇汽油车辆燃油供给系统清洗工艺规范
- 5 GB/T 17615-2015 镍铬硅-镍硅镁热电偶丝
- 6 GB/T 21236-2007 电炉回收二氧化硅微粉
- 7 GA/T 2000.262-2019 公安信息代码 第262部分:下身着装特征代码
- 8 GB/T 39365-2020 皮革 物理和机械试验 耐干热性的测定
- 9 GB/T 15187-2017 湿式除尘器性能测定方法
- 10 LD 57-1994 溶解乙炔气瓶填料用硅藻土技术条件

关闭预览
