GB/T 43132-2023 超硬磨料制品 精密刀具数控磨削用砂轮
GB/T 43132-2023 Superabrasive products—Grinding wheels for computerized numerical control(CNC)grinding of precision cutting tools
国家标准
中文简体
现行
页数:20页
|
格式:PDF
基本信息
标准号
GB/T 43132-2023
相关服务
仅限个人学习交流使用
标准类型
国家标准
标准状态
现行
中国标准分类号(CCS)
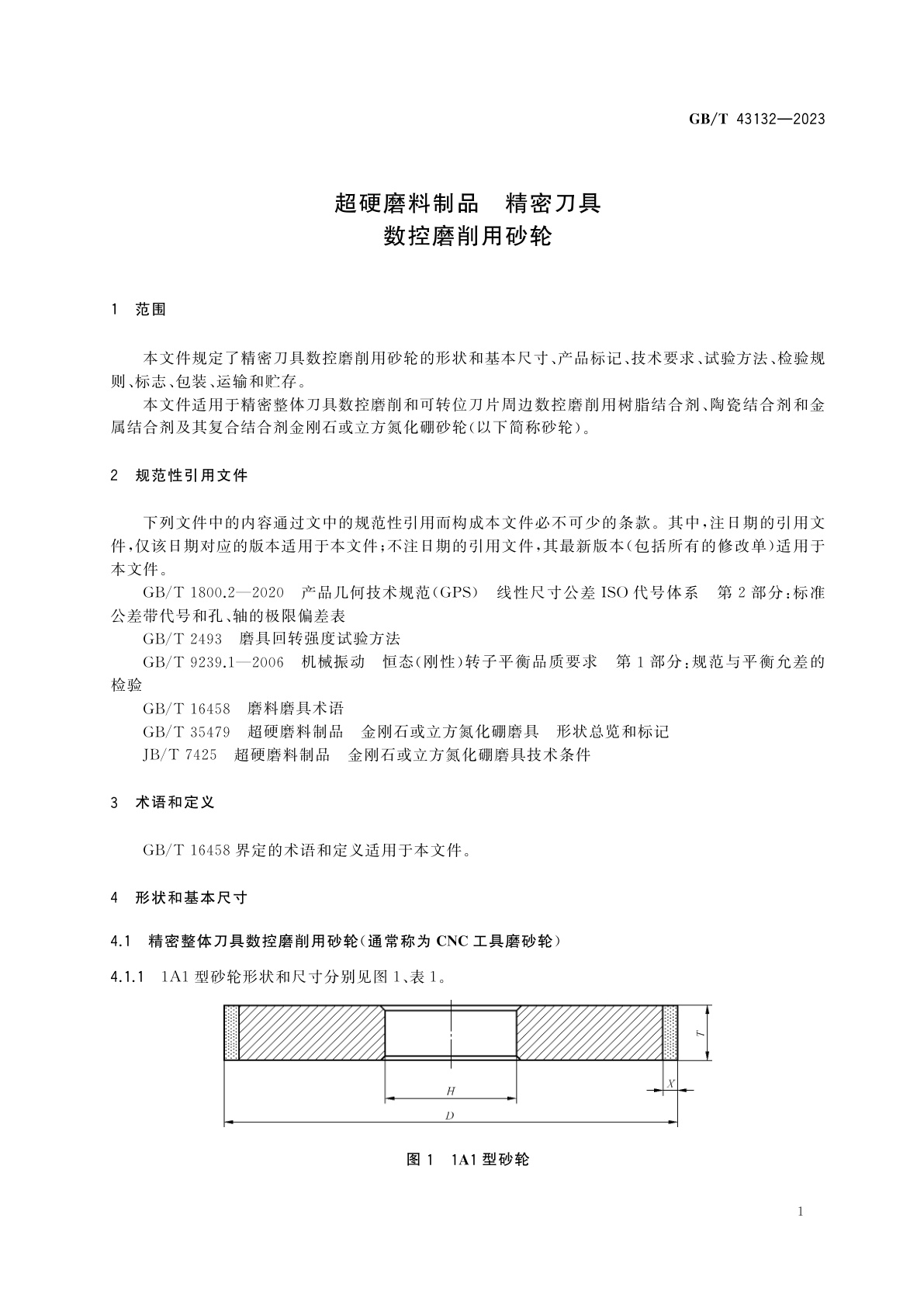
J43 超硬磨料制品 精密刀具数控磨削用砂轮
国际标准分类号(ICS)
25.100.70
发布日期
2023-09-07
实施日期
2024-04-01
发布单位/组织
国家市场监督管理总局、国家标准化管理委员会
归口单位
全国磨料磨具标准化技术委员会(SAC/TC 139)
适用范围
-
发布历史
-
2024-04
文前页预览
免费预览已结束,剩余部分可下载查看
研制信息
- 起草单位:
- 郑州磨料磨具磨削研究所有限公司、江苏赛扬精工科技有限责任公司、天津大学、郑州宏拓精密工具有限公司、南京三超新材料股份有限公司、广东钜鑫新材料科技股份有限公司
- 起草人:
- 赵延军、包华、陈卫东、李志宏、张良、林易树、张高亮、吴武山、左冬华、李春平、邹余耀、王绍斌、刘权威、朱亮、朱玉梅、狄峰
- 出版信息:
- 页数:20页 | 字数:37 千字 | 开本: 大16开
推荐标准
- GB/T 31528-2015 含铜蚀刻废液处理处置技术规范 2015-05-15
- GB/T 25801-2010 分散橙S-4RL(C.I.分散橙30) 2010-12-23
- GB/T 30363-2013 森林植被状况监测技术规范 2013-12-31
- NY 5170-2002 无公害食品 克氏螯虾 2002-07-25
- GB/T 38439-2019 室外照明干扰光测量规范 2019-12-31
- GB/T 14080-2010 硬磁盘驱动器头堆组件通用规范 2011-01-14
- GB/T 33125-2016 荷兰石竹卷蛾检疫鉴定方法 2016-10-13
- GB/T 18268.26-2010 测量、控制和实验室用的电设备 电磁兼容性要求 第26部分:特殊要求体外诊断(IVD)医疗设备 2011-01-14
- GB/T 40421-2021 健康信息学 消息与通信 DICOM持久对象的网络访问 2021-10-11
- GB/T 44578-2024 热塑性塑料隔膜阀 2024-09-29
相似标准推荐
更多>- 1 YS/T 965-2014 铝用预焙阳极二氧化碳反应性测定仪
- 2 GB/T 14361.2-1993 船用纤维索滑车 铁壳滑车
- 3 GB/T 27308-2011 合格评定 信息技术服务管理体系认证机构要求
- 4 GB/T 37886-2019 气瓶射频识别(RFID)读写设备技术规范
- 5 GB/T 17999.4-2008 SPF鸡 微生物学监测 第4部分:SPF鸡 血清平板凝集试验
- 6 GB/T 16639-1996 辅射加工用丙氨酸-EPR剂量测量系统
- 7 GB/T 15144-2009 管形荧光灯用交流电子镇流器 性能要求
- 8 GB/T 20882.1-2025 淀粉糖质量要求 第1部分:食用葡萄糖
- 9 GB/T 27748.1-2011 固定式燃料电池发电系统 第1部分:安全
- 10 GB/T 22484-2025 城市公共汽电车客运服务规范

关闭预览
