GB/T 4264-2004 带可换导柱的莫氏锥柄90°锥面锪钻
GB/T 4264-2004 Countersinks,90°,with Morse taper shanks and detachable pilots
国家标准
中文简体
现行
页数:8页
|
格式:PDF
基本信息
标准号
GB/T 4264-2004
相关服务
仅限个人学习交流使用
标准类型
国家标准
标准状态
现行
中国标准分类号(CCS)
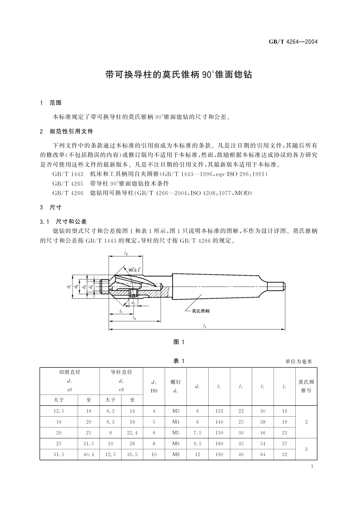
J41 带可换导柱的莫氏锥柄90°锥面锪钻
国际标准分类号(ICS)
25.100.30
发布日期
2004-02-10
实施日期
2004-08-01
发布单位/组织
中华人民共和国国家质量监督检验检疫总局、中国国家标准化管理委员会
归口单位
全国刀具标准化技术委员会
适用范围
-
发布历史
-
2004-08
文前页预览
免费预览已结束,剩余部分可下载查看
研制信息
- 起草单位:
- 起草人:
- 沈士昌、聂珂星
- 出版信息:
- 页数:8页 | 字数:8 千字 | 开本: 大16开
推荐标准
- GB/T 13293.3-1991 高纯阴极铜化学分析方法 塞曼效应电热原子吸收光谱法测定铬、锰、镉量 1991-12-14
- GB/T 14808-2016 高压交流接触器、基于接触器的控制器及电动机起动器 2016-08-29
- GB/T 27664.3-2012 无损检测 超声检测设备的性能与检验 第3部分:组合设备 2012-07-31
- GB 19305-2003 植物纤维类食品容器卫生标准 2003-09-24
- GB/T 18127-2009 商品条码 物流单元编码与条码表示 2009-05-06
- HY/T 0460.1-2024 海岸带生态系统现状调查与评估技术导则 第1部分:总则 2024-09-01
- GB/T 36330-2018 信息技术 面向燃气表远程管理的无线传感器网络系统技术要求 2018-06-07
- YY/T 0910.2-2025 医用电气设备 医学影像显示系统 第2部分:医学影像显示系统的验收和稳定性试验 2025-10-30
- GA/T 2099-2023 城市智能交通管理系统可靠性评价指标 2023-08-02
- GB/T 9846.5-2004 胶合板 第5部分:普通胶合板检验规则 2004-06-22
相似标准推荐
更多>- 1 GB/T 32965-2025 钢渣加工和金属回收技术规范
- 2 GB/T 27534.4-2011 畜禽遗传资源调查技术规范 第4部分:绵羊
- 3 GB/T 3209-2009 苯类产品蒸发残留量的测定方法
- 4 GA/T 994-2017 道路交通信息发布规范
- 5 GB/T 16768-1997 金属切削机床 振动测量方法
- 6 GB/T 13343-2008 矿用三牙轮钻头
- 7 GB/T 9695.2-1988 肉与肉制品 脂肪酸测定
- 8 GB/T 19541-2004 饲料用大豆粕
- 9 GB/T 41047-2021 汽车产品召回过程追溯系统技术要求
- 10 YY 0650-2008 妇科射频治疗仪

关闭预览
