GB/T 4247-2017 莫氏锥柄机用桥梁铰刀
GB/T 4247-2017 Machine bridge reamers with Morse taper shanks
国家标准
中文简体
现行
页数:8页
|
格式:PDF
基本信息
标准号
GB/T 4247-2017
相关服务
仅限个人学习交流使用
标准类型
国家标准
标准状态
现行
中国标准分类号(CCS)
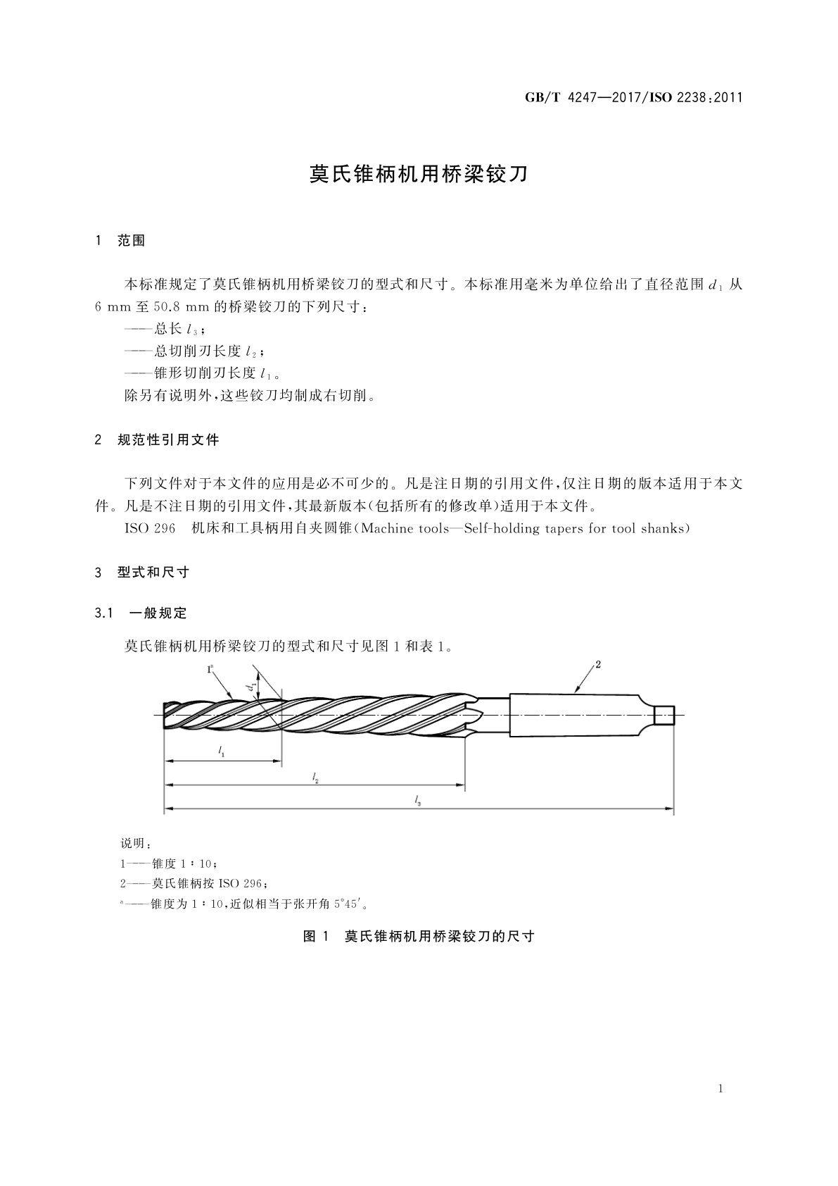
J41 莫氏锥柄机用桥梁铰刀
国际标准分类号(ICS)
25.100.30
发布日期
2017-12-29
实施日期
2018-07-01
发布单位/组织
中华人民共和国国家质量监督检验检疫总局、中国国家标准化管理委员会
归口单位
全国刀具标准化技术委员会(SAC/TC 91)
适用范围
-
发布历史
-
2004-08
-
2018-07
文前页预览
免费预览已结束,剩余部分可下载查看
研制信息
- 起草单位:
- 成都工具研究所有限公司
- 起草人:
- 曾宇环、邓智光
- 出版信息:
- 页数:8页 | 字数:8 千字 | 开本: 大16开
推荐标准
- GB/T 5909-2009 商用车辆车轮性能要求和试验方法 2009-10-30
- GB/T 20918-2007 信息技术 软件生存周期过程 风险管理 2007-04-30
- GB/T 16674.2-2016 六角法兰面螺栓 细牙 小系列 2016-02-24
- GB 28330-2012 食品安全国家标准 食品添加剂 乙酸异丁酯 2012-04-25
- GB/T 3394-1993 工业用乙烯、丙烯中微量一氧化碳和二氧化碳的测定 气相色谱法 1993-07-21
- GB/T 10476-2004 尿素高压冷凝器技术条件 2004-06-09
- GB/T 45328-2025 碳酸锂、单水氢氧化锂、氯化锂中磁性异物金属颗粒的测定 洁净度仪测试法 2025-02-28
- YY/T 0921-2015 医用吸水性粘胶纤维 2015-03-02
- GB/T 20014.18-2008 良好农业规范 第18部分:水产滩涂、吊养、底播养殖基础控制点与符合性规范 2008-02-01
- JJG 443-2006 燃油加油机 2006-03-08
相似标准推荐
更多>- 1 GB/T 36365-2018 信息技术 射频识别 800/900MHz无源标签通用规范
- 2 GB/T 6382.2-1995 平板玻璃集装器具 箱式集装器及其试验方法
- 3 GB/T 7260.3-2024 不间断电源系统(UPS) 第3部分:确定性能和试验要求的方法
- 4 GB/T 14536.8-2010 家用和类似用途电自动控制器 定时器和定时开关的特殊要求
- 5 GB/T 26342-2010 国际运尸 木质棺柩
- 6 GB 16917.1-2003 家用和类似用途的带过电流保护的剩余电流动作断路器(RCBO) 第1部分:一般规则
- 7 GB/T 17143.2-1997 信息技术 开放系统互连 系统管理 第2部分:状态管理功能
- 8 GB/T 13823.20-2008 振动与冲击传感器的校准方法 加速度计谐振测试 通用方法
- 9 GB 14194-1993 永久气体气瓶充装规定
- 10 GB 7251.5-1998 低压成套开关设备和控制设备 第五部分:对户外公共场所的成套设备——动力配电网用电缆分线箱(CDCs)的特殊要求

关闭预览
