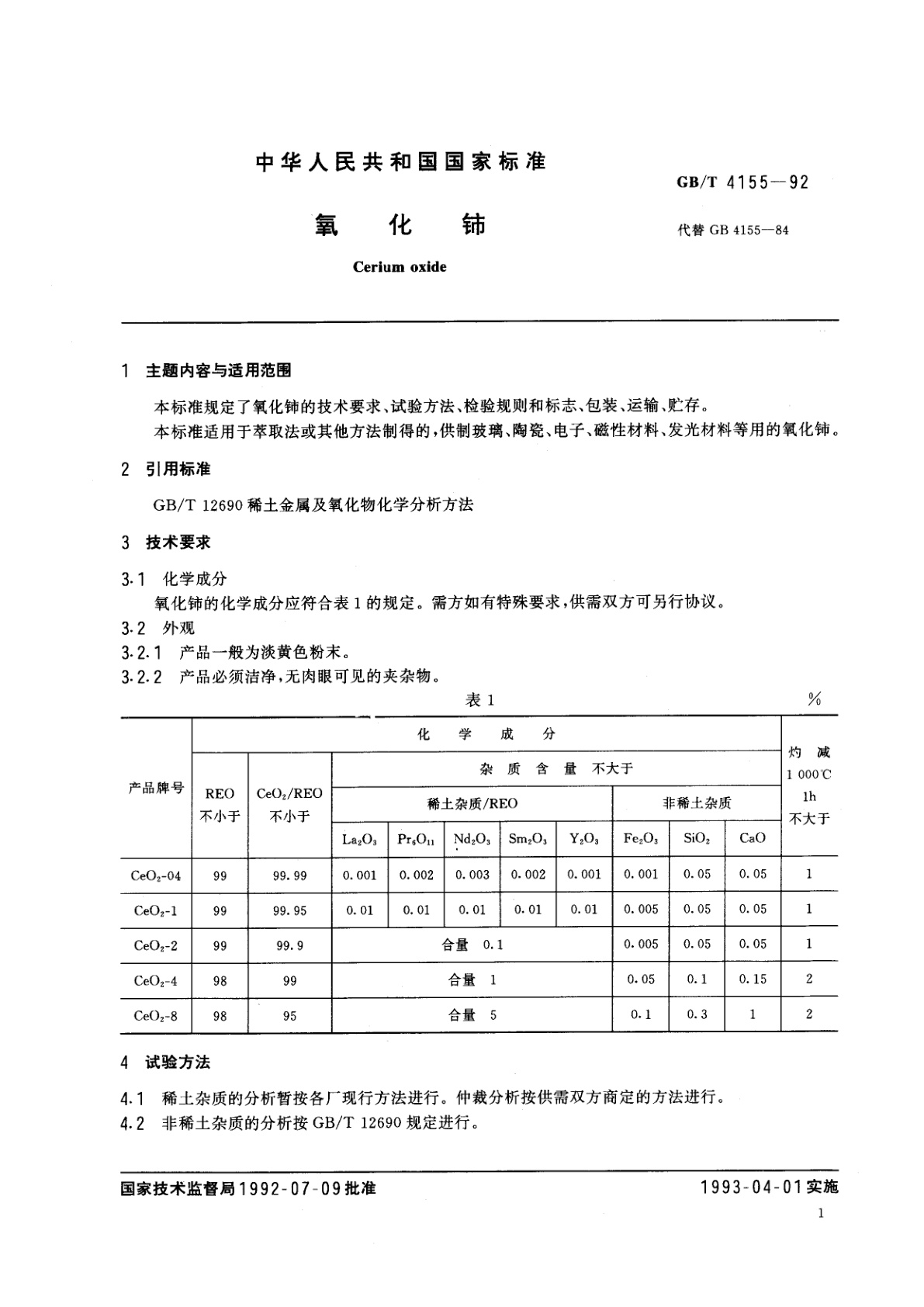
GB/T 4155-1992 氧化铈
GB/T 4155-1992 Cerium oxide
国家标准
中文版
被代替
页数:8页
|
格式:PDF
基本信息
标准号
GB/T 4155-1992
相关服务
仅限个人学习交流使用
标准类型
国家标准
标准状态
被代替
中国标准分类号(CCS)
H65 氧化铈
国际标准分类号(ICS)
71.060.20
发布日期
1992-07-09
实施日期
1993-04-01
发布单位/组织
国家技术监督局
归口单位
适用范围
-
发布历史
-
1993-04
文前页预览
免费预览已结束,剩余部分可下载查看
研制信息
- 起草单位:
- 上海跃龙有色金属有限公司
- 起草人:
- 辛模良、钱建林
- 出版信息:
- 页数:8页 | 字数:5 千字 | 开本: 大16开
推荐标准
- GB/T 11348.3-1999 旋转机械转轴径向振动的测量和评定 第3部分:耦合的工业机器 1999-04-08
- JG/T 99-1999 筒式柴油打桩锤用活塞环 1999-06-04
- GB/T 9580-2009 标准参比炭黑的鉴定方法 2009-12-15
- GB/T 11042.2-2005 纺织品 色牢度试验 耐硫化色牢度 第2部分:一氯化硫 2005-11-04
- GB/T 40349-2021 家用和类似用途电器专用WLAN通信模块技术规范 2021-08-20
- GA/T 2184-2024 法庭科学 现场截干树木材积测定规程 2024-11-29
- GB/T 10969-2008 水轮机、蓄能泵和水泵水轮机通流部件技术条件 2008-06-30
- GB/T 19104-2008 过氧乙酸溶液 2008-04-01
- GB/T 25338.1-2019 铁路道岔转辙机 第1部分:通用技术条件 2019-08-30
- GB/T 2091-2008 工业磷酸 2008-04-01
相似标准推荐
更多>- 1 GB/T 4706.129-2025 家用和类似用途电器的安全 第129部分:直流家用电器的特殊要求
- 2 FZ/T 43034-2016 丝麻交织物
- 3 GB/T 34373-2017 玉米收获机 摘穗割台
- 4 YS/T 285-2012 铝电解用预焙阳极
- 5 GB/T 2901-1992 书目信息交换用磁带格式
- 6 LY/T 2847-2017 噻虫啉微囊剂使用技术规程
- 7 GB/T 33387-2016 工业用反式-1,3,3,3-四氟丙烯[HFO-1234ze(E)]
- 8 GB/T 36256-2018 大型水陆两栖飞机水上救援装备要求
- 9 GB/T 14536.3-2022 电自动控制器 第3部分:电动机热保护器的特殊要求
- 10 GB/T 7740-1987 出口肠衣

关闭预览
