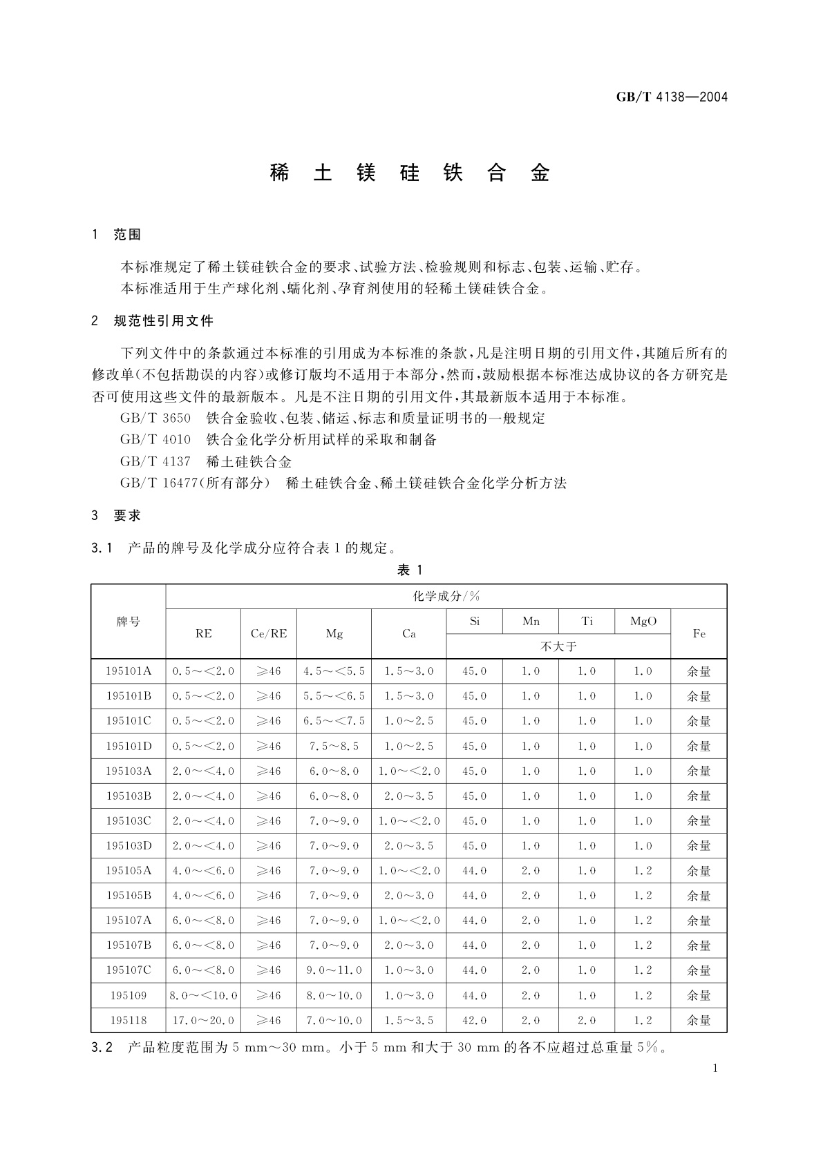
GB/T 4138-2004 稀土镁硅铁合金
GB/T 4138-2004 Rare earth ferrosiliconmagnesium alloy
国家标准
中文简体
被代替
页数:8页
|
格式:PDF
基本信息
标准号
GB/T 4138-2004
相关服务
仅限个人学习交流使用
标准类型
国家标准
标准状态
被代替
中国标准分类号(CCS)
H65 稀土镁硅铁合金
国际标准分类号(ICS)
77.100
发布日期
2004-06-09
实施日期
2004-11-01
发布单位/组织
中华人民共和国国家质量监督检验检疫总局、中国国家标准化管理委员会
归口单位
全国稀土标准化技术委员会
适用范围
-
发布历史
-
2004-11
文前页预览
免费预览已结束,剩余部分可下载查看
研制信息
- 起草单位:
- 包钢稀土一厂
- 起草人:
- 乔祯、王立夫、贾艳华、胡瑞芳、朱玉华、亢锦文
- 出版信息:
- 页数:8页 | 字数:6 千字 | 开本: 大16开
推荐标准
- GB/T 8639.3-1988 钒化学分析方法 CAS-TPC光度法测定铝量 1988-02-08
- GB/T 5507-1985 粮食、油料检验 粉类粗细度测定法 1985-11-02
- YY/T 1789.2-2021 体外诊断检验系统 性能评价方法 第2部分:正确度 2021-12-06
- FZ 70004-1992 纺织品 针织物疵点术语 1992-03-12
- GB/T 26150-2010 免洗红枣 2011-01-14
- GB/T 30349-2013 集装箱货运代理服务规范 2013-12-31
- GB/T 20863.1-2007 起重机械 分级 第1部分:总则 2007-03-21
- GB/T 889.1-2000 I型非金属嵌件六角锁紧螺母 2000-09-26
- GB 31604.43-2016 食品安全国家标准 食品接触材料及制品 乙二胺和己二胺迁移量的测定 2016-10-19
- GB 31604.49-2016 食品安全国家标准 食品接触材料及制品 砷、镉、铬、铅的测 定和砷、镉、铬、镍、铅、锑、锌迁移量的测定 2016-10-19
相似标准推荐
更多>- 1 GB/T 3291.2-1997 纺织 纺织材料性能和试验术语 第2部分:织物
- 2 LY/T 1813-2009 自然保护区自然生态质量评价技术规程
- 3 YY/T 1305-2015 钛及钛合金牙种植体临床试验指南
- 4 GB/T 14719-1993 信息交换用汉字256×256点阵宋体字模集及数据集
- 5 SC/T 8114-1998 船用主机小功率轴带交流发电装置
- 6 GB/T 37649-2019 化妆品中硫柳汞和苯基汞的测定 高效液相色谱-电感耦合等离子体质谱法
- 7 GB/T 8923.1-2011 涂覆涂料前钢材表面处理 表面清洁度的目视评定 第1部分:未涂覆过的钢材表面和全面清除原有涂层后的钢材表面的锈蚀等级和处理等级
- 8 YY 0336-2013 一次性使用无菌阴道扩张器
- 9 GB/T 39789-2021 焊缝无损检测 金属复合材料焊缝涡流视频集成检测方法
- 10 GB 7300.901-2019 饲料添加剂 第9部分:着色剂 β-胡萝卜素粉

关闭预览
