GB/T 40336-2021 无损检测 泄漏检测 气体参考漏孔的校准
GB/T 40336-2021 Non-destructive testing—Leak testing—Calibration of reference leaks for gases
国家标准
中文简体
现行
页数:32页
|
格式:PDF
基本信息
标准号
GB/T 40336-2021
相关服务
仅限个人学习交流使用
标准类型
国家标准
标准状态
现行
中国标准分类号(CCS)
J04 无损检测 泄漏检测 气体参考漏孔的校准
国际标准分类号(ICS)
19.100
发布日期
2021-05-21
实施日期
2021-12-01
发布单位/组织
国家市场监督管理总局、国家标准化管理委员会
归口单位
全国无损检测标准化委员会(SAC/TC 56)
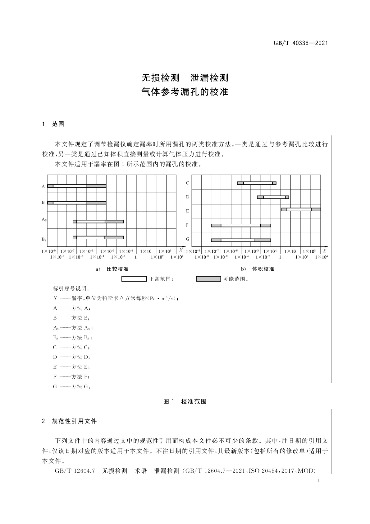
适用范围
-
发布历史
-
2021-12
文前页预览
免费预览已结束,剩余部分可下载查看
研制信息
- 起草单位:
- 中广核检测技术有限公司、上海材料研究所、北京卫星环境工程研究所、上海航天设备制造总厂有限公司、航天智造(上海)科技有限责任公司、上海航天精密机械研究所
- 起草人:
- 刘中华、王彬、刘步良、高建民、张伟、蒋建生、韩丽娜、黄隐、孟冬辉、任国华、周雪茜、潘颖、徐薇、徐国珍、周鹏飞
- 出版信息:
- 页数:32页 | 字数:56 千字 | 开本: 大16开
推荐标准
- GB/T 32610-2016 日常防护型口罩技术规范 2016-04-25
- GB/T 13914-2002 冲压件尺寸公差 2002-09-11
- NB/T 11107-2023 选煤用捕收剂性能要求 2023-02-06
- GB/T 16886.3-2008 医疗器械生物学评价 第3部分:遗传毒性、致癌性和生殖毒性试验 2008-01-22
- GB/T 17067-1997 车间空气中三氧化二砷原子吸收光谱测定方法 1997-11-11
- GB/T 1730-1993 漆膜硬度测定法 摆杆阻尼试验 1993-03-20
- LY/T 1974.2-2011 民族乐器锯材 第2部分:琵琶用材 2011-06-10
- GB 4706.21-2008 家用和类似用途电器的安全 微波炉,包括组合型微波炉的特殊要求 2008-12-15
- GB 19212.18-2006 电力变压器、电源装置和类似产品的安全 第18部分:开关型电源用变压器的特殊要求 2006-08-25
- GB/T 35577-2017 建筑节水产品术语 2017-12-29
相似标准推荐
更多>- 1 YS/T 81-2006 高纯海绵铂
- 2 GB/T 16886.3-2019 医疗器械生物学评价 第3部分:遗传毒性、致癌性和生殖毒性试验
- 3 FZ/T 21003-1998 分梳山羊绒
- 4 GB/T 11047-2008 纺织品 织物勾丝性能评定 钉锤法
- 5 GB/T 24468-2025 半导体设备可靠性、可用性和维修性(RAM)测量方法
- 6 GB/T 2679.13-1996 纸和纸板透气度的测定(中等范围) 本特生法
- 7 GB/T 16578.1-2008 塑料薄膜和薄片 耐撕裂性能的测定 第1部分:裤形撕裂法
- 8 JJF(石化)060-2023 自动苯结晶点测定仪校准规范
- 9 GB/T 20432.12-2008 摄影 照相级化学品 试验方法 第12部分:密度的测定
- 10 GB/T 29381-2012 戊唑醇悬浮剂

关闭预览
