GB/T 3832.3-2004 拉刀柄部 第3部分:圆柱形后柄
GB/T 3832.3-2004 Broaches shanks—Part 3:Round follower end
国家标准
中文版
被代替
页数:8页
|
格式:PDF
基本信息
标准号
GB/T 3832.3-2004
相关服务
仅限个人学习交流使用
标准类型
国家标准
标准状态
被代替
中国标准分类号(CCS)
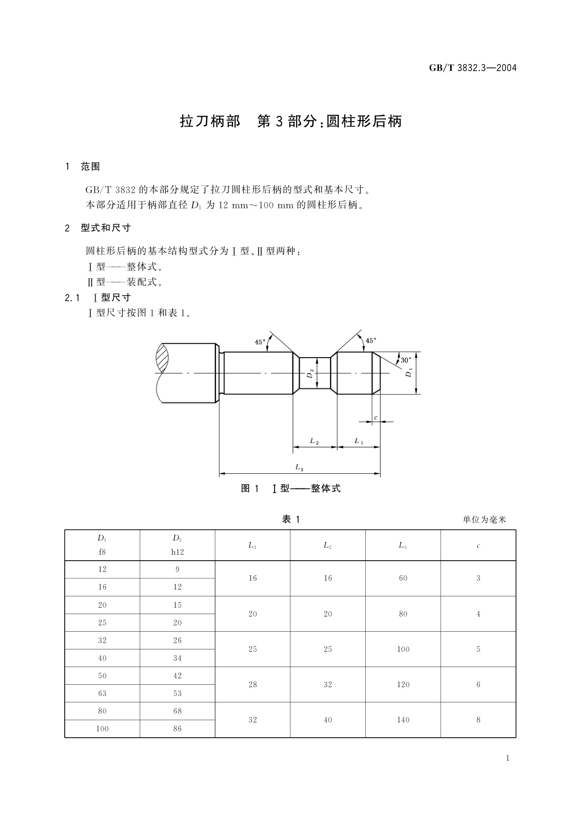
J41 拉刀柄部 第3部分:圆柱形后柄
国际标准分类号(ICS)
25.100.25
发布日期
2004-02-10
实施日期
2004-08-01
发布单位/组织
中华人民共和国国家质量监督检验检疫总局、中国国家标准化管理委员会
归口单位
全国刀具标准化技术委员会
适用范围
-
发布历史
-
2004-08
文前页预览
免费预览已结束,剩余部分可下载查看
研制信息
- 起草单位:
- 哈尔滨第一工具厂
- 起草人:
- 罗雁、陈克天、周耀文、曲建华
- 出版信息:
- 页数:8页 | 字数:8 千字 | 开本: 大16开
推荐标准
- GB/T 18426-2001 橡胶或塑料涂覆织物 低温弯曲试验 2001-08-28
- GB/T 4103.6-2000 铅及铅合金化学分析方法 砷量的测定 2000-08-28
- GA/T 974.63-2011 消防信息代码 第63部分:消防车作业高度类别代码 2011-12-12
- GB/T 19260-2003 低地板及低入口城市客车结构要求 2003-08-04
- GB/T 491-2008 钙基润滑脂 2008-06-23
- GA/T 1625-2019 法庭科学 生物检材中西玛津和莠去津检验 气相色谱-质谱法 2019-10-14
- GB/T 35930-2018 化工产品饱和蒸气压的测定 热重法 2018-02-06
- LY/T 2493-2015 林业数据整合改造指南 2015-10-19
- GB/T 24140-2009 内燃机空气和真空系统用橡胶软管和纯胶管 规范 2009-06-15
- GB/T 33017.1-2016 高效能大气污染物控制装备评价技术要求 第1部分:编制通则 2016-10-13
相似标准推荐
更多>- 1 GB/T 20791-2006 农林拖拉机 外部装置操纵件用支架和孔口
- 2 GB/T 33588.3-2020 雷电防护系统部件(LPSC) 第3部分:隔离放电间隙(ISG)的要求
- 3 LY 1059-1992 毛竹林丰产技术
- 4 GB/T 18820-2011 工业企业产品取水定额编制通则
- 5 JJG 2078-1990 激光功率计量器具
- 6 GB/T 12849-1991 钟、表用扭曲向列型液晶显示器件空白详细规范 (可供认证用)
- 7 GB/T 6113.402-2022 无线电骚扰和抗扰度测量设备和测量方法规范 第4-2部分:不确定度、统计学和限值建模 测量设备和设施的不确定度
- 8 GB/T 9695.8-1988 肉与肉制品 氯化物含量测定
- 9 LY/T 2668-2016 森林防火人员佩戴标志
- 10 SB/T 10387-2004 畜禽肉和水产品中呋喃唑酮的测定

关闭预览
