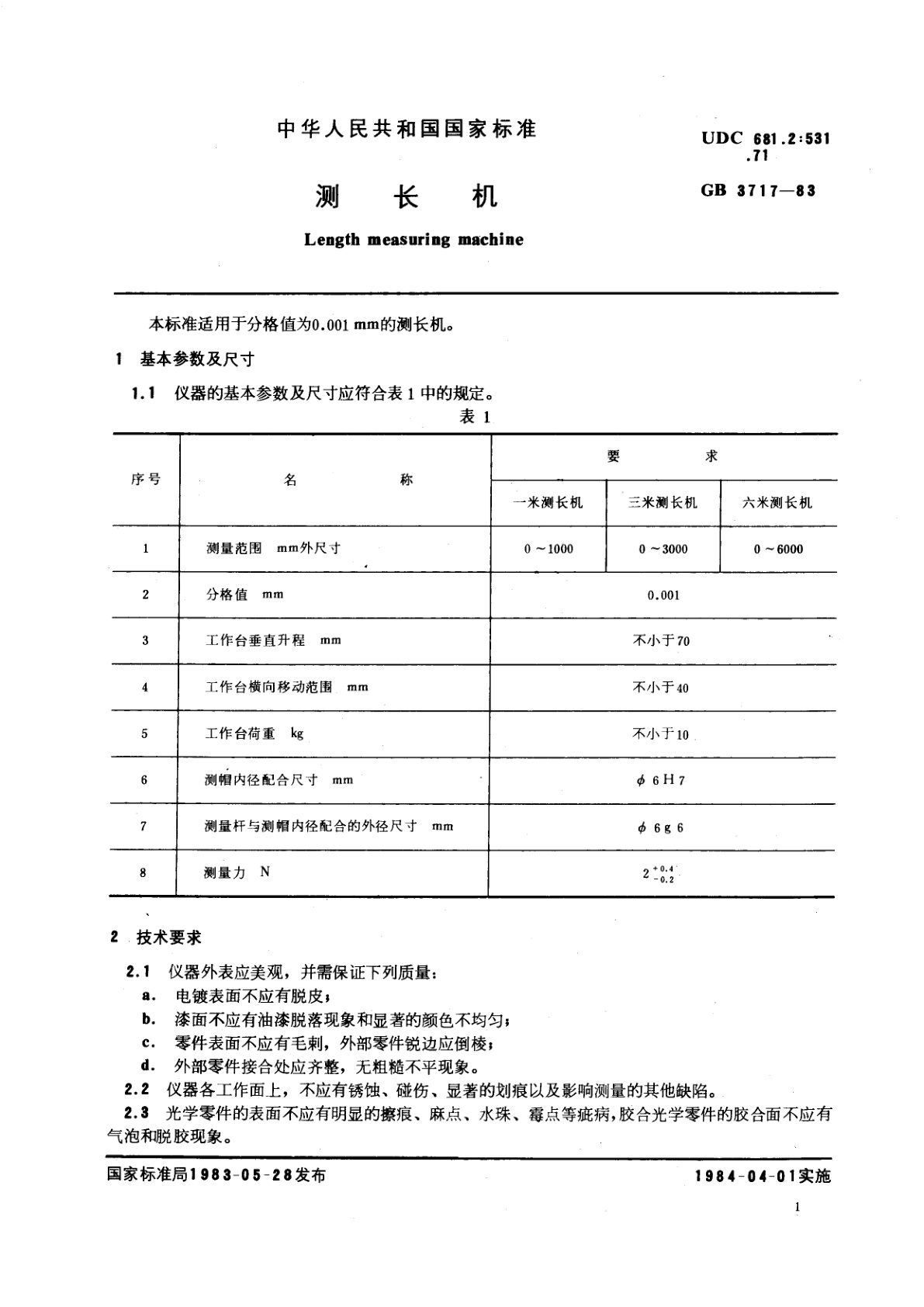
GB/T 3717-1983 测长机
GB/T 3717-1983 Length measuring machine
国家标准
中文简体
废止转行标
页数:12页
|
格式:PDF
基本信息
标准号
GB/T 3717-1983
相关服务
仅限个人学习交流使用
标准类型
国家标准
标准状态
废止转行标
中国标准分类号(CCS)
N42 测长机
国际标准分类号(ICS)
37.060.10
发布日期
1983-05-28
实施日期
1984-04-01
发布单位/组织
国家标准局
归口单位
适用范围
-
发布历史
-
1984-04
文前页预览
免费预览已结束,剩余部分可下载查看
研制信息
- 起草单位:
- 新天光学仪器研究所
- 起草人:
- 周绍荣
- 出版信息:
- 页数:12页 | 字数:15 千字 | 开本: 大16开
推荐标准
- GB 5135.3-2003 自动喷水灭火系统 第3部分:水雾喷头 2003-10-08
- GB/T 12668.4-2006 调速电气传动系统 第4部分:一般要求 交流电压1000V以上但不超过35kV的交流调速电气传动系统额定值的规定 2006-03-14
- GB/T 12492-1990 羊毛水解物中胱氨酸含量的测定 比色法 1990-09-21
- YS/T 737-2010 铝电解槽系列不停电停、开槽装置 2010-11-22
- FZ/T 54009-2012 丙纶弹力丝 2012-12-28
- GB/T 14717-1993 信息交换用汉字128×128点阵宋体字模集及数据集 1993-11-29
- GB/T 2820.8-2022 往复式内燃机驱动的交流发电机组 第8部分:对小功率发电机组的要求和试验 2022-12-30
- GB 20583-2006 化学品分类、警示标签和警示性说明安全规范 自反应物质 2006-10-24
- GB/T 22630-2008 车载音视频设备电磁兼容性要求和测量方法 2008-12-23
- GB/T 3459-1982 钨条 1982-12-31
相似标准推荐
更多>- 1 GB 38230-2025 坠落防护 缓降装置
- 2 GB/T 465.1-2008 纸和纸板 浸水后耐破度的测定
- 3 GB/T 24443-2009 毛条、洗净毛疵点及重量试验方法
- 4 GB/T 8733-2016 铸造铝合金锭
- 5 GB/T 223.66-1989 钢铁及合金化学分析方法 硫氰酸盐-盐酸氯丙嗪-三氯甲烷萃取光度法测定钨量
- 6 GB/T 646-1993 化学试剂 氯化钾
- 7 GB/T 38020.1-2019 表壳体及其附件 金合金覆盖层 第1部分:一般要求
- 8 GB/T 3871.18-2006 农业拖拉机 试验规程 第18部分:拖拉机与机具接口处液压功率
- 9 GB/T 21494-2008 低温食用豆粕
- 10 GB 16380-1996 职业性急性变应性肺泡炎诊断标准及处理原则

关闭预览
