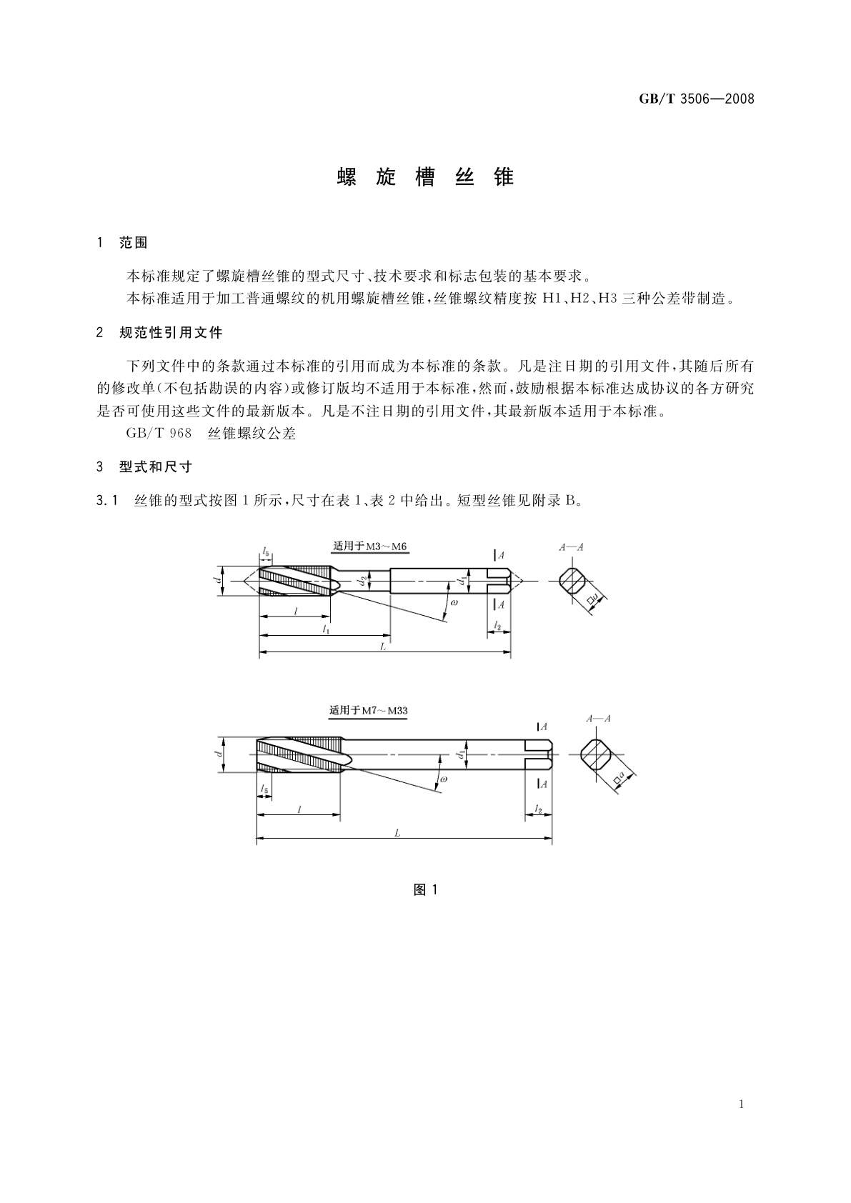
GB/T 3506-2008 螺旋槽丝锥
GB/T 3506-2008 Machine taps with helical flutes
国家标准
中文简体
现行
页数:16页
|
格式:PDF
基本信息
标准号
GB/T 3506-2008
相关服务
仅限个人学习交流使用
标准类型
国家标准
标准状态
现行
中国标准分类号(CCS)
J41 螺旋槽丝锥
国际标准分类号(ICS)
25.100.50
发布日期
2008-06-03
实施日期
2009-01-01
发布单位/组织
中华人民共和国国家质量监督检验检疫总局、中国国家标准化管理委员会
归口单位
全国刀具标准化技术委员会(SAC/TC 91)
适用范围
-
发布历史
-
1993-12
-
2009-01
文前页预览
免费预览已结束,剩余部分可下载查看
研制信息
- 起草单位:
- 成都成量工具有限公司
- 起草人:
- 黄华新、熊健
- 出版信息:
- 页数:16页 | 字数:18 千字 | 开本: 大16开
推荐标准
- GB/T 42936-2023 设施管理 过程管理指南 2023-08-06
- GB/T 22939.7-2008 家用和类似用途电器包装 空调器的特殊要求 2008-12-30
- GB/T 21964-2008 农业机械修理 安全规范 2008-06-10
- GB/T 5009.183-2003 植物蛋白饮料中脲酶的定性测定 2003-08-11
- GB/T 18404-2001 铠装热电偶电缆及铠装热电偶 2001-08-01
- GB/T 44851.3-2024 道路车辆 液化天然气(LNG)燃气系统部件 第3部分:止回阀 2024-10-26
- GB 38696-2025 眼面部防护 强光源(非激光)防护具 2025-08-29
- GB/T 5483-2008 天然石膏 2008-06-30
- GB/T 12085.16-1995 光学和光学仪器 环境试验方法 弹跳或恒加速度与高温、低温综合试验 1995-12-24
- GB/T 3543.5-2025 农作物种子检验规程 第5部分:品种质量 品种纯度鉴定 2025-02-28
相似标准推荐
更多>- 1 GB/T 25613-2010 土方机械 司机位置发射声压级的测定 定置试验条件
- 2 GB/T 1032-2012 三相异步电动机试验方法
- 3 GB 21344-2015 合成氨单位产品能源消耗限额
- 4 GB/T 10066.7-2009 电热装置的试验方法 第7部分:具有电子枪的电热装置
- 5 YY/T 1133-2020 无源外科植入物联用器械 金属骨钻
- 6 GB/T 20111.6-2022 电气绝缘系统 热评定规程 第6部分:在诊断试验中增加因子的多因子评定
- 7 GB/T 40440-2021 塑料制品 抗冲击改性丙烯腈-苯乙烯共聚物(ABS、AEPDS和ASA)挤出板材 要求和试验方法
- 8 GB/T 638-1988 化学试剂 氯化亚锡
- 9 GB/T 20256-2019 国家重力控制测量规范
- 10 GB/T 32842-2023 城市公共自行车交通服务规范

关闭预览
