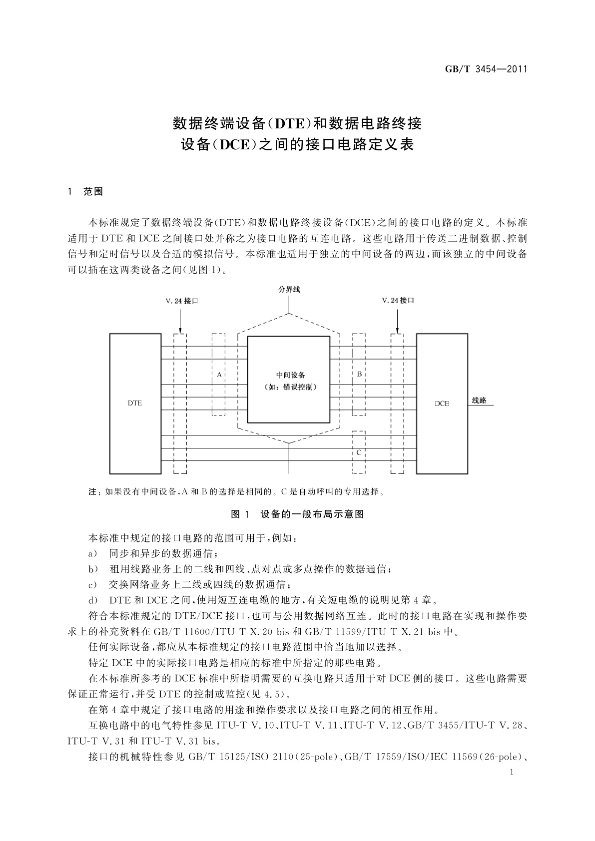
GB/T 3454-2011 数据终端设备(DTE)和数据电路终接设备(DCE)之间的接口电路定义表
GB/T 3454-2011 List of definitions for interchange circuits between data terminal equipment(DTE) and data circuit-terminating equipment(DCE)
国家标准
中文简体
现行
页数:24页
|
格式:PDF
基本信息
标准号
GB/T 3454-2011
相关服务
仅限个人学习交流使用
标准类型
国家标准
标准状态
现行
中国标准分类号(CCS)
M04 数据终端设备(DTE)和数据电路终接设备(DCE)之间的接口电路定义表
国际标准分类号(ICS)
33.040.50
发布日期
2011-07-29
实施日期
2011-11-01
发布单位/组织
中华人民共和国国家质量监督检验检疫总局、中国国家标准化管理委员会
归口单位
中国通信标准化协会
适用范围
-
发布历史
-
1983-10
-
2011-11
文前页预览
免费预览已结束,剩余部分可下载查看
研制信息
- 起草单位:
- 工业和信息化部电信研究院、上海贝尔股份有限公司
- 起草人:
- 唐锡京、赵振华
- 出版信息:
- 页数:24页 | 字数:35 千字 | 开本: 大16开
推荐标准
- GB/T 11713-1989 用半导体γ谱仪分析低比活度 γ放射性样品的标准方法 1989-09-21
- GB/T 24814-2023 起重用钢制短环链 中等精度吊链 4级不锈钢 2023-09-07
- JJF 2126-2024 行驶记录仪检测装置校准规范 2024-06-14
- GB/T 5169.12-2024 电工电子产品着火危险试验 第12部分:灼热丝/热丝基本试验方法 材料的灼热丝可燃性指数(GWFI)试验方法 2024-08-23
- GB/T 6131.3-1996 铣刀直柄 第3部分:2°斜削平直柄的型式和尺寸 1996-07-05
- YS/T 581.15-2007 氟化铝化学分析方法和物理性能测定方法 第15部分:游离氧化铝含量的测定 2007-04-13
- GB/T 44343-2024 土壤质量 土壤中22种元素的测定 酸溶-电感耦合等离子体质谱法 2024-08-23
- GB/T 3939.1-2004 主要渔具材料命名与标记 网线 2004-11-09
- GB/T 29182-2012 信息与文献 图书馆绩效指标 2012-12-31
- GB/T 43610-2023 微束分析 分析电子显微术 线状晶体表观生长方向的透射电子显微术测定方法 2023-12-28
相似标准推荐
更多>- 1 QC/T 686-2024 摩托车和轻便摩托车发动机组合式曲轴连杆总成
- 2 GB 28314-2012 食品安全国家标准 食品添加剂 辣椒油树脂
- 3 LY/T 2854-2017 山茶花嫁接技术规程
- 4 YC/T 304-2009 烟草商业企业卷烟物流配送中心绩效评价
- 5 GB/T 23960-2009 工业用邻苯二酚
- 6 GB/T 15092.1-2010 器具开关 第1部分:通用要求
- 7 LY/T 2655-2016 立木生物量模型及碳计量参数——云杉
- 8 GB/T 10645-2008 电热食品烤炉型号编制方法
- 9 FZ/T 81011-1999 领带
- 10 GB/T 42101-2022 游乐园安全 基本要求

关闭预览
