GB/T 3390.1-2013 手动套筒扳手 套筒
GB/T 3390.1-2013 Hand operated socket wrenches—Socket
国家标准
中文简体
现行
页数:16页
|
格式:PDF
基本信息
标准号
GB/T 3390.1-2013
相关服务
仅限个人学习交流使用
标准类型
国家标准
标准状态
现行
中国标准分类号(CCS)
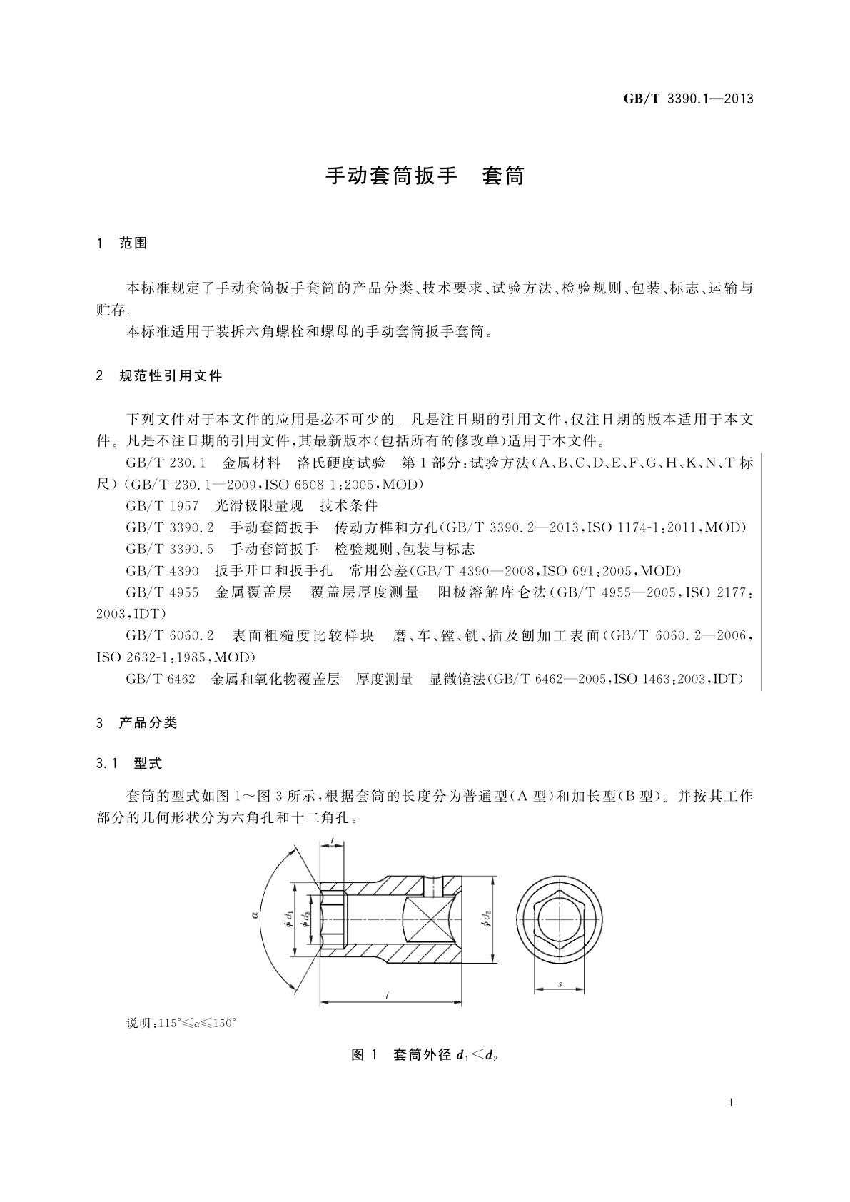
J47 手动套筒扳手 套筒
国际标准分类号(ICS)
25.140.30
发布日期
2013-11-12
实施日期
2014-05-01
发布单位/组织
中华人民共和国国家质量监督检验检疫总局、中国国家标准化管理委员会
归口单位
全国五金制品标准化技术委员会工具五金分技术委员会(SAC/TC 174/SC 2)
适用范围
-
发布历史
-
2004-09
-
2014-05
文前页预览
免费预览已结束,剩余部分可下载查看
研制信息
- 起草单位:
- 宁波安拓实业有限公司、文登威力工具集团有限公司、杭州巨星科技股份有限公司、上海市工具工业研究所
- 起草人:
- 张金清、鞠家平、王伟毅、吴祖训、邱瑞龙、厉广孝、付先念、王维法、陈立海、朱垂馨、林众伟、沈建明、邹家平、杨栋江、宋清林、顾青
- 出版信息:
- 页数:16页 | 字数:24 千字 | 开本: 大16开
推荐标准
- GB/T 20441.7-2025 电声学 测量传声器 第7部分:实验室标准传声器的自由场灵敏度级和声压灵敏度级之间的差值 2025-05-30
- GB/T 8570.7-1988 液体无水氨 铁含量的测定 邻菲啰啉分光光度法 1988-01-03
- GB/Z 6113.205-2013 无线电骚扰和抗扰度测量设备和测量方法规范 第2-5部分:大型设备骚扰发射现场测量 2013-12-17
- GB/T 19958-2005 地理标志产品 鞍山南果梨 2005-11-17
- YY/T 0995-2015 人类辅助生殖技术用医疗器械 术语和定义 2015-03-02
- GB/T 15096-1994 液粘调速离合器 1994-06-30
- MT/T 461-1995 煤矿装载机械密封润滑履带总成 1995-12-28
- GB/T 8137-1987 颗粒紫胶 1987-11-12
- GB/T 15629.5-1996 信息技术 局域网和城域网 第5部分:令牌环访问方法和物理层规范 1996-12-18
- GB/T 26151-2010 基于XML的电子商务发票报文 2011-01-14
相似标准推荐
更多>- 1 GB/T 20540.5-2006 测量和控制数字数据通信 工业控制系统用现场总线 类型3:PROFIBUS规范 第5部分:应用层服务定义
- 2 LY/T 1096-2005 营林机械设备配属规范
- 3 GB/T 18283-2008 商品条码 店内条码
- 4 GB/T 19673-2005 直线运动滚动支承套筒型循环球直线运动轴承 附件
- 5 GB/T 5019.10-2022 以云母为基的绝缘材料 第10部分:耐火安全电缆用云母带
- 6 GB/T 35656-2017 化学分析方法验证确认和内部质量控制实施指南 报告定性结果的方法
- 7 GA/T 2000.37-2014 公安信息代码 第37部分:血型代码
- 8 GB 1886.290-2016 食品安全国家标准 食品添加剂 2-甲基吡嗪
- 9 WS 445.3-2014 电子病历基本数据集 第3部分:门(急)诊处方
- 10 GB/T 5884-1986 苎麻纤维支数试验方法

关闭预览
