GB/T 33217-2016 冲压件毛刺高度
GB/T 33217-2016 Burr height for stampings
国家标准
中文简体
现行
页数:8页
|
格式:PDF
基本信息
标准号
GB/T 33217-2016
相关服务
仅限个人学习交流使用
标准类型
国家标准
标准状态
现行
中国标准分类号(CCS)
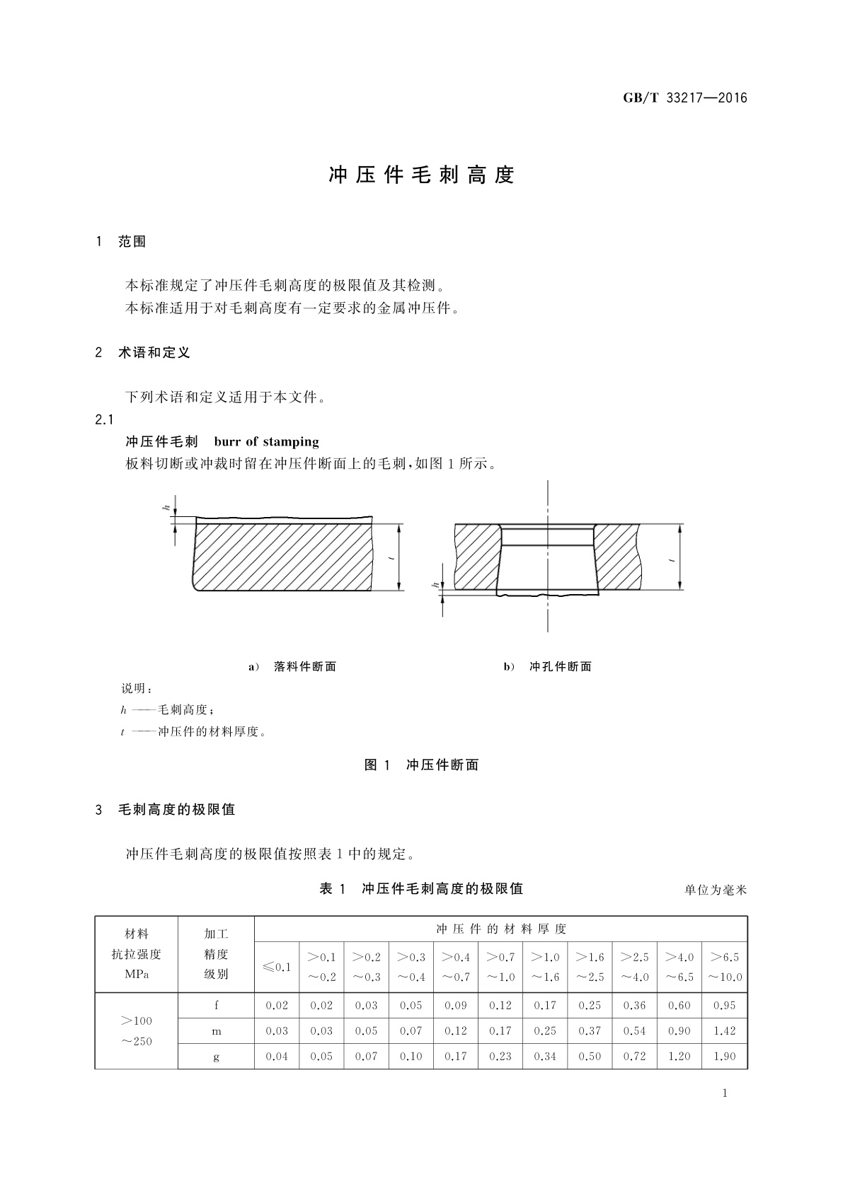
J32 冲压件毛刺高度
国际标准分类号(ICS)
25.010
发布日期
2016-12-13
实施日期
2017-07-01
发布单位/组织
中华人民共和国国家质量监督检验检疫总局、中国国家标准化管理委员会
归口单位
全国锻压标准化技术委员会(SAC/TC 74)
适用范围
-
发布历史
-
2017-07
文前页预览
免费预览已结束,剩余部分可下载查看
研制信息
- 起草单位:
- 上海交通大学、东莞市中泰模具股份有限公司、北京机电研究所
- 起草人:
- 庄新村、姚小春、魏巍、赵震、罗忠涛、周林、金红
- 出版信息:
- 页数:8页 | 字数:6 千字 | 开本: 大16开
推荐标准
- GB/T 19668.6-2019 信息技术服务 监理 第6部分:应用系统:数据中心工程监理规范 2019-08-30
- GB/T 37751.1-2019 家用和类似用途的剩余电流动作断路器 第1部分:剩余电流电器标准的独立模块和单元模块概述 2019-06-04
- GB/T 38792-2020 蛋白质致敏性细胞学评价技术规范 2020-04-28
- GB/T 5275.9-2014 气体分析 动态体积法制备校准用混合气体 第9部分:饱和法 2014-07-08
- LY/T 1280-2008 木材工业胶粘剂术语 2008-03-31
- GB/T 31067-2014 桥梁防雷技术规范 2014-12-22
- GB/T 17552-2008 信息技术 识别卡 金融交易卡 2008-06-18
- GB/T 30923-2022 塑料 聚丙烯(PP)熔喷专用料 2022-12-30
- GB/T 14048.10-2008 低压开关设备和控制设备 第5-2部分:控制电路电器和开关元件 接近开关 2008-09-24
- GB/T 5184-1996 叉车 挂钩型货叉和货叉架 安装尺寸 1996-12-23
相似标准推荐
更多>- 1 GB/T 35798-2018 化妆品中香豆素及其衍生物的测定 高效液相色谱法
- 2 GB/T 17274-1998 系列1:无压干散货集装箱技术要求和试验方法
- 3 GA/T 1082-2021 道路交通事故信息调查
- 4 GB/T 32578-2016 轨道交通 地面装置 电力牵引架空接触网
- 5 GB 9278-1988 涂料试样状态调节和试验的温湿度
- 6 GB/T 21561.2-2018 轨道交通 机车车辆受电弓特性和试验 第2部分:地铁和轻轨车辆受电弓
- 7 GB/T 3985-1995 石棉橡胶板
- 8 YB/T 386-1994 硅质隔热耐火砖
- 9 GB/T 5359.1-1996 摩托车和轻便摩托车术语 车辆类型
- 10 GB/T 1132-2017 直柄和莫氏锥柄机用铰刀

关闭预览
