GB/T 32788.1-2016 预浸料性能试验方法 第1部分:凝胶时间的测定
GB/T 32788.1-2016 Test method for properties of prepreg—Part 1:Determination of gel time
国家标准
中文简体
现行
页数:12页
|
格式:PDF
基本信息
标准号
GB/T 32788.1-2016
相关服务
仅限个人学习交流使用
标准类型
国家标准
标准状态
现行
中国标准分类号(CCS)
Q23 预浸料性能试验方法 第1部分:凝胶时间的测定
国际标准分类号(ICS)
83.120
发布日期
2016-06-14
实施日期
2017-05-01
发布单位/组织
中华人民共和国国家质量监督检验检疫总局、中国国家标准化管理委员会
归口单位
全国纤维增强塑料标准化技术委员会(SAC/TC 39)
适用范围
-
发布历史
-
2017-05
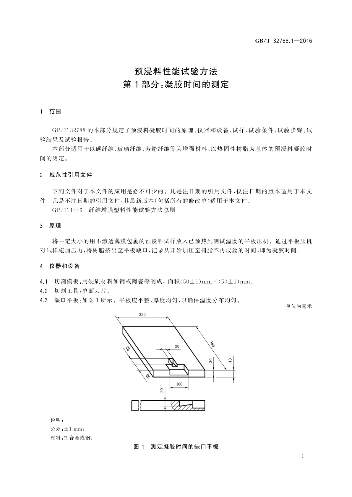
文前页预览
免费预览已结束,剩余部分可下载查看
研制信息
- 起草单位:
- 哈尔滨玻璃钢研究院
- 起草人:
- 丁新静、王宝瑞、孙远君、李金亮、任昆、刘东勋、张荣琪、于浩、李红强、何涛
- 出版信息:
- 页数:12页 | 字数:12 千字 | 开本: 大16开
推荐标准
- GB/T 28827.1-2012 信息技术服务 运行维护 第1部分:通用要求 2012-11-05
- GB 28881-2012 手部防护 化学品及微生物防护手套 2012-11-05
- GB/T 38039-2019 鞋类 拉链试验方法 闭合时抗横向力损坏性 2019-10-18
- GB/T 1445-2000 绵白糖 2000-11-21
- GB/T 15566.8-2007 公共信息导向系统 设置原则与要求 第8部分:宾馆和饭店 2007-11-14
- GB/T 5638.2-1985 扩口式组合三通管接头体 1985-11-25
- GB/T 18380.11-2022 电缆和光缆在火焰条件下的燃烧试验 第11部分:单根绝缘电线电缆火焰垂直蔓延试验 试验装置 2022-03-09
- GB/T 6594.2-2003 塑料 聚苯乙烯(PS)模塑和挤出材料 第2部分:试样制备和性能测定 2003-02-10
- FZ/T 92079-2011 剥边器 2011-12-20
- GB/T 4157-2006 金属在硫化氢环境中抗特殊形式环境开裂实验室试验 2006-03-02
相似标准推荐
更多>- 1 GB/T 32565-2016 表面化学分析 俄歇电子能谱(AES)数据记录与报告的规范要求
- 2 HY/T 0382-2023 海岸带生态系统减灾功能评估技术导则 红树林和盐沼
- 3 GB/T 44445-2024 智能移动终端未成年人保护通用规范
- 4 GB/T 11064.17-1989 碳酸锂、单水氢氧化锂、氯化锂化学分析方法 共沉淀火焰原子吸收光谱法测定铁和铅量
- 5 GB/T 45936-2025 应急管理 北斗卫星导航系统应用数据传输接口和通信协议规范
- 6 RB/T 046-2020 检验检测机构管理和技术能力评价 授权签字人要求
- 7 JG/T 468-2015 墙体用界面处理剂
- 8 GB 29743.1-2022 机动车冷却液 第1部分:燃油汽车发动机冷却液
- 9 LY/T 1381-2001 板式家具机械型号编制方法
- 10 GB/T 41158-2021 汽车后市场配件流通信息管理要求

关闭预览
