GB/T 3229-2008 螺栓螺母用装配工具 手动和机动螺刀头的传动端和连接部件的尺寸及扭矩试验
GB/T 3229-2008 Assembly tools for screws and nuts—Drive ends for hand and machine-operated screwdriver bits and connecting parts—Dimensions,torque testing
国家标准
中文简体
被代替
页数:12页
|
格式:PDF
基本信息
标准号
GB/T 3229-2008
相关服务
仅限个人学习交流使用
标准类型
国家标准
标准状态
被代替
中国标准分类号(CCS)
J48 螺栓螺母用装配工具 手动和机动螺刀头的传动端和连接部件的尺寸及扭矩试验
国际标准分类号(ICS)
25.140.01
发布日期
2008-07-09
实施日期
2009-02-01
发布单位/组织
中华人民共和国国家质量监督检验检疫总局、中国国家标准化管理委员会
归口单位
全国凿岩机械与气动工具标准化技术委员会(SAC/TC 173)
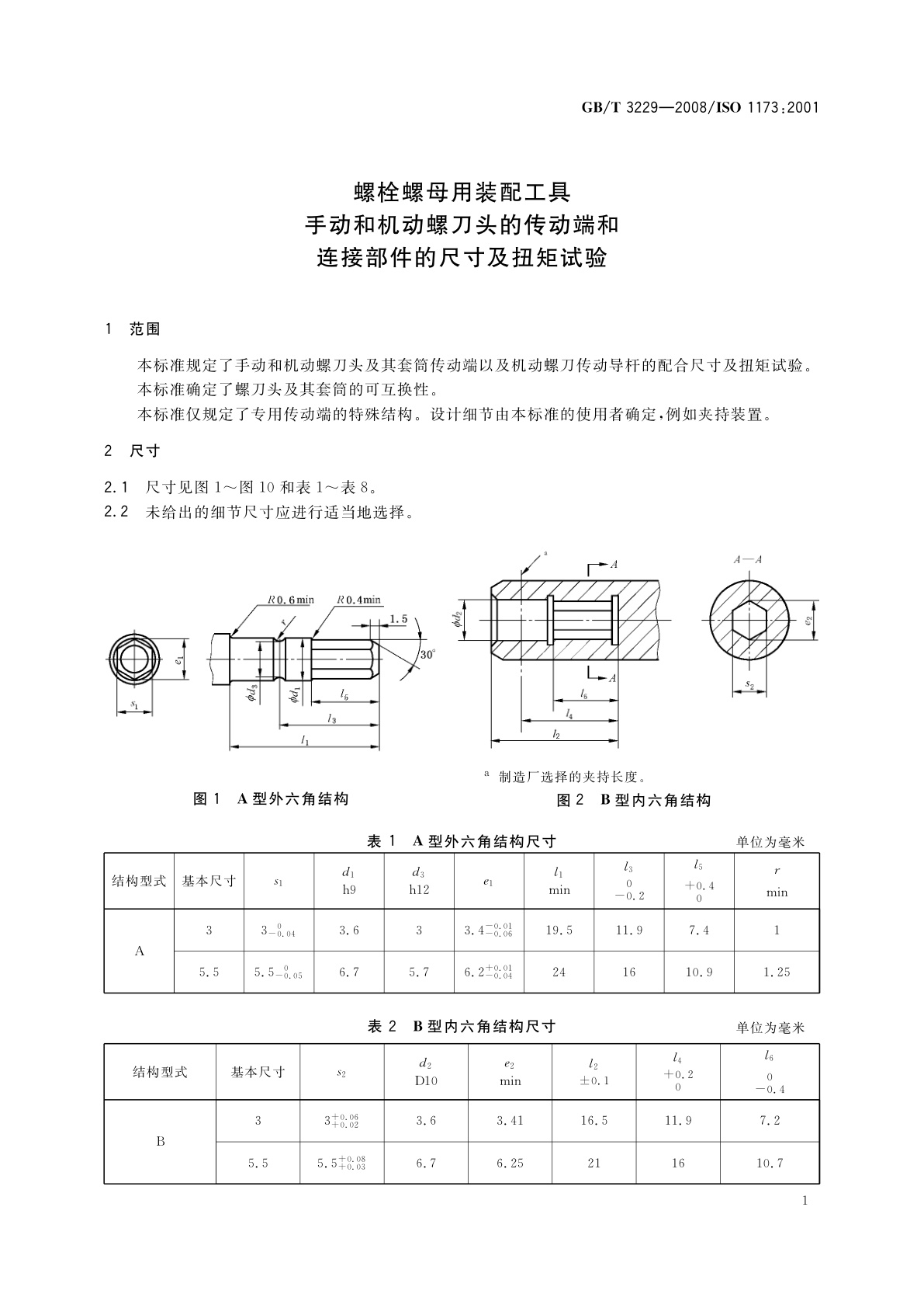
适用范围
-
发布历史
-
2001-07
-
2009-02
文前页预览
免费预览已结束,剩余部分可下载查看
研制信息
- 起草单位:
- 天水凿岩机械气动工具研究所
- 起草人:
- 马文瑾、朱洵慧、孙必武
- 出版信息:
- 页数:12页 | 字数:13 千字 | 开本: 大16开
推荐标准
- GB/T 5275.5-2014 气体分析 动态体积法制备校准用混合气体 第5部分:毛细管校准器 2014-07-08
- YC/T 546-2016 卷烟通风率检测设备通用技术条件 2016-01-23
- GB/T 12007.3-1989 环氧树脂总氯含量测定方法 1989-12-25
- GB/T 2965-2007 钛及钛合金棒材 2007-11-23
- GB/T 41484-2022 汽车用超声波传感器总成 2022-04-15
- GA/T 852.1-2009 娱乐服务场所治安管理信息规范 第1部分:娱乐服务场所分类代码 2009-11-16
- GB/T 26781-2023 海区浮动助航标志配布导则 2023-11-27
- GB/T 34320-2017 六氟化硫电气设备用分子筛吸附剂使用规范 2017-09-07
- GB/T 6926-2008 林业机械 分类词汇 2008-05-27
- YS/T 62.1-2005 铝用炭素材料取样方法 第1部分 底部炭块 2005-09-23
相似标准推荐
更多>- 1 GB/T 8762.7-1988 荧光级氧化铕中氧化铈、氧化镨、氧化钐、氧化钆和氧化镝量测定 化学光谱和直接光谱法
- 2 GB/T 6594.1-1998 聚苯乙烯(PS)模塑和挤出材料 第1部分:命名系统和分类基础
- 3 GB/T 15879.5-2018 半导体器件的机械标准化 第5部分:用于集成电路载带自动焊(TAB)的推荐值
- 4 NY/T 340-1998 天然橡胶初加工机械 洗涤机
- 5 GB/T 2423.55-2006 电工电子产品环境试验 第2部分:试验方法 试验Eh:锤击试验
- 6 GB/T 3086-2019 高碳铬不锈轴承钢
- 7 GB/T 41079.1-2021 液态金属物理性能测定方法 第1部分:密度的测定
- 8 GB/T 21645.4-2010 自动交换光网络(ASON)技术要求 第4部分:信令技术
- 9 FZ/T 12061-2019 粘纤锦纶/聚酯(PBT)仿兔毛包芯本色纱线
- 10 GB/T 18134.1-2000 极快速冲击高电压试验技术 第1部分:气体绝缘变电站中陡波前过电压用测量系统

关闭预览
