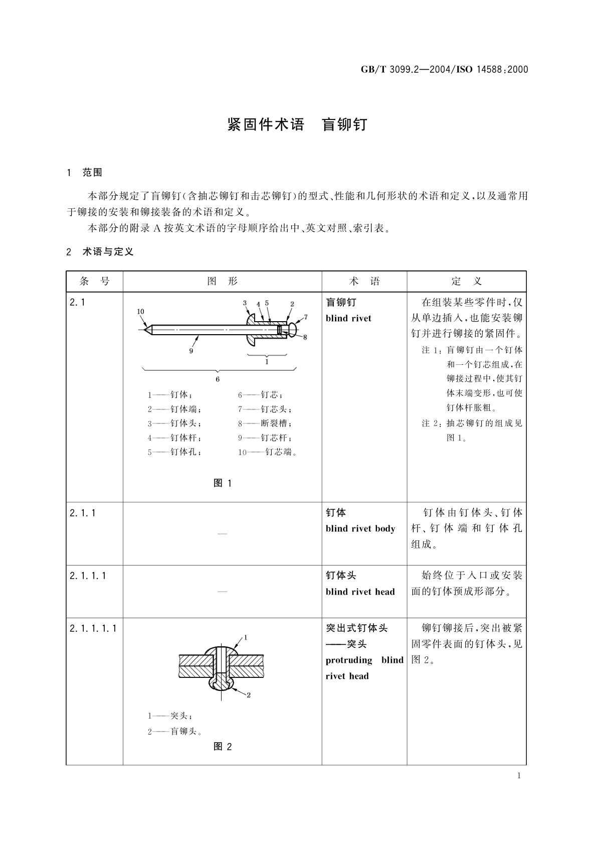
GB/T 3099.2-2004 紧固件术语 盲铆钉
GB/T 3099.2-2004 Terminology of fasteners—Blind rivets
国家标准
中文简体
现行
页数:16页
|
格式:PDF
基本信息
标准号
GB/T 3099.2-2004
相关服务
仅限个人学习交流使用
标准类型
国家标准
标准状态
现行
中国标准分类号(CCS)
J13 紧固件术语 盲铆钉
国际标准分类号(ICS)
21.060.40
发布日期
2004-02-10
实施日期
2004-08-01
发布单位/组织
中华人民共和国国家质量监督检验检疫总局中国国家标准化管理委员会
归口单位
全国紧固件标准化技术委员会(SAC/TC 85)
适用范围
-
发布历史
-
2004-08
文前页预览
免费预览已结束,剩余部分可下载查看
研制信息
- 起草单位:
- 机械科学研究院
- 起草人:
- 出版信息:
- 页数:16页 | 字数:24 千字 | 开本: 大16开
推荐标准
- GB/T 9111-2006 桑蚕干茧试验方法 2006-12-29
- GB/T 23392.1-2009 十字花科蔬菜病虫害测报技术规范 第1部分:霜霉病 2009-03-27
- GA/T 529-2005 城市警用地理信息属性数据结构 2005-02-06
- YY/T 0920-2014 无源外科植入物 关节置换植入物 髋关节置换植入物的专用要求 2014-06-17
- GB/T 14976-2012 流体输送用不锈钢无缝钢管 2012-05-11
- GA/T 2071-2023 法庭科学 生物检材中四氢唑啉等5种咪唑啉类药物检验 液相色谱-质谱法 2023-03-01
- GB/T 16911-1997 水泥生产防尘技术规程 1997-07-07
- GB/T 45174-2024 鞋类 微孔鞋底密度测定法 2024-12-31
- GB/T 44603-2024 健康信息学 心脏骤停调查基本内容与数据规范 2024-09-29
- RB/T 216-2017 检验检测机构资质认定能力评价 食品复检机构要求 2017-10-16
相似标准推荐
更多>- 1 GB/T 8570.5-1988 液体无水氨 水分的测定 卡尔·费休法
- 2 GB/T 9758.4-1988 色漆和清漆 “可溶性”金属含量的测定 第4部分:镉含量的测定 火焰原子吸收光谱法和极谱法
- 3 GB/T 28245-2025 自动锻压机 噪声限值
- 4 GB/T 15505-1995 水质 硒的测定 石墨炉原子吸收分光光度法
- 5 GB 14470.3-2002 兵器工业水污染物排放标准 弹药装药
- 6 GB/T 2679.16-1997 纸和纸板印刷表面强度的测定(摆或弹簧加速法)
- 7 GB/T 40499-2021 重型汽车操纵稳定性试验通用条件
- 8 GB/T 26474-2011 集装箱正面吊运起重机 技术条件
- 9 GB/T 1392-1985 舷梯绞车
- 10 GB/T 35277-2017 信息安全技术 防病毒网关安全技术要求和测试评价方法

关闭预览
