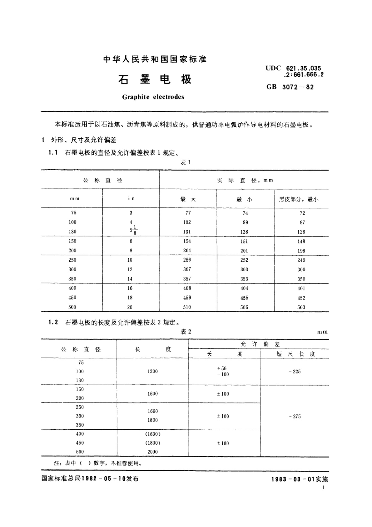
GB/T 3072-1982 石墨电极
GB/T 3072-1982 Graphite electrodes
国家标准
中文简体
废止
页数:8页
|
格式:PDF
基本信息
标准号
GB/T 3072-1982
相关服务
仅限个人学习交流使用
标准类型
国家标准
标准状态
废止
中国标准分类号(CCS)
Q51 石墨电极
国际标准分类号(ICS)
29.050
发布日期
1982-05-10
实施日期
1983-03-01
发布单位/组织
国家标准总局
归口单位
适用范围
-
发布历史
-
1983-03
文前页预览
免费预览已结束,剩余部分可下载查看
研制信息
- 起草单位:
- 治金工业部标准化研究所、治金工业部钢铁司冶炼处
- 起草人:
- 孙瑞虹、傅征蔚
- 出版信息:
- 页数:8页 | 字数:11 千字 | 开本: 大16开
推荐标准
- GB/T 19748-2019 金属材料 夏比V型缺口摆锤冲击试验 仪器化试验方法 2019-08-30
- GB/T 15036.1-2009 实木地板 第1部分:技术要求 2009-10-30
- GB/T 13669-1992 铁道机车辐射噪声限值 1992-09-22
- GB/T 13643-1992 硫化橡胶或热塑性橡胶 压缩应力松弛的测定 环状试样 1992-09-01
- GB/T 5159-2015 金属粉末(不包括硬质合金用粉)与成型和烧结有联系的尺寸变化的测定方法 2015-09-11
- GB/T 25983-2010 歧管式催化转化器 2011-01-10
- GB/T 2413-1981 压电陶瓷材料体积密度测量方法 1980-12-31
- LY/T 2875-2017 难燃细木工板 2017-06-05
- GB/T 18216.10-2022 交流1 000 V和直流1 500 V及以下低压配电系统电气安全 防护措施的试验、测量或监控设备 第10部分:用于防护措施的试验、测量或监控的组合测量设备 2022-10-12
- GA/T 646-2006 视频安防监控系统矩阵切换设备通用技术要求 2006-10-12
相似标准推荐
更多>- 1 GB/T 36622.1-2018 智慧城市 公共信息与服务支撑平台 第1部分:总体要求
- 2 GB/T 22500-2024 动植物油脂 紫外吸光度的测定
- 3 GB/T 3131-2001 锡铅钎料
- 4 GB/T 27612.3-2023 农业灌溉设备 喷头 第3部分:水量分布特性和试验方法
- 5 GB 19153-2009 容积式空气压缩机能效限定值及能效等级
- 6 DZ/T 0070-1993 时间域激发极化法技术规定
- 7 GB/T 23460.1-2009 陶瓷釉料性能测试方法 第1部分:高温流动性测试 熔流法
- 8 GB/T 29766-2021 信息安全技术 网站数据恢复产品技术要求与测试评价方法
- 9 WS/T 431-2013 护理分级
- 10 GB/T 16582-2008 塑料 用毛细管法和偏光显微镜法测定 部分结晶聚合物熔融行为(熔融温度或熔融范围)

关闭预览
