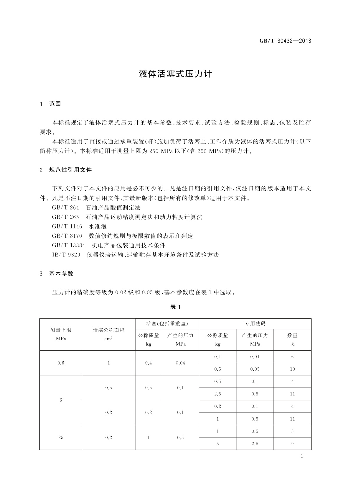
GB/T 30432-2013 液体活塞式压力计
GB/T 30432-2013 Liquid-medium piston pressure gauge
国家标准
中文简体
现行
页数:24页
|
格式:PDF
基本信息
标准号
GB/T 30432-2013
相关服务
仅限个人学习交流使用
标准类型
国家标准
标准状态
现行
中国标准分类号(CCS)
N11 液体活塞式压力计
国际标准分类号(ICS)
17.100
发布日期
2013-12-31
实施日期
2014-08-01
发布单位/组织
中华人民共和国国家质量监督检验检疫总局、中国国家标准化管理委员会
归口单位
全国工业过程测量和控制标准化技术委员会(SAC/TC 124)
适用范围
-
发布历史
-
2014-08
文前页预览
免费预览已结束,剩余部分可下载查看
研制信息
- 起草单位:
- 西仪集团有限责任公司、北京康斯特仪表科技股份有限公司、上海自动化仪表股份有限公司、太原市太航压力测试科技有限公司、上海市计量测试技术研究院、宁波隆兴焊割科技股份有限公司、陕西西安创威科技有限公司
- 起草人:
- 李正华、何欣、袁德芳、潘征宇、张建达、蒿亚宾、闫晋平
- 出版信息:
- 页数:24页 | 字数:38 千字 | 开本: 大16开
推荐标准
- LY/T 2754-2016 无花果硬枝扦插技术规程 2016-10-19
- YY 0336-2013 一次性使用无菌阴道扩张器 2013-10-21
- YS/T 775.1-2011 铅阳极泥化学分析方法 第1部分:铅量的测定 Na2EDTA滴定法 2011-12-20
- YY/T 1764-2021 血管支架体外轴向、弯曲、扭转耐久性测试方法 2021-09-06
- GB/T 34846-2017 LED道路/隧道照明专用模块规格和接口技术要求 2017-11-01
- GB/T 6568-2024 带电作业用屏蔽服装 2024-03-15
- GB/T 5900.1-1997 机床 主轴端部与花盘互换性尺寸 第1部分:A型 1997-11-13
- GB/T 45258-2025 电信和互联网服务 评估指南 2025-02-28
- GB/T 7911-2024 热固性树脂浸渍纸高压装饰层积板(HPL) 2024-03-15
- GB/T 12763.6-2007 海洋调查规范 第6部分:海洋生物调查 2007-08-13
相似标准推荐
更多>- 1 GB/T 6730.39-2017 铁矿石 镍含量的测定 丁二酮肟分光光度法
- 2 GB 5009.256-2025 食品安全国家标准 食品中多种磷酸盐的测定
- 3 GB/T 42170-2022 鞋类 带跟面的空心和实心鞋跟试验方法 跟面结合力
- 4 GB/T 32524.1-2016 声学 声压法测定电力电容器单元的声功率级和指向特性 第1部分:半消声室精密法
- 5 GB/T 5972-1986 起重机械用钢丝绳检验和报废实用规范
- 6 GB/T 14719-1993 信息交换用汉字256×256点阵宋体字模集及数据集
- 7 NB/T 10522.4-2021 矿用自动控制防水闸门 第4部分:操作及维护要求
- 8 GB 8702-1988 电磁辐射防护规定
- 9 GB/T 21303-2017 灌溉渠道系统量水规范
- 10 GB/T 32326-2015 工业固体废物综合利用技术评价导则

关闭预览
