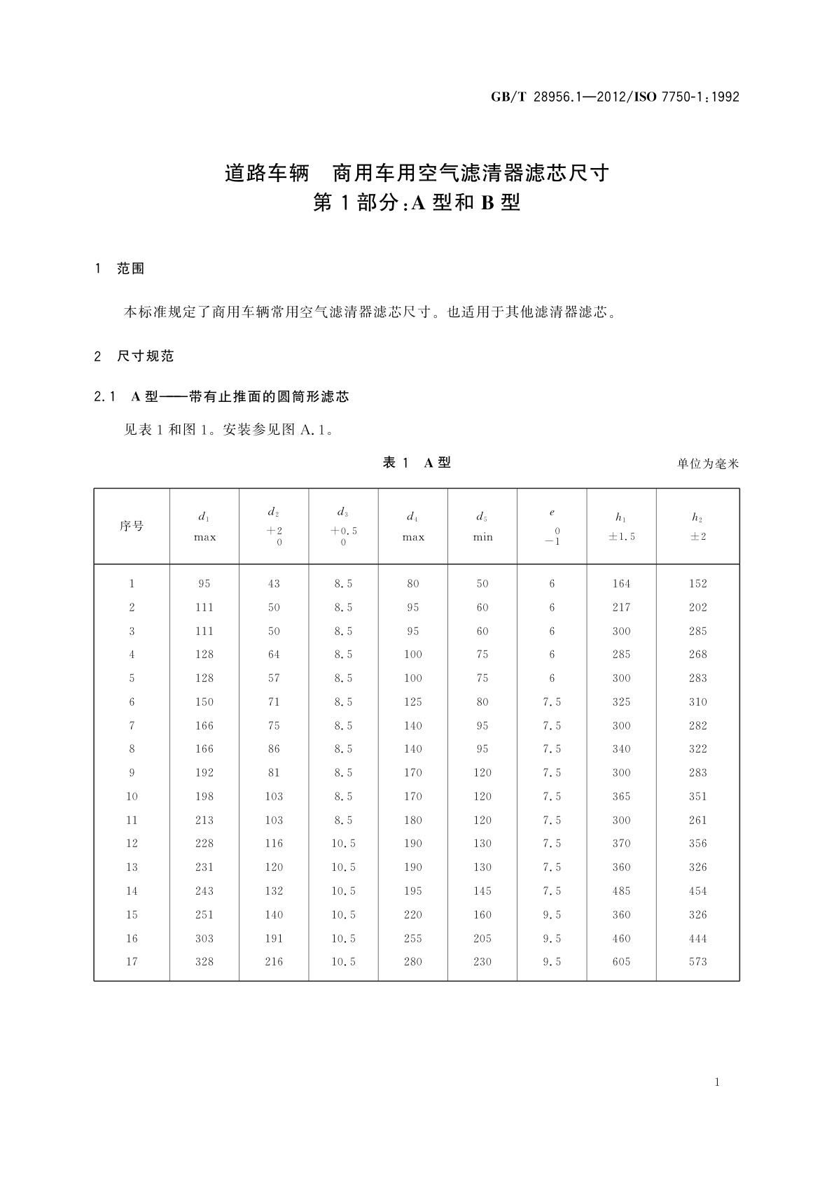
GB/T 28956.1-2012 道路车辆 商用车用空气滤清器滤芯尺寸 第1部分:A型和B型
GB/T 28956.1-2012 Commercial Vehicles—Dimenions of air filter elements—Part 1:Types A and B
国家标准
中文简体
废止
页数:12页
|
格式:PDF
基本信息
标准号
GB/T 28956.1-2012
相关服务
仅限个人学习交流使用
标准类型
国家标准
标准状态
废止
中国标准分类号(CCS)
T13 道路车辆 商用车用空气滤清器滤芯尺寸 第1部分:A型和B型
国际标准分类号(ICS)
43.060.20
发布日期
2012-12-31
实施日期
2013-07-01
发布单位/组织
中华人民共和国国家质量监督检验检疫总局、中国国家标准化管理委员会
归口单位
全国汽车标准化技术委员会(SAC/TC 114)
适用范围
-
发布历史
-
2013-07
文前页预览
免费预览已结束,剩余部分可下载查看
研制信息
- 起草单位:
- 中国第一汽车集团公司技术中心
- 起草人:
- 曹立新、柳国立、贾晶
- 出版信息:
- 页数:12页 | 字数:11 千字 | 开本: 大16开
推荐标准
- YY 9706.231-2023 医用电气设备 第2-31部分:带内部电源的体外心脏起搏器的基本安全和基本性能专用要求 2023-03-14
- GB/T 3903.6-2024 鞋类 整鞋试验方法 防滑性能 2024-12-31
- GB/T 6109.20-2008 漆包圆绕组线 第20部分:200级聚酰胺酰亚胺复合聚酯或聚酯亚胺漆包铜圆线 2008-04-23
- GB/T 4340.2-2025 金属材料 维氏硬度试验 第2部分:硬度计的检验与校准 2025-03-28
- GB/T 34797-2017 核酸引物探针质量技术要求 2017-11-01
- GB/T 43953-2024 全生物降解聚乙醇酸(PGA) 2024-04-25
- GB/T 46147-2025 医疗器械生物学评价 纳米颗粒脱落和释放测量 颗粒跟踪分析法 2025-08-29
- LY/T 1827-2009 连翘栽培技术规程 2009-06-18
- GB/T 8704.1-1997 钒铁化学分析方法 红外线吸收法及气体容量法测定碳量 1997-03-17
- GB/T 8586-2023 探鱼仪工作频率分配及其防止声波干扰技术规范 2023-11-27
相似标准推荐
更多>- 1 GB/T 45305.4-2025 声学 建筑构件隔声的实验室测量 第4部分:测量程序和要求
- 2 GB 11524-1989 车间空气中氯乙醇卫生标准
- 3 GB/T 35200-2017 土方机械 履带式湿地推土机 技术条件
- 4 GB/T 18948-2017 内燃机冷却系统用橡胶软管和纯胶管 规范
- 5 GB/Z 18890.1-2002 额定电压220kV(Um=252kV)交联聚乙烯绝缘电力电缆及其附件 第1部分:额定电压220kV(Um=252kV)交联聚乙烯绝缘电力电缆及其附件的电力电缆系统—试验方法和要求
- 6 GB/T 1149.12-2013 内燃机 活塞环 第12部分:楔形钢环
- 7 GB/T 18856.7-2002 水煤浆质量试验方法 第7部分:水煤浆工业分析方法
- 8 GB/T 32225-2015 农业科技成果评价技术规范
- 9 GB/T 32971-2016 钢铁行业蓄热式钢包烘烤系统热平衡测试与计算方法
- 10 JJF 1053-1996 负荷传感器动态特性校准规范

关闭预览
