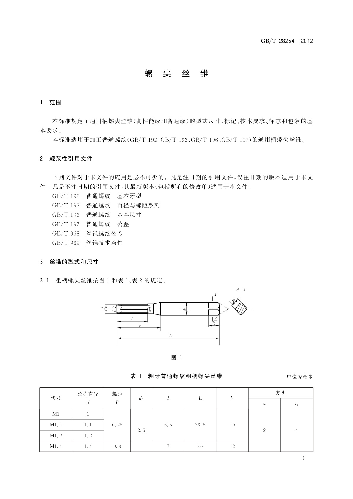
GB/T 28254-2012 螺尖丝锥
GB/T 28254-2012 Spiral pointed taps
国家标准
中文简体
现行
页数:16页
|
格式:PDF
基本信息
标准号
GB/T 28254-2012
相关服务
仅限个人学习交流使用
标准类型
国家标准
标准状态
现行
中国标准分类号(CCS)
J41 螺尖丝锥
国际标准分类号(ICS)
25.100.50
发布日期
2012-03-09
实施日期
2012-07-01
发布单位/组织
中华人民共和国国家质量监督检验检疫总局、中国国家标准化管理委员会
归口单位
全国刀具标准化技术委员会(SAC/TC 91)
适用范围
-
发布历史
-
2012-07
文前页预览
免费预览已结束,剩余部分可下载查看
研制信息
- 起草单位:
- 成都工具研究所有限公司、成都成量工具集团有限公司、上海工具厂有限公司、哈尔滨量具刃具集团有限责任公司
- 起草人:
- 邓智光、黄华新、俞毛弟、徐丽彦
- 出版信息:
- 页数:16页 | 字数:23 千字 | 开本: 大16开
推荐标准
- GB/Z 26157.9-2010 测量和控制数字数据通信 工业控制系统用现场总线 类型2:ControlNet和EtherNet/IP规范 第9部分:站管理 2011-01-14
- GB/T 35007-2018 半导体集成电路 低电压差分信号电路测试方法 2018-03-15
- NY/T 492-2002 芒果 2002-01-04
- GB/T 22324.1-2008 藏红花 第1部分:规格 2008-08-22
- YY/T 0466.1-2023 医疗器械 用于制造商提供信息的符号 第1部分:通用要求 2023-09-05
- GB/T 2354-1993 模拟电唱盘通用技术条件 1993-02-18
- GB 4789.40-2024 食品安全国家标准 食品微生物学检验 克罗诺杆菌检验 2024-02-08
- GB/T 28528-2012 水轮机、蓄能泵和水泵水轮机型号编制方法 2012-06-29
- GB/T 16422.4-2022 塑料 实验室光源暴露试验方法 第4部分:开放式碳弧灯 2022-04-15
- GB/T 12542-2009 汽车热平衡能力道路试验方法 2009-03-23
相似标准推荐
更多>- 1 GB/T 5783-2000 六角头螺栓 全螺纹
- 2 JJF 1375-2012 机动车发动机转速测量仪校准规范
- 3 GB/T 23827-2009 道路交通标志板及支撑件
- 4 GB/T 17430-2015 绝热材料最高使用温度的评估方法
- 5 GA 569-2005 警服 交巡警夏执勤服
- 6 GB/T 8559-1987 苹果冷藏技术
- 7 GB/T 27873-2011 废弃产品处理企业技术规范
- 8 GB/T 5095.2304-2021 电子设备用机电元件 基本试验规程及测量方法 第23-4部分:屏蔽和滤波试验 试验23d:时域内传输线的反射
- 9 GB/T 2678.2-1994 纸浆、纸和纸板水溶性氯化物的测定(硝酸汞法)
- 10 CJ/T 269-2007 城市客车乘客门装置用电控换向阀

关闭预览
